三相电与两相电、单相电的区别你都不知道?原理和接法大全看这里!


单相电用来为民用和办公电器供电,而三相交流系统则广泛用于配电及直接为功率更高的设备提供电力本文介绍了三相系统的基本原理以及可能的不同测量连接之间的差异。


三相系统

三相电由频率相同、幅度类似的三个AC电压组成。每个ac电压“相位”与另一个ac电压相隔120°(图1)。这可以通过图形方式,使用波形和矢量图(图2)进行表示。
                                                                                                                                                                                                                           
三相电与两相电、单相电的区别你都不知道?原理和接法大全看这里!的图1
图1. 三相电压波形
三相电与两相电、单相电的区别你都不知道?原理和接法大全看这里!的图2
图2. 三相电压矢量
使用三相系统的原因有两个:

1. 可以使用三个矢量间隔的电压,在马达中产生旋转磁场。从而可以在不需要额外绕组的情况下启动马达。

2. 三相系统可以连接到负载上,要求的铜缆连接数量(传输损耗)是其它方式的一半。

我们看看三个单相系统,每个系统为一个负载提供100W的功率(图3)。总负载是3 x 100W = 300W.为提供电力,1安培电流流经6根线,因此有6个单位的损耗。也可以把三个电源连接到一个公共回程上,如(图4)所示。当每个相位中的负载电流相同时,负载被认为是均衡的。在负载均衡、且三个电流相位彼此位移120°的情况下,任何时点上的电流之和都为零,回程线路中没有电流。 
                                                                                                                                                                                                                           
三相电与两相电、单相电的区别你都不知道?原理和接法大全看这里!的图3
图3. 三个单相电源 - 6个单位损耗

三相电与两相电、单相电的区别你都不知道?原理和接法大全看这里!的图4
图4. 三相电源,均衡负载 - 3个单位损耗


Y形接法或星形接法

在三相120°系统中,要求3根线传送功率,而在其它方式下则要求6根线。要求的铜缆数量减少了一半,导线传输损耗也将减半。

拥有公共连接的三相系统通常如(图5)的示意图所示,称为“Y形或星形”接法。

公共点称为中性点。为安全起见,这个点通常在电源上接地。在实践中,负载并不是完美均衡的,要使用第四条“中性”线传送得到的电流。如果本地法规和标准允许,中性导体可能会比三条主导体小得多。

三相电与两相电、单相电的区别你都不知道?原理和接法大全看这里!的图5
图5. Y形接法或星形接法 - 三相四线


Y形接法或星形接法

上面讨论的三个单相电源也可以串联起来。在任何时点上,三个120°相移电压之和都是零。如果和为零,那么两个端点都处在相同的电位,可以联接在一起。这种接法如(图7)中的示意图所示,使用希腊字母Δ表示,称为三角形接法。

三相电与两相电、单相电的区别你都不知道?原理和接法大全看这里!的图6
图6. 任意时间的瞬时电压之和为零

三相电与两相电、单相电的区别你都不知道?原理和接法大全看这里!的图7
图7. 三角形接法 - 三相三线


Y形接法和三角形接法比较

Y形接法用来为家庭和办公中使用的日常单相设备供电。单相负载连接到线路和中性线之间Y形的一条腿上。每个相位的总负载尽可能多地共享,以便为主三相电源提供均衡负载。

Y形接法还可以为更高电压上更高的功率负载提供单相或三相电。单相电压是相位到中性电压。另外还提供较高相间电压,如(图8)中的黑色矢量所示。

三相电与两相电、单相电的区别你都不知道?原理和接法大全看这里!的图8
图8. V phase-phase = √3 x V phase-neutral

三角形接法最常用的情况是为功率较高的三相工业负载供电。然而,通过沿着变压器线圈进行连接或“分接”,可以从三相三角形电源中获得不同的电压组合。例如,在美国,240V三角形系统可以有分相或中心分接线圈,提供两个120V电源(图9)。为安全起见,中心分接点可以在变压器上接地。在中心分接点和三角形接法的第三条“高脚”之间,还提供了208V电压。

三相电与两相电、单相电的区别你都不知道?原理和接法大全看这里!的图9
图9. 三角形接法,采用“分相”或“中心分接”线圈


功率测量

在交流系统中,功率使用功率表测量。现代数字采样功率表,把多个电压和电流的瞬时样点乘在一起,计算瞬时功率,然后取一个周期中瞬时功率的平均值,表示有功功率。功率表将在广泛的波形、频率和功率因数范围上,准确测量有功功率、视在功率、无功负载、功率因数、谐波等等。为使功率分析仪提供良好的结果,必须能够正确识别布线配置,正确连接功率分析仪。


单相功率表连接

只要求一个功率表,如(图10)所示。系统与功率表电压端子和电流端子的连接简单明了。功率表的电压端子透过负载并连,电流通过与负载串联的电流端子输入。

三相电与两相电、单相电的区别你都不知道?原理和接法大全看这里!的图10
图10. 单相双线和DC测量


单相三相连接

在这个系统中,如图11所示,从一个中心分接的变压器线圈中产生电压,所有电压都同相。这在北美住宅应用中十分常见,其中提供了一个240 V电源和两个120V电源,在每条腿线上可能有不同的负载。为测量总功率和其它数量,应如(图11)所示连接两个功率表。

三相电与两相电、单相电的区别你都不知道?原理和接法大全看这里!的图11
图11.单相三线

布朗德尔定理:要求的功率表数量

在单相系统中,只有两根线。功率使用一个功率表测量。在三线系统中,要求两个功率表,如(图12)所示。

一般来说,要求的功率表数量 = 线数-1 

三相电与两相电、单相电的区别你都不知道?原理和接法大全看这里!的图12
图12. 三线Y形系统


验证三相Y形系统

功率表测量的瞬时功率是瞬时电压和电流样点之积。
  功率表1读数 = i1 (v1 - v3)
  功率表2读数 = i2 (v2 - v3)
   读数之和W1 + W2 = i1v1 - i1v3 + i2v2 - i2v3
           = i1v1 + i2v2 - (i1 + i2) v3
(根据基尔霍夫定律,i1 + i2 + i3 = 0, so i1 + i2 = -i3)
2个读数W1 + W2 = i1v1 + i2v2 + i3v3 = 总瞬时功率。
三相三线接法 - 两个功率表方法

在有三根线时,要求两个功率表测量总功率。根据图所示方法连接两相到功率表的电压端子。

三相电与两相电、单相电的区别你都不知道?原理和接法大全看这里!的图13
图13. 三相三线、两个功率表方法


三相三线接法 - 三个功率表方法

如前所述,尽管测量三线系统中的总功率只要求两个功率表,但有时可以方便地使用三个功率表。在如图所示的接法中,通过把所有三个功率表的电压低端子连接在一起,创建一个假中性线。

三相电与两相电、单相电的区别你都不知道?原理和接法大全看这里!的图14
图14. 三相三线(三个功率表方法,把分析仪设置成三相四线模式) 
三线三个功率表的接法的优势在于,它指明每一个相的功率(这在两个功率表的接法中是不可能的)以及相到中线电压。


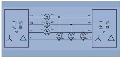
三相四线接法

测量四线系统中的总功率要求三个功率表。测得的电压是真实的相电压。通过使用矢量数学运算,可以从相电压的幅度和相位中准确地计算出相间电压。现代电源分析仪也使用基尔霍尔定律,计算流过中线的电流。

三相电与两相电、单相电的区别你都不知道?原理和接法大全看这里!的图15
图15. 三相四线(三个功率表方法)


配置测量设备

在线数一定(N)时,要求N-1个功率表测量整体电能质量,如功率。必须确保拥有足够数量的通道,且正确连接。
 
现代多通道功率分析仪将使用相应的内置公式,直接计算整体电能质量,如瓦特、伏特、安培、伏安和功率因数。公式根据布线配置选择,因此设置布线对获得良好的总功率测量至关重要。拥有矢量功能的功率分析仪还将把相电压(或Y形)分量转换成线电压(或三角形)分量。只能使用因数√3,实现系统间转换,或对均衡线性系统上只有一个功率表的测量定标。

了解布线配置、正确进行连接对功率测量至关重要。熟悉常用的布线系统,记住布朗德尔定理,将帮助您获得相应的连接以及可以依赖的结果。

登录后免费查看全文
立即登录
App下载
技术邻APP
工程师必备
  • 项目客服
  • 培训客服
  • 平台客服

TOP