新能源汽车的快充与慢充接口
2021年11月3日 15:08对于以电池作为动力的新能源汽车来说,充电是必不可少的环节,即使以后可能存在和加油一样的换电服务,但保守估计10年内还得依靠各种快充、慢充进行动力电池的补充。这次就简单为大家介绍一下新能源汽车的充电系统。
充电系统可分为常规充电和快速充电两种方式,从外观大小来看,其实充电口的分别非常简单,快充口大且为9孔,慢充口小且为7孔,这样就算是小白用户也不会插错。一般两个充电口会分别设计在车头和车尾,而部分车型也会将两个充电口设计在一起,例如车头或车尾。车主可根据充电时长需求来选择充电方式。
快速充电(快充)
快速充电为直流充电方式。充电电流要大一些,这就需要建设快速充电站,它并不要求把动力电池完全充满,只满足继续行驶的需要就可以了。这种充电模式下,在20~30min的时间里,只为动力电池充电50%~80%即可。地面充电桩(设备)直接输出直流电能给车载动力电池充电,电动汽车只需提供充电及相关通信接口。
快速充电的优点:充电时间短,充电车辆流动快,节省加电站停车场面积。
快速充电的缺点:充电效率较低,充电机制造、安装和工作成本较高;充电电流大,对充电的技术和方法要求高,对动力电池的寿命有负面影响;易造成动力电池异常,存在安全隐患,且大电流充电会对公用电网产生冲击,会影响电网的供电质量和安全。
常规充电(慢速)
这种充电模式为交流充电方式,由外部电网提供220V民用单相交流电源给电动汽车车载充电机,由车载充电机给动力电池充电,充满电一般需要5~8小时。
普通充电的优点:充电桩(充电盒)成本低、安装方便;可利用电网晚间的低谷电进行充电,降低充电成本;充电时段充电电流较小、电压相对稳定,能保证动力电池组安全并能延长动力电池的使用寿命。
普通充电的缺点:充电时间过长,难以满足车辆紧急运行的需求。
快充接口
DC+:直流电源正
DC -:直流电源负
PE:接地(搭铁)
S+:通讯CAN-H
S-:通讯CAN-L
CC1:充电连接确认
CC2:充电连接确认
A+:12V+
A-:12V-
其中CC1、CC2是如何确认是否连接正常呢?
下面是CC1充电桩连接检测原理图。
通过下面的图表可以知道,要判断连接是否正常,可以通过检测点的电压来确认,不同电压通过不同电阻分压获得。
检测点1S开关 |
||
电压 |
q头状态 |
q头与座状态 |
12V |
断开 |
断开 |
6V |
闭合 |
断开 |
6V |
断开 |
结合 |
4V |
闭合 |
结合 |
然后是CC2车辆控制装置连接确认原理图。
接通后,两电阻分压获得6V电压,否则获得12V电压。
以比亚迪e6举例,车辆充电时车身连接装置用,将外界电能传导、输入到动力电池。充电口盖有阻尼特性,即检测充电口上“CC1”对“PE”的阻值是否为1KΩ;同时,需要检测充电口到电源管理器的连接是否正常。
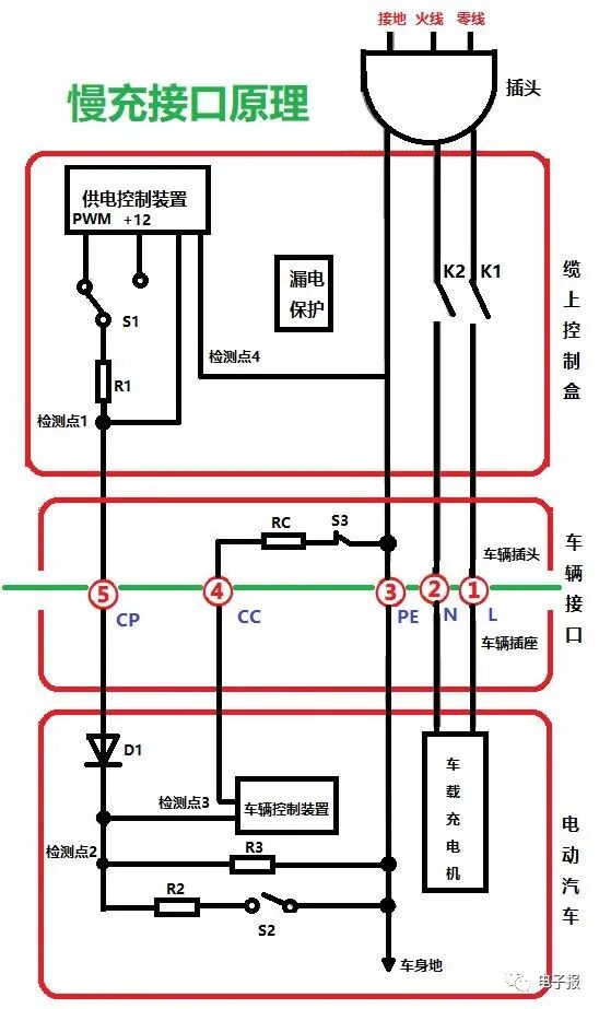
慢充接口
CC:车辆控制装置连接确认
CP:充电桩连接确认
PE:接地(搭铁)
L:三相交流电“U”
N:三相交流电“中性”
NC1:三相交流电“V”
NC2:三相交流电“W”
通常NC1与NC2是空的。
L、N就是接的我们家用220V的两根线。
其中CC、CP是如何确认是否连接正常呢?
“缆上控制盒”与“车辆控制装置”相互确认连接是否正确。
首先“缆上控制盒”会通过CP检测点1与检测点4,检测电压是否为12V。如果没有连接好,检测点4就没有搭铁,就检测不出电压,如果连接好了,检测点4通过PE就与车辆搭铁相通了,这时电压就是12V,有12V电后“缆上控制盒”就会让S1与PWM接通,否则S1是与+12接通。
接着,车辆控制装置会通过CC检测R3电阻来确认充电q与车辆插座是否连接,如果未连接好,电阻为无穷大,否则有相应电阻值。
在这里,车辆控制装置会设定车载充电机功率(一般都是厂家出厂默认设定好的):
车载充电装置,通过CP的占空比信号,判断缆上控制盒的最大充电电流,一般设定比例如下表。
PWM 占空比 D |
最大充电电流 Imax(A) |
D= 0% 连续-12V |
充电桩不可用 |
D=5% |
5%的占空比表示需要数字 |
通信,且需要在电能供应之前在充电桩与电动汽车之前建议通信 |
|
10% ≤ D ≤ 85% |
Imax=D*100*0.6 |
85% < D ≤ 89% |
Imax=(D*100-64)*2.5,且 Imax≤ 63A |
90% < D ≤ 97% |
预留 |
D=100%,连续正电压 |
不允许 |
同时车载充电装置,也会通过CC上的RC判断电缆额定容量。
RC |
充电电缆额定容量 |
1.5kΩ |
0.5W 10A |
680Ω |
0.5W 16A |
220Ω |
0.5W 32A |
100Ω |
0.5W 63A |
最后,车辆控制装置计算充电电缆额定容量与缆上控制盒的电流后,把车载充电机最大功率设为他们的最小值。
说了这么多,肯定有人要问:“为什么要配备两种充电接口?统一成一种不好吗?”这主要还是快充决定的。
要知道,车辆的充电过程并不仅仅是从电网到电池,中间需要经过充电桩,充电线缆、充电插头、车辆插座接口才能进入车辆。从前面的原理我们也了解到,对于交流充电,进到车辆之后,还并不是直接去往电池,中间还要经过车载充电机和BMS两道关卡。
对于快充而言,充电功率相比较交流充电,具体的充电电压和电流并没有限制,从20kW、40kW、60kW到200kW、250kW、350kW都有。只要输入(电网)和输出端(车辆)支持,可以做的很大。
电网的电能先进入充电桩,然后通过充电线缆来到车辆,大部分的充电线都固定在充电桩上,另一端是个q状的插头连接车辆(标准中将这种连接方式称为连接方式C)。
也有少部分充电桩是孤零零的,需要一根独立的线缆,两端分别接充电桩和车辆的(连接方式B);至于充电线缆固定在车辆上的方式(连接方式A)几乎没有应用。交流充电可以使用连接方式B和连接方式C,交流充电电流大于32A以及直流充电只能使用连接方式C。
由于车辆的电力系统是一个直流系统,所以交流充电时,交流电并不能够直接给电池充电,需要经过一个名叫车载充电机(OBC,On-board Charger)的部件,进行交直流转换并根据BMS的命令变压之后再提供给电池。
在这张车载充电机的构成图中,有两个核心部件——ACDC整流器和DCDC变压器(图中的功率单元)。前者用于将交流电转化为车辆电池可接受的直流电,后者的作用是调整直流电的电压。
根据BMS的命令,动态调整充电的电流电压,适配不同阶段电池的充电需求,比如恒流充电时,随着电池电量的提高,充电电压也需要随之提高。也负责转换低压,给12V的小电瓶充电。
而直流充电时,直流桩本身便是一个ACDC整流器加DCDC变压器,直接根据BMS的需求,在车辆外部转换交流电,替代了车载充电机的作用,因而直流充电桩也被称为非车载充电机。
大功率的交流桩
此外,我国国情也决定了大功率的交流桩很少。我国民用交流电网的电压为一个固定值,如果是单相便是220V,如果是三相就是380V(线电压)。交流充电电流国标有推荐值,10A/16A/32A/63A。同时标准规定单相充电电流不得超过32A,三相充电对电流大小没有具体规定,目前三相充电电流在16A到63A之间。
据此进行排列组合,我们可以算出2.2kW、3kW、7kW、11kW、21kW、41kW等充电功率。
220V单相充电最大功率是220V乘以32A约等于7kW。而三相充电最小也就是380乘以16乘以根号3约等于11kW。因为一般小区配电线路和容量支持到单相32A居多,因此,很多车型配套家充桩便是7kW。
大部分商用充电桩配电容量相对宽裕,为了更高的充电效率,流转率和经济效益,功率一般11kW起步,甚至还会更高一些。但380V 63A,功率达到41kW的交流桩却同样少见。
高规格的车载充电机
越大功率的交流充电桩,所需的车载充电机、车辆插座的规格也越高,重量,车内空间布置都会要求更高,车企的成本也会随之上升。车企很少会给车辆配备高规格的车载充电机。没有高规格的车载充电机,高功率的交流桩也就没有用武之地了。
随车充
这是万不得已的情况下,可以直接使用家用的普通三眼插座,有10A和16A两种规格。可以在不急用车时使用,优点是可充分利用电力低谷时段进行充电,降低充电成本;更为重要的优点是可对电池深度充电,提升电池充放电效率,延长电池寿命。
雨天充电
这个问题大可不必担心,在设计之初就已经考虑到雨天为车充电的情况了。无论是快充还是慢充,充电口都是凹进去的且采用向内倾斜的设计,同时四周还设计有绝缘密封圈。如果你担心会有少量雨水进入到充电口内,大可不必担心积水往上涌的问题,雨水会从下面的排水孔流出。
快/慢充充电口中的每个孔都有各自的作用。
以慢充为例,最上面的两个孔为监测孔(蓝框),这两个孔与充电q完全接触后才会有电流通过,剩下的五个孔只负责充电。充电q的各个孔之间都是彼此绝缘的,最上面的两个孔(①、②)中的连接部分,需要与车辆充电口上方的两个监测孔对接。而充电q这个连接部分设计的非常短,只有充电q与充电口完全接合,此时才会有电流通过,当刚要拔出充电q,上方监测部分最先断开并限制电流继续流通。
不光充电口有各项预防措施,充电q也是防水的,防尘放水级别为IP65级别。所以说一般的雨量甚至暴雨都不会对充电口造成危险的,除非车辆处于低洼地区,因积水没过充电口,才会发生短路的危险。
工程师必备
- 项目客服
- 培训客服
- 平台客服
TOP




















