电气线路是如何编号的?
2021年11月10日 11:44在配电柜中我们可以看到电线端子都是有编号的。有些编号只有数字,而有些编号是数字和字母组合而成,但是它们都有一定的规律。那么给端子编号的时候,有什么标准和规则呢?
线号编号原则
电气线路编号是根据“等电位”原则,按照“从左到右、从上到下”进行标注。也就是电位始终相等的两个点用同一个号码来标注,但是经过触点或者开关除外。因为当触点或者开关接通和断开时,它两端的电位是不同的。
比如同一条电线的头与尾,它们电位始终相等,那么它们的编号是一样的。同样,一条电线经过了开关。虽然开关在接通的时候两端电位相等,但是在断开时电位可能不一样,所以开关两端的编号也是不一样的。
为了便于维修和区别,交流电路和直流电流编号方法有一定的区别。我们先来说一下交流电路的编号方法。
交流电路编号规则
1. 主回路
在三相电路中,用个位数表示相序;字母表示功能线;百位表示电源回路。
比如:L表示火线,N表示中性线;U、V、W表示三相设备的接线端子;L1、L2、L3表示三相火线;1L1、1L2、1L3表示第一个回路的三相火线;2L1、2L2、2L3表示第二个回路的三相火线。公众号《机械工程文萃》,工程师的加油站!
2. 控制回路(二次回路)
编号一般采用字母和数字组合来表示该回路的作用及性质,有时候也采用纯数字来表示。对于字母的含义,这个和电气元件名称与符号里的字母一样。
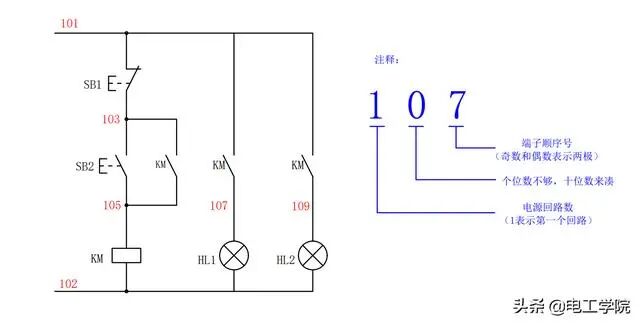
如果控制线路只有一个回路,那我们可以用一位数或者两位数来编号。以能耗元件(线圈、指示灯等)为分界点,上(左)端用奇数顺序(1、3、5…)来编号,下(右)端用偶数顺序(2、4、6…)来编号。
如果一位数不够用,那就用二位数来凑。比如某回路编号从1开始(1、3、5…),一直编到数字9还不够用,这时继续加一位数编,比如11、13、15…
如果二次回路有多个电源(回路)供电,就用百位数来区别不同回路。个位数和十位数和单回路编号方法一样。
举个例子
比如某设备控制线路只有一个回路,那么我们直接从一端以奇数开始编:1、3、5 … 9、11…等。
如果控制线路有多个电源回路,比如3个回路。那么我们可以用101来作为第一个回路的起始编号,用201来作为第二个回路的起始编号、用301来作为第三个回路的起始编号。那么第一个电源回路就是101、103、105 … ;第二个电源回路就是201、203、205 … ;第三个回路就是301、303、305 …
直流电路编号规则
对于直流电路,编号方法和交流电路类似。
如果控制线路只有一个回路,那我们可以用一位数或者两位数来编号。以能耗元件(线圈、电阻、电容等)为分界点,正极用奇数顺序(1、3、5…)来编号,负极用偶数(2、4、6…)顺序来编号。如果极性不明确,那编奇数和偶数都可以。
如果一位数不够用,那就用二位数来凑。对于不同电源回路,我们也可以采用三位数来编号。
万用表查找故障方法
前面我们讲了一下编号规则,如果我们掌握了编号规则,那么查找线路故障就显得游刃有余了。
查找线路故障一般有电压法和电阻法。电压法就是利用测电压来检测故障点,电阻法就是利用测电阻来查找故障。它们各有优势,如果对线路不熟悉,我们推荐用电阻法来判断故障,相对较安全。公众号《机械工程文萃》,工程师的加油站!
主线路电线比较少,判断故障比较容易,这里就拿控制线路来举例子。
在测量控制线路之前,先断开控制线路电源/熔断器,让控制线路和主线路分开。这样做的目的是在测控制线路时,不会受到主线路的干扰。
然后一个表笔放在控制回路的奇数起始编号(比如101),另外一个表笔放在控制回路的偶数起始编号(比如102),它们之间阻值应该无限大。然后按一下按钮开关SB2,这时应该是有一定的阻值(阻值等于线圈电阻)。如果阻值还是无限大,说明两个表笔之间不通、某个地方断了,那就接着往下查找。
空不出手来按按钮,我们可以用短电线或者其他金属物体把按钮短接起来,检测完以后再拆掉即可。
然后我们再按按钮,并测起始端子的下一个端子(103)和偶数起始编号(102)之间的电阻。如果有一定的阻值,说明101和103之间有断路。如果阻值还是无限大,说明103和102之间还是某个地方有断路,那就接着往下查找。
...以此类推,直到找到故障点...
因为编号规则决定尾数为奇数和偶数是两个不同极性线路,所以我们测以奇数结尾的端子和偶数结尾的端子,它们之间正常是有一定的电阻的。(当然前提是同一个电源回路)
工程师必备
- 项目客服
- 培训客服
- 平台客服
TOP




















