DC-DC转换器是一种电气系统(设备),它将直流(DC)源从一个电压电平转换为另一个电压电平。换句话说,DC-DC转换器将直流输入电压作为输入,并输出不同的直流电压。输出直流电压可以高于或低于直流输入电压。顾名思义,DC-DC转换器仅适用于直流(DC)源,而不适用于替代电流(AC)源。
DC-DC转换器也称为DC-DC电源转换器或电压调节器。
如果我们有两个电气系统,在不同的电压水平下工作,一个高电平(140 V),另一个低电平(14 V),DC-DC转换器可以将它们之间的电压从高转换为低或从低到高。从一个电压电平到另一个电压杠杆的转换是在一些功率损耗的情况下完成的。根据DC-DC转换器的工作点(电压和电流)和转换器的类型,效率可以在75%至95%或更高之间。
电池电动汽车(BEV)中的DC-DC转换器用于将高电池电压(例如400 V)转换为低直流电压(例如12 V),用于传统的12 V负载(灯,多媒体,电动车窗等)。
DC-DC转换器是一种功率转换器,它通过暂时存储输入能量,然后将该能量释放到不同电压的输出,将直流电源(DC)从一个电压电平转换为另一个电压电平。电能的存储可以在磁场存储组件(电感器,变压器)或电场存储组件(电容器)中完成。
直流-直流转换器的效率
电功率P [W]是电压U [V]和电流I [A]之间的乘积。
例如,如果输入电压Uin= 120 V,最大电流Iin= 5 A,这将给出输入功率:
由于电功率是守恒的(Pout=Pin),并且我们假设DC-DC转换器没有损耗(100%效率),对于输出电压Uout= 14 V,我们可以计算输出电流如下:

实际上,转换将产生一些损耗,最大输出电流将小于100%效率计算的电流。
有几种类型的DC-DC转换器。最常见的分类是从输入和输出电压之间的比率来看:
在升压DC-DC转换器中,输出电压高于输入电压。由于省电(如果我们忽略损耗),输出电流将低于输入电流。

在降压DC-DC转换器中,输出电压低于输入电压。由于省电(如果我们忽略损耗),输出电流将高于输入电流。

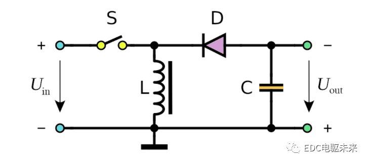
有多种类型的DC-DC转换器。DC-DC转换器最简单的形式是线性转换器,也称为线性稳压器。
线性稳压器只能用作降压DC-DC转换器,这意味着只会降低更高的电压电平。作为稳压器,它还可以确保输出电压保持在特定值,即使输出负载是可变的。
一种更有效的DC-DC转换器类型是开关DC-DC转换器。开关DC-DC转换器有几种拓扑结构,最常见的拓扑如下图所示。
在开关DC-DC转换器之前,通常使用线性转换器。线性稳压器(DC-DC转换器)有两种主要拓扑结构:并联稳压器和串联稳压器。在这种类型的稳压器中,晶体管作为相关电流源在有源区域工作,在高电流下具有相对较高的压降,消耗大量功率。由于高功率耗散,线性稳压器的效率通常较低。线性稳压器往往笨重而大,但具有低噪声水平的优点,适用于音频应用。
简单的并联稳压器,简称为并联稳压器,是一种稳压器,其中调节元件将电流分流到地。并联稳压器的工作原理是在其端子上保持恒定的电压,并吸收额外的电流来维持电气负载两端的电压。并联稳压器最常见的元件之一包含简单的齐纳二极管电路,其中齐纳二极管具有分流元件的作用。
简单的串联稳压器,也称为串联通稳压器,是在线性稳压电源中提供最终电压调节的最常用方法。该系列线性稳压器的特点是输出电压在低纹波和低噪声方面具有高水平的性能。
图片来源:线性DC-DC转换器
图片来源:Microchip
线性DC-DC转换器仅将较高电压转换为较低电压。在功耗方面,让我们看一个例子。如果输入电压为 42 V,输出电压为 12 V,输出电流为 5 A,则耗散功率 P [W] 的计算公式为:
所有耗散的功率都将转化为热量。如果没有适当的冷却,线性DC-DC转换器可能会过热并自行损坏。因此,线性DC-DC转换器通常用于低功耗应用。
在开关DC-DC转换器中,晶体管作为开关工作,这意味着它们比作为相关电流源运行的晶体管消耗的功率要少得多。当晶体管传导高电流时,晶体管两端的压降非常低,当晶体管两端的压降较高时,晶体管传导的电流几乎为零。因此,开关模式转换器的导通损耗低,效率高,通常在80%或90%以上。但是,开关损耗会降低高频下的效率,开关频率越高,功率损耗越高。
与线性转换器相比,开关型DC-DC转换器具有更好的效率,因为它们不会连续耗散功率。
降压DC-DC转换器,也称为降压DC-DC转换器,是一种DC-DC电源转换器,它降低输出电压,同时增加输出电流。它至少由四个部分组成:
在电动汽车应用中,降压DC-DC转换器用于将主电池的高电压(例如400 V)降低到车辆辅助系统(多媒体,导航,无线电,闪电,传感器等)所需的较低值(12-14 V)。
升压DC-DC转换器,也称为升压DC-DC转换器,是一种DC-DC电源转换器,它增加输出电压,同时降低输出电流。它包含与降压DC-DC转换器相同的元件,但采用不同的拓扑结构。
在一些混合动力电动汽车(HEV)应用中,升压DC-DC转换器用于将电池的电压从202 V升压至500 V。混合动力汽车(HEV)应用中的电池电压受到串联电池单元数量的限制。由于空间有限,电池串联的电池数量有限,因此输出电压也受到限制。使用升压DC-DC转换器,电池电压可以增加到电机所需的更高电压。
图像:降压-升压型DC-DC转换器原理图(反相拓扑)
在降压DC-DC转换器中,输出电压始终小于输入电压。另一方面,在DC-DC升压转换器中,输出电压始终大于输入电压。降压-升压型 DC-DC 转换器将两者结合在一起,其输出电压可以高于和降低输入电压,具体取决于施加到开关上的占空比。
逆变拓扑结构降压-升压型 DC-DC 转换器输出的极性与输入电压相反。输出电压由开关元件(晶体管)占空比的函数调节。
Ćuk DC-DC转换器是另一种类型的降压-升压转换器,可输出零纹波电流。Ćuk转换器可以看作是升压转换器和降压转换器的组合,具有一个开关器件和一个互电容器,以耦合能量。与具有反相拓扑结构的降压-升压转换器类似,非隔离式Ćuk转换器的输出电压通常为反相,相对于输入电压的值较低或较高。通常在DC-DC转换器中,电感器用作主要的储能元件,而在Ćuk转换器中,主要的储能元件是电容器。
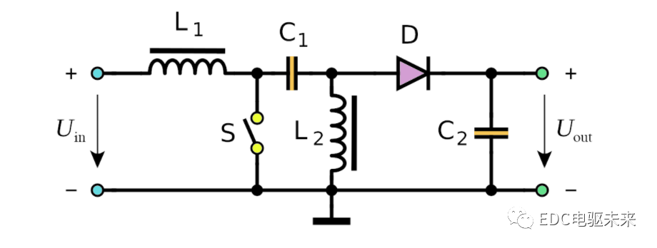
单端初级电感转换器(SEPIC)DC-DC转换器允许其输出端(U输出)的电势(电压)大于或小于输入电压(U输入)。SEPIC DC-DC转换器的输出由控制开关(S)的占空比控制。
SEPIC由一个升压转换器和一个反相降压-升压转换器组成,因此它类似于传统的降压-升压转换器,但具有非反相输出(输出具有与输入相同的电压极性)的优点,使用串联电容将能量从输入耦合到输出(因此可以更优雅地响应短路输出), 并且能够真正关断:当开关S足够关断时,输出(U输出)下降到0 V,随后发生了相当严重的瞬态电荷转储。
与 SEPIC DC/DC 转换器拓扑类似,Zeta DC-DC 转换器拓扑从高于和低于输出电压的输入电压提供正输出电压。Zeta转换器还需要两个电感器和一个串联电容,有时称为一个跨接电容。与配置标准升压转换器的SEPIC转换器不同,Zeta转换器由驱动高侧PMOS FET的降压控制器配置而成。Zeta转换器是调节非稳压输入电源的另一种选择。
在DC-DC转换器中,开关设备(S)必须打开和关闭电路。因此,它们有两个作用:作为电导体关闭电路,以及电绝缘体来断开/打开电路。这种双重功能定义了半导体是什么:一种能够以有效方式传导电流并阻挡电流的器件。
半导体的额定值取决于它们可以处理并仍然充当绝缘体的最大电压,以及可以在不损坏器件的情况下通过它们循环的最大电流。最大允许电流不仅取决于模块额定值,还取决于半导体的热特性。因此,根据电源模块封装以及所用散热器的不同,同一器件的最大允许电流可能会有所不同。
对于汽车应用,DC-DC转换器必须满足多种设计要求,例如:
在下面的文章中,我们将讨论DC-DC转换器的工作模式,推导它们的数学模型,并使用Scilab / Xcos执行仿真。
【免责声明】文章为作者个人观点,不代表EDC电驱未来立场。如因作品内容、版权等存在问题,请于本文布30日内联系EDC电驱未来进行删除或洽谈版权使用事宜。