最全面的综合布线系统施工工艺和技术措施
2022年1月26日 15:05前言
大家好,我是薛哥。综合布线系统是整个弱电工程的基础,我们看一个弱电工程的施工工艺好坏,主要看布线水平与设备安装水平。今天分享一套综合布线系统施工工艺,既可以作为技术交底资料,又可以作为投标技术方案,仅供参考学习。
终将渡过成长的海
01
正文
综合布线系统施工工艺和技术措施
1.1.1.工艺流程
1.1.2.施工前的环境检查
在安装工程开始以前应对交接间、设备间的建筑和环境条件进行检查,具备下列条件方可开工:
交接间、设备间、工作区土建工程已全部竣工。房屋地面平整、光洁,门的高度和宽度应不妨碍设备和器材的搬运,门锁和钥匙齐全。
线槽、钢管的位置、数量、尺寸均应符合设计及图纸要求。
交接间、设备间应提供可靠的施工电源和接地装置。
交接间、设备间的面积,环境温、湿度均符合设计要求和相关规定。
1.1.3.施工前的线材检验
施工前,施工单位应对工程所用线材规格、数量、质量进行检查,无出厂检验证明材料者或与设计不符不得在工程中使用。
1)线缆的检验要求
工程使用的对绞电缆和光缆规格、程式、形式应符合设计的规定和合同要求。
电缆所附标志、标签内容应齐全、清晰。
电缆外护套需完整无损,电缆应附有出厂质量检验合格证。如用户要求,应附有本批量电缆的电气性能检验报告。
电缆的电气性能应从本批量电缆的任意三盘中截出100m长度进行出样测试。
光缆开盘后应先检查光缆外表有无损伤,光缆端头封装是否良好。
长度测试:要求对每根光纤进行测试,测试结果应一致。如果在同一盘光缆中,光纤长度差异较大,则应从另一端进行测试或做通光检查以判定是否有断纤现象存在。
2)接插件的检验要求
接线排和信息插座及其他接插件的塑料材质应具有阻燃性。
光纤插座的连接器使用型号和数量、位置应与设计相符。
光纤插座面板应有发射(TX)和接收(RX)明显标志。
3)配线设备的使用应符合下列规定
电缆交接设备的型号、规格应符合设计要求。
光、电缆交接设备的编排及标志名称应与设计相符。各类标志名称应统一,标志位置正确、清晰。
有关对绞电缆电气性能、机械特性、光缆传输性能及接插件的具体技术指标和要求,应符合设计规范。
1.1.4.设备安装
机架安装
机架上的各种零件不得脱落或碰坏。漆面如有脱落应予以补漆,各种标志完整清晰。
机架的安装应牢固,应按施工图的防震要求进行加固。
安装机架面板,架前应留有1.5m空间,以便于安装和施工。
壁挂式机框底距地面宜为300~800mm。
配线设备机架安装
各直列垂直倾斜误差及底座水平误差不应过大,应符合规范要求。
接线端子各种标志应齐全。
各类接线模块安装
模块设备应完整,安装到位,标志齐全。
安装螺丝必须拧紧,面板应保持在一个水平面上。
信息插座安装
安装地面上,应固定在接线盒内,插座面板有直立和水平等形式;接线盒盖可开启,并应严密防水、防尘。接线盒盖面应与地面齐平。
安装在墙体上,宜高出地面300mm,如地面采用活动地板时,应加上活动地板内净高尺寸。
信息插座底座的固定方法以施工现场条件而定,宜采用扩张螺钉、射钉等方式。
固定螺丝需拧紧,不应产生松动现象。
信息插座应有标签,以颜色、图形或文字表示所接终端设备类型。
安装位置应符合设计要求。
根据标准要求安装位置距信息座不小于10厘米。RJ45埋入式信息插座与其旁边电源插座应保持20cm的距离。
1.1.5.线缆的敷设
1)线缆的敷设一般应满足如下要求
缆线的布放应自然平直,不得产生扭绞、打圈、接头等现象,不应受外力的挤压和损伤。
缆线两端应贴有标签,应标明编号,标签书写应清晰、端正和正确。标签应选用不易损坏的材料。
缆线应有余量以适应终接、检测和变更。对绞电缆预留长度:弱电间宜为0.5~2m,设备间宜为3~5m;光缆布放路由宜盘留,预留长度宜为3~5m,有特殊要求的应按设计要求预留长度。
2)缆线的弯曲半径应符合下列规定:
非屏蔽4对对绞电缆的弯曲半径应至少为电缆外径的4倍。
主干对绞电缆的弯曲半径应至少为电缆外径的10倍。
2芯或4芯水平光缆的弯曲半径应大于25mm;其他芯数的水平光缆、主干光缆和室外光缆的弯曲半径应至少为光缆外径的10倍。
3)缆线间的最小净距应符合设计要求:
电源线、综合布线系统缆线应分隔布放,并应符合下表的规定:
条件 |
最小净距(mm) |
||
380V,<2kV·A |
380V,2~5kV·A |
380V,>5kV·A |
|
对绞电缆与电力电缆平行敷设 |
130 |
300 |
600 |
有一方在接地的金属槽道或钢管中 |
70 |
150 |
300 |
双方均在接地的金属槽道或钢管中 |
10 |
80 |
150 |
综合布线缆线及管线与其他管线的间距:
管线种类 |
平行净距(mm) |
垂直交叉净距(mm) |
避雷引下线 |
1000 |
300 |
保护地线 |
50 |
20 |
热力管(不包封) |
500 |
500 |
热力管(包封) |
300 |
300 |
给水管 |
150 |
20 |
煤气管 |
300 |
20 |
压缩空气管 |
150 |
20 |
4)预埋线槽和暗管敷设缆线应符合下列规定:
布放大对数主干电缆及4芯以上光缆时,直线管道的管径利用率应为50%~60%,弯管道应为40%~50%。
暗管布放4对对绞电缆或4芯及以下光缆时,管道的截面利用率应为25%~30%。
5)缆线桥架和线槽敷设缆线应符合下列规定:
缆线桥架内缆线垂直敷设时,在缆线的上端和每间隔1.5m处应固定在桥架的支架上;水平敷设时,在缆线的首、尾、转弯及每间隔5~l0m处进行固定。
在水平、垂直桥架中敷设缆线时,应对缆线进行绑扎。
对绞电缆、光缆及其他信号电缆应根据缆线的类别、数量、缆径、缆线芯数分束绑扎。绑扎间距不宜大于1.5m ,间距应均匀,不宜绑扎过紧或使缆线受到挤压。
1.1.6.六类线缆的布放
1)六类双绞线的安装,应该注意:
不要在安装前先把线从线轴上放下来。
线缆应该从线轴上拉出直接放到线槽中。
在施工中,线缆端点应该封上。
不能在线缆上施以足以使线缆表面或导线上留下永久痕迹的力量。
在施工过程中不能对线缆使用热吹风机或气焊q等加热方法。
线槽拐弯时应该保证足够大的转弯半径。
2)开放式环境
如果线缆布线在开放环境中,应该保证它们不被破坏,传输质量也不受损害。应用线捆或U型片固定,但固定时不要过紧,以避免线缆受损。
3)穿墙
在穿墙时,在墙面开孔处,应该消除墙面上的棱角,以免损伤线缆外皮,同时,在施工中,尽可能保持足够的弯曲半径。
4)施工参数
最小弯曲半径8~10cm线缆半径
最大暴露双绞长度4~5cm
线上不得负载重物
线缆外皮完整,不扭曲,不破损,不折皱
5)最大拉力
1×4Pair 100N(10kg)
2×4Pair 150N
3×4Pair 200N
N×4Pair N×50+100N
最大拉力不超过400N(不管多少对线)
1.1.7.光缆布放
光缆是通过玻璃芯而不是通过铜来传播信号的。由于光缆的缆芯是玻璃的,与铜缆相比是易碎的,因此在敷设光缆时有许多特殊要求,安装人员要特别小心谨慎。
弯曲光缆时不能超过最小的弯曲半径。
敷设光缆的牵引力不要超过最大的敷设张力。当光纤受到不均匀侧面压力时,光纤损耗将明显增大,因此,敷设时应控制光缆的敷设张力,避免使光纤受到过度的外力(弯曲、侧压、牵拉、冲击等),这是提高工程质量所必须注意的两个问题。
两种缆的连接方式不同,铜线连接比较容易,这种连接是电接触式的;光纤连接就比较困难,它不仅要求接触,而且还必须使两个接触端完全地对准,否则将会产生较大的损耗。
因此,必须由专门人员接续光纤以使光纤损耗为最小。
1)布放光缆时应注意
由于光缆传输系统存在伤害眼睛的潜在危险性,所以不要断开光缆、或断头拼接和凝视光缆终端连接器。
未受过严格培训的人员不能去操作已安装好的光缆传输系统。
遇到问题及时向管理人员报告,由管理人员安排经过严格培训的安装人员和维修人员去修理或替换光缆。
由于光缆端头是尖的,容易划破皮肤和衣服,当保护套从光纤上拆掉后更容易发生。
由于光纤的直径很小,当光纤切开保护层和收拾节碎的短节光纤时要特别小心。
2)布放程序
不管是在光缆管道中单独敷设光缆或将光缆与其他缆敷设在一条管道中,在敷设光缆时必须保证最小的弯曲半径和最大张力的规定。
1.1.8.线缆终接
1)缆线终接应符合下列要求
缆线在终接前,必须核对缆线标识内容是否正确。
缆线中间不应有接头。
缆线终接处必须牢固、接触良好。
对绞电缆与连接器件连接应认准线号、线位色标,不得颠倒和错接。
2)对绞电缆终接应符合下列要求
终接时,每对对绞线应保持扭绞状态,扭绞松开长度对于3类电缆不应大于75mm;对于5类电缆不应大于13mm;对于6类电缆应尽量保持扭绞状态,减小扭绞松开长度。
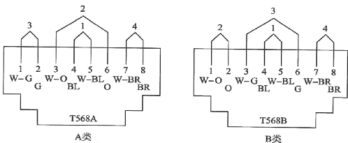
对绞线与8位模块式通用插座相连时,必须按色标和线对顺序进行卡接。插座类型、色标和编号应符合T568A/T586B的规定。
两种连接方式均可采用,但是在同一布线工程中,两种连接方式不应混合使用。本工程采用T586B的连接方式。
G:绿色;BL:蓝色;W:白色;BR:棕色;O:橙色;
屏蔽对绞电缆的屏蔽层与连接器件终接处屏蔽罩应通过紧固器件可靠接触,缆线屏蔽层应与连接器件屏蔽罩360°圆周接触,接触长度不宜小于l0mm。
屏蔽层不应用于受力的场合。
对不同的屏蔽对绞线或屏蔽电缆,屏蔽层应采用不同的端接方法。
应对编织层或金属箔与汇流导线进行有效的端接。
每个2口86面板底盒宜终接2条对绞电缆或1根2芯/4芯光缆,不宜兼做过路盒使用。
光缆终接与接续
光纤与连接器件连接可采用尾纤熔接、现场研磨和机械连接方式。
光纤与光纤接续可采用熔接和光连接子(机械)连接方式。
本工程光纤的接续采用熔接方式。
光缆芯线终接
采用光纤连接盘对光纤进行连接、保护,在连接盘中光纤的弯曲半径应符合安装工艺要求。
光纤熔接处应加以保护和固定。
光纤连接盘面板应有标志。
光纤连接损耗值,应符合下表的规定:
连接类别 |
多模 |
单模 |
||
平均值 |
最大值 |
平均值 |
最大值 |
|
熔接 |
0.15 |
0.3 |
0.15 |
0.3 |
机械连接 |
0.3 |
0.3 |
||
各类跳线的终接应符合下列规定:
各类跳线缆线和连接器件间接触应良好,接线无误,标志齐全。跳线选用类型应符合系统设计要求。
各类跳线长度应符合设计要求。
1.1.9.系统测试
施工完成后,我们对系统进行两种测试:
线路测试:采用专用的六类电缆测试仪对标准所规定的布线系统的各项技术指标进行测试,包括所有信息点的接线图、长度、串扰、衰减量等指标。
联机测试:选取若干个工作站,进行实际的联网测试。
整个布线系统包括双绞线和光纤两种线路,每条链路我们都要用专用的测试仪测试。
测试的标准
双绞线连接:根据ISO/11801和TIA/EIA 568B六类测试要搭配相应厂商的适配模块。
光纤连接:根据ISO/11801国际标准Optical Class之要求制定。
测试的模型
测试采用永久链路连接模型,链路连接图如下:
测试的指标
测试主要包括:
l连接图
l长度
l衰减
l近端串音
l近端串音功率
l衰减串音比
l衰减串音比功率和
l等电平远端串音
l等电平远端串音功率和
l回波损耗
l传播时延
l传播时延偏差
l插入损耗
l直流环路电阻
类链路测试项目及性能指标
1)回波损耗(RL)
布线系统永久链路或CP链路每一线对和布线两端的回波损耗值应符合下表的规定。
永久链路或CP链路回波损耗值:
级别 |
频率(MHz) |
最小回波损耗(dB) |
C |
1≤f≤16 |
15.0 |
D |
1≤f<20 |
19.0 |
20≤f≤100 |
32—10 lg(f) |
|
E |
1≤f%10 |
21.0 |
10≤f<40 |
26—5 lg(f) |
|
40≤f≤250 |
34—10 lg(f) |
|
F |
1≤f<10 |
21.0 |
10≤f<40 |
26—5 19(f) |
|
40≤f<251.2 |
34—10 lg(f) |
|
251.2≤f≤600 |
10.0 |
永久链路回波损耗测量值:
频率 (MHz) |
最小回波损耗(dB) |
|||
C级 |
D级 |
E级 |
F级 |
|
1 |
15.0 |
19.0 |
21.0 |
21.0 |
16 |
15.0 |
19.0 |
20.0 |
20.0 |
100 |
12.0 |
14.0 |
14.0 |
|
250 |
10.0 |
10.0 |
||
600 |
10.0 |
|||
2)插入损耗(IL)
布线系统永久链路或CP链路每一线对的插入损耗值,永久链路插入损耗测量值如下:
频率(MHz) |
最小NEXT(dB) |
|||||
A级 |
B级 |
C级 |
D级 |
E级 |
F级 |
|
0.1 |
16.5 |
5.5 |
||||
1 |
5.8 |
4.0 |
4.0 |
4.0 |
4.0 |
|
16 |
12.2 |
7.7 |
7.1 |
6.9 |
||
100 |
20.4 |
18.5 |
17.7 |
|||
250 |
30.7 |
28.8 |
||||
600 |
46.6 |
|||||
3)近端串音(NExT)
布线系统永久链路或CP链路每一线对和布线两端的近端串音值可参考下表所列的关键频率测量值:
频率 (MHz) |
最小NEXT(dB) |
|||||
A级 |
B级 |
C级 |
D级 |
E级 |
F级 |
|
0.1 |
27.0 |
40.0 |
||||
1 |
25.0 |
40.1 |
60.0 |
65.0 |
65.0 |
|
16 |
21.1 |
45.2 |
54.6 |
65.0 |
||
100 |
32.3 |
41.8 |
65.0 |
|||
250 |
35.3 |
60.4 |
||||
600 |
54.7 |
|||||
4)近端串音功率和(PS NEXT)
只应用于布线系统的D、E、F级,布线系统永久链路或CP链路每一线对和布线两端的近端串音功率和值可参考下表所列的关键频率测量值:
频率 (MHz) |
最小PS NEXT(dB) |
||
D级 |
E级 |
F级 |
|
1 |
57.0 |
62.0 |
62.0 |
16 |
42.2 |
52.2 |
62.0 |
100 |
29.3 |
39.3 |
62.0 |
250 |
32.7 |
57.4 |
|
600 |
51.7 |
||
5)线对与线对之间的衰减串音比(ACR)
只应用于布线系统的D、E、F级,布线系统永久链路或CP链路每一线对和布线两端的ACR值可用以下计算公式进行计算,并可参考下表所列关键频率的ACR测量值。线对i与线对k间ACR值的计算公式:
ACRik=NEXTik—Ilk
式中i—线对号;k一线对号;NEXTik一线对i与线对k间的近端串音;ILk一线对k的插入损耗。
永久链路ACR测量值:
频率(MHz) |
最小ACR(dB) |
||
D级 |
E级 |
F级 |
|
1 |
56.0 |
61.0 |
61.0 |
16 |
37.5 |
47.5 |
58.1 |
100 |
11.9 |
23.3 |
47.3 |
250 |
4.7 |
31.6 |
|
600 |
8.1 |
||
6)ACR功率和(PS ACR)
布线系统永久链路或CP链路每一线对和布线两端的PS ACR值可用以下计算公式进行计算,并可参考下表所列关键频率的PS ACR测量值。
线对k的PS ACR值计算公式:
PS ACRk=PS NEXTk—Ilk(B.0.5-2)
式中k—线对号;PS NEXTk—线对k的近端串音功率和;ILk—线对k的插入损耗。
永久链路PS ACR测量值:
频率 (MHz) |
最小PSACR(dB) |
||
D级 |
E级 |
F级 |
|
1 |
53.0 |
58.0 |
58.0 |
16 |
34.5 |
45.1 |
55.1 |
100 |
8.9 |
20.8 |
44.3 |
250 |
2.0 |
28.6 |
|
600 |
5.1 |
||
7)线对与线对之间等电平远端串音(ELFEXT)
只应用于布线系统的D、E、F级。布线系统永久链路或CP链路每一线对的等电平远端串音值应可参考表B.0.5-12所列的关键频率测量值。
永久链路等电平远端串音测量值:
频率 (MHz) |
最小ELFEXT(dB) |
||
D级 |
E级 |
F级 |
|
1 |
58.6 |
64.2 |
65.0 |
16 |
34.5 |
40.1 |
59.3 |
100 |
18.6 |
24.2 |
46.0 |
250 |
16.2 |
39.2 |
|
600 |
32.6 |
||
8)等电平远端串音功率和(PS ELFEXT)
布线系统永久链路或CP链路每一线对的PS ELFEXT值可参考下表所列的关键频率测量值。
永久链路PS ELFEXT测量值:
频率 (MHz) |
最小PS ELFEXT(dB) |
||
D级 |
E级 |
F级 |
|
1 |
55.6 |
61.2 |
62.0 |
16 |
31.5 |
37.1 |
56.3 |
100 |
15.6 |
21.2 |
43.0 |
250 |
13.2 |
36.2 |
|
600 |
29.6 |
||
9)直流(DC)环路电阻
布线系统永久链路或CP链路每一线对的直流环路电阻应符合下的规定,并可参考下表所列的测量值。
永久链路或CP链路直流环路电阻值:
级别 |
最大直流环路电阻(n) |
A |
530 |
B |
140 |
C |
34 |
D |
(L/100)×22+n×0.4 |
E |
(L/100)×22+n×0.4 |
F |
(L/100)×22+n×0.4 |
注:L=LFC+LcpY
LFC—固定电缆长度(m);LCP—CP电缆长度(m);n-2对于不包含CP点的永久链路的测试或仅测试CP链路;n-3对于包含CP点的永久链路的测试;Y—CP电缆衰减(dB/m)与固定水平电缆衰减(dB/m)比值。
永久链路直流环路电阻测量值:
最大直流环路电阻(Ω) |
|||||
A级 |
B级 |
C级 |
D级 |
E级 |
F级 |
530 |
140 |
34 |
21 |
21 |
21 |
10)传播时延
布线系统永久链路或CP链路每一线对的传播时延应符合下表的规定并可参考表下表所列的关键频率测量值。
永久链路或CP链路传播时延值:
级别 |
频率(MHz) |
最大传播时延(us) |
A |
f=0.1 |
19.400 |
B |
0.1≤f<1 |
4.400 |
C |
1≤f≤16 |
(L/100)×(o.534+o.036/√f)+n×0.0025 |
D |
1≤f≤100 |
(L/100)×(o.534+0.036/√f)+n×0.0025 |
E |
1≤f≤250 |
(L/100)×(o.534+0.036A/√f)+nX 0.0025 |
F |
1≤f≤600 |
(L/100)×(o.534+0.036/√f)+n×0.0025 |
注:L= LFC +Lcp
LFC—固定电缆长度(m);LCP—CP电缆长度(m);n-2对于不包含CP点的永久链路的测试或仅测试CP链路;n-3对于包含CP点的永久链路的测试。
永久链路传播时延测量值:
频率 (MHz) |
最大传播时延(us) |
|||||
A级 |
B级 |
C级 |
D级 |
E级 |
F级 |
|
0.1 |
19.400 |
4.400 |
||||
1 |
4.400 |
0.521 |
0.521 |
0.521 |
0.521 |
|
16 |
0.496 |
0.496 |
0.496 |
0.496 |
||
100 |
0.491 |
0.491 |
0.491 |
|||
250 |
0.490 |
0.490 |
||||
600 |
0.489 |
|||||
11)传播时延偏差
布线系统永久链路或CP链路所有线对间的传播时延偏差应符合下表的规定,并可参考下表所列的测量值。
永久链路或CP链路传播时延偏差:
级别 |
频率(MHz) |
最大时延偏差(us) |
A |
f=0.1 |
|
B |
0.1≤f≤1 |
|
C |
1≤f≤16 |
(L/l00)×o.045+n×0.00125 |
D |
14≤f≤l00 |
(L/100)×0.045+"×0.00125 |
E |
1≤f≤250 |
(L/100)×0.045+n×0.00125 |
F |
1≤f≤600 |
(L/100)×0.025+n×0.00125 |
注:L= LFC +Lcp
LFC—固定电缆长度(m);LCP—CP电缆长度(m);n-2对于不包含CP点的永久链路的测试或仅测试CP链路;n-3对于包含CP点的永久链路的测试。
永久链路传播时延偏差测量值:
等级 |
频率(MHz) |
最大时延偏差(us) |
A |
F=0.1 |
|
B |
0.1≤f≤1 |
|
C |
1≤f≤16 |
0.044① |
D |
1≤f≤100 |
0.044① |
E |
1≤f≤250 |
0.044① |
F |
14f≤600 |
0.026② |
光纤链路测试
测试前应对所有的光连接器件进行清洗,并将测试接收器校准至零位。
测试应包括以下内容:
在施工前进行器材检验时,一般检查光纤的连通性,必要时宜采用光纤损耗测试仪(稳定光源和光功率计组合)对光纤链路的插入损耗和光纤长度进行测试。
对光纤链路(包括光纤、连接器件和熔接点)的衰减进行测试,同时测试光跳线的衰减值可作为设备连接光缆的衰减参考值,整个光纤信道的衰减值应符合设计要求。
测试按下图进行连接。
在两端对光纤逐根进行双向(收与发)测试,连接方式见下图。
光缆可以为水平光缆、建筑物主干光缆和建筑群主干光缆。
光纤链路中不包括光跳线在内。
布线系统所采用光纤的性能指标及光纤信道指标应符合设计要求。不同类型的光缆在标称的波长,每公里的最大衰减值应符合下表的规定。
光缆衰减:
最大光缆衰减(dB/km) |
||
项目 |
OM2及OM3多模 |
|
波长 |
850 nm |
1300 nm |
衰减 |
3.5 |
1.5 |
光缆布线信道在规定的传输窗口测量出的最大光衰减(介入损耗)应不超过下表的规定,该指标已包括接头与连接插座的衰减在内。
光缆信道衰减范围:
级别 |
最大信道衰减(dB) |
|
多模 |
||
850nm |
1300nm |
|
OF-300 |
2.55 |
1.95 |
OF-500 |
3.25 |
2.25 |
OF-2000 |
8.50 |
4.50 |
注:每个连接处的衰减值最大为1.5dB。
光纤链路的插入损耗极限值可用以下公式计算:
光纤链路损耗=光纤损耗+连接器件损耗+光纤连接点损耗
光纤损耗=光纤损耗系数(dB/km)×光纤长度(km)
连接器件损耗=连接器件损耗/个×连接器件个数
光纤连接点损耗=光纤连接点损耗/个×光纤连接点个数
光纤链路损耗参考值:
种类 |
工作波长(nm) |
衰减系数(dB/km) |
多模光纤 |
850 |
3.5 |
多模光纤 |
1300 |
1.5 |
连接器件衰减 |
0.75dB |
|
光纤连接点衰减 |
0.3 dB |
|
所有光纤链路测试结果应有记录,记录在管理系统中并纳入文档管理。
1.1.10.测试仪器
我公司采用专业公司的新型双绞线测试仪来测试双绞线线路,光纤测试仪器测试光纤链路。保证线路的质量。
1.1.11.综合布线系统工程检验项目及内容
阶段 |
验收项目 |
验收内容 |
验收方式 |
施工前检查 |
1.环境要求 |
(1)土建施工情况:地面、墙面、门、电源插座及接地装置;(2)土建工艺:机房面积、预留孔洞;(3)施工电源;(4)地板铺设;(5)建筑物人口设施检查 |
施工前检查 |
2.器材检验 |
(1)外观检查;(2)型式、规格、数量;(3)电缆及连接器件电气性能测试;(4)光纤及连接器件特性测试;(5)测试仪表和工具的检验 |
||
3.安全、防火要求 |
(1)消防器材;(2)危险物的堆放;(3)预留孔洞防火措施 |
||
设备安装 |
1.电信间、设备间、设备机柜、机架 |
(1)规格、外观;(2)安装垂直、水平度;(3)油漆不得脱落标志完整齐全;(4)各种螺丝必须紧固;(5)接地措施 |
随工检验 |
2.配线模块及8位模块式通用插座 |
(1)规格、位置、质量;(2)各种螺丝必须拧紧; (3)标志齐全;(4)安装符合工艺要求;(5)屏蔽层可靠连接 |
||
电、光缆布放 |
1.电缆桥架及线槽布放 |
(1)安装位置正确;(2)安装符合工艺要求;(3)符合布放缆线工艺要求;(4)接地 |
|
2.缆线暗敷(包括暗管、线槽、地板下等方式) |
(1)缆线规格、路由、位置;(2)符合布放缆线工艺要求;(3)接地 |
隐蔽工程签证 |
|
缆线终接 |
1.8位模块式通用插座 |
符合工艺要求 |
|
2.光纤连接器件 |
符合工艺要求 |
||
3.各类跳线 |
符合工艺要求 |
随工检验 |
|
4.配线模块 |
符合工艺要求 |
||
系统测试 |
1.工程电气性能测试 |
(1)连接图;(2)长度;(3)衰减;(4)近端串音;(5)近端串音功率和;(6)衰减串音比;(7)衰减串音比功率和;(8)等电平远端串音;(9)等电平远端串音功率和;(10)回波损耗;(11)传播时延;(12)传播时延偏差;(13)插入损耗; |
竣工检验 |
2.光纤特性测试 |
(1)衰减(0.2~0.35dB/km);(2)长度(<300M) |
||
系统管理 |
1.管理系统级别 |
符合设计要求 |
竣工检验 |
2.标识符与标签设置 |
(1)专用标识符类型及组成;(2)标签设置;(3)标签材质及色标 |
||
3.记录和报告 |
(1)记录信息;(2)报告;(3)工程图纸 |
||
工程总验收 |
1.竣工技术文件 |
清点、交接技术文件 |
|
2.工程验收评价 |
考核工程质量,确认验收结果 |
1.1.12.系统管理验收
综合布线系统工程的技术管理涉及综合布线系统的工作区、电信间、设备间、进线间、入口设施、缆线管道与传输介质、配线连接器件及接地等各方面。
综合布线系统应在需要管理的各个部位设置标签,分配由不同长度的编码和数字组成的标识符,以表示相关的管理信息。
标识符可由数字、英文字母、汉语拼音或其他字符组成,布线系统内各同类型的器件与缆线的标识符应具有同样特征(相同数量的字母和数字等)。
标签的选用应符合以下要求:
选用粘贴型标签时,缆线应采用环套型标签,标签在缆线上至少应缠绕一圈或一圈半,配线设备和其他设施应采用扁平型标签;
标签衬底应耐用,可适应各种恶劣环境;
不可将民用标签应用于综合布线工程;
插入型标签应设置在明显位置、固定牢固;
系统中所使用的区分不同服务的色标应保持一致,对于不同性能缆线级别所连接的配线设备,可用加强颜色或适当的标记加以区分。
记录信息包括所需信息和任选信息,各部位相互间接口信息应统一。
管线记录包括管道的标识符、类型、填充率、接地等内容。
缆线记录包括缆线标识符、缆线类型、连接状态、线对连接位置、缆线占用管道类型、缆线长度、接地等内容。
连接器件及连接位置记录包括相应标识符、安装场地、连接器件类型、连接器件位置、连接方式、接地等内容。
接地记录包括接地体与接地导线标识符、接地电阻值、接地导线类型、接地体安装位置、接地体与接地导线连接状态、导线长度、接地体测量日期等内容。
报告可由一组记录或多组连续信息组成,以不同格式介绍记录中的信息。报告应包括相应记录、补充信息和其他信息等内容。
综合布线系统工程竣工图纸应包括说明及设计系统图、反映各部分设备安装情况的施工图。
竣工图纸应表示以下内容:
安装场地和布线管道的位置、尺寸、标识符等。
设备间、电信间、进线间等安装场地的平面图或剖面图及信息插座模块安装位置。
缆线布放路径、弯曲半径、孔洞、连接方法及尺寸等。
工程师必备
- 项目客服
- 培训客服
- 平台客服
TOP




















