交流接触器自锁原理,一看就懂!
2022年3月4日 16:49交流接触器原理是得电吸合,主触点闭合导通,电机运行,本文介绍交流接触器自锁电路,什么是接触器自锁?首先我们来看下图片。
1
停止按钮
停止按钮接线要接常闭触点,什么叫常闭?你们可以这样理解,停止按钮如果我们不按它,停止按钮一直是通的,按下停止按钮断开,松开停止按钮还是通的,这样很好理解吧!
2
启动按钮
启动按钮我们接线要接常开触点,常开你也可以跟停止按钮一样理解,启动按钮我们不按一直是断开的,按动启动按钮,线路通,松开以后线路断开,启动按钮和停止按钮也就是一瞬间的断开和连通,这样理解!
3
熔断器
你可以把它当作一个保险丝,很好理解吧!
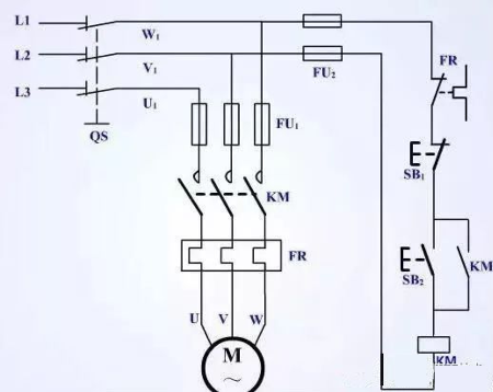
原理介绍:
图中我们可以看到断路器,接触器,两个按钮,一个停止按钮,一个启动按钮,既然是接触器自锁电路,我们用到启动按钮,既然能启动肯定要停止,所以我们用到停止按钮常闭。
接线步骤:
断路器2p的,蓝色零线进接触的线圈A1,火线进红色按钮=停止按钮常闭,作用停止电路,经过停止按钮是常闭出来两根线,一根进接触器的辅助触点常开NO(这里说明接触器L1--L2---L3接触器主触点)。经过辅助触点常开NO进到线圈A2,另一根进启动按钮的常开,作用启动。启动按钮常开出线进接触器的线圈A2。
运行演示:
按下启动按钮SB2,接触器线圈得电,同时接触器主触点闭合,辅助触点闭合。主线路电源经过熔断器到接触器触点,到热继电器,到电路,接触器辅助触点闭合,这时接触器由于辅助触点闭合控制电路一直得电。
原理解析:
控制电路,由于控制电路串热继电器常闭触点,所以电源经过热继电器常闭接触器KM辅助触点,当我们按下启动按钮的时候,接触器辅助触点闭合电源经过接触器辅助触点到接触器线圈。所以接触器一直得电运行,电机保持运行状态。
停止按下停止按钮SB1,控制电路由于停止按钮常闭断开,所以整个控制电路失电,接触器线圈失电,主触点回到初始状态,辅助触点回到初始状态,这就是接触器自锁电路。如需要再次启动,按下启动按钮即可,工作流程如上面一样。
380伏交流接触器有三个主触头也就是电源进线和负载端出线,进线分别是三相火线L1 L2和L3,负载端出线分别是T 1 T 2和T 3,接触器主触头进线和出线上下一一对应,分别是L 1对应T 1,L 2对应T 2 L 3对应T 3,主触头在接触器不吸合的状态下是常开状态。
接下来我们来了解一下什么是常开~
常开的意思就是说触点是断开的,不联通的,常闭的意思就是说触点是联通的,常开和常闭一定要充分理解才可以。
接触器还有一个常开辅助触头,也就是右方的第四个接触器触点,上下也是一一对应,接触器不吸合一直是常开状态,辅助触头的作用就是辅助按钮控制接触器的,而主触头的作用是控制负载端的,所以分为主触头和辅助触头。
那接触器怎样才能吸合运转呢?
要想接触器吸合那只有让接触器线圈通电,接触器才会吸合,交流接触器线圈电压有220伏的也有380伏,线圈电压接线的两个触点分别是A 1和A 2,也就是说线圈A 1和A 2只要有电,形成220伏或者380伏电压接触器就会吸合,这样应该很好理解。
线圈的位置在接触器的后方中间的位置,它的作用就是通电以后线圈产生电磁,而在接触器前方中间的位置有块衔铁,接触器线圈通电产生电磁以后开始吸住前方衔铁,而衔铁又推动接触器主触头和辅助触头的上下触点,所以接触器常开触点变为常闭触点,常闭触点会变为常开触点。
而我们用接触器自锁的主触头触点和辅助触头触点都是常开触点,所以接触器吸合以后接触器的触点都变为常闭触点,也就是接触器上方四个触点和下方四个触点联通,联通以后接触器负载端就会有电,负载端开始运转,线圈断电以后不产生电磁,所以也就吸不住衔铁,而线圈和衔铁中间还有一个弹簧,会自动把线圈和衔铁弹开回到原来位置,所以接触器常闭状态又回到原来常开的状态,接触器上方和下方触点断开,负载停止运转,这就是接触器的原理,应该都理解了吧!
下面我们了解一下按钮,按钮都有一组常开和一组常闭,停止按钮我们要接常闭触点,启动按钮我们要接常开触点,按钮按下常开变为常闭,常闭变为常开,按钮松开常开和常闭又回到原来的位置,这个很好理解吧!
从上可知接触器自锁电路图还有很多元件,比如热继电器,熔断器,指示灯等等,这些原件我以后会一一讲解,今天我们主要讲解自锁接线,如果原件太多你们可能不好理解,所以我们把接触器的元件去掉,只讲接触器自锁。
380伏接触器自锁主触头接线上方三个接三相电源,下方接负载端,线圈A 1跟接触器L 1联通也就是线圈A 1长带电,我们通过控制接触器线圈A 2电源来达到控制接触器的目的,电源L 3经过断路器或者熔断器到了停止按钮,停止按钮我们要接常闭触点,也就是一直联通的,然后电源到了启动按钮常开点。
启动按钮常开点出来到了接触器辅助触头上方,又跟接触器线圈A 2联通如图然后启动按钮常开上线又分出一根线到了接触器辅助触头下方,这根线是很重要的,因为停止按钮我们接的是常闭,不按它就是一直联通的,所以辅助触头下方是常带电的,下面我们说一下原理。
我们按下启动按钮,启动按钮常开变为常闭,所以电源通过辅助触头上方到了线圈A 2处,这时线圈A 1和A 2形成了380伏电源,所以接触器开始吸合,接触器上下触点联通,电动机开始运转,但是我们松开启动按钮,启动按钮又会变为常开,也就断电了,接触器不能正常运行,这时接触器辅助触头下方触点长带电的就起作用了。
因为我们按下启动按钮时接触器已经吸合,辅助触头也已经吸合,所以辅助触头下方电源也开始给线圈A 2送电,所以启动按钮松开,辅助触头下方还在送电,这样接触器就形成了自锁,而我们按下停止按钮,电源断电接触器断开,所以辅助触头下方电源也就不起作用了,这就是接触器自锁的原理。
明白了实物接线以后我们再看电路图就很容易理解了,右方是接触器自锁电路图,A B C 分别电表三相火线电源,Q F 开关,KM 是接触器,FU 是熔断器,KM 带个方口就是接触器线圈电源,按钮的位置,连在一起的是要接常闭,分开的是要接常开,圆圈M 是负载电动机,根据实物接线图再结合自锁电路图很好理解吧!
工程师必备
- 项目客服
- 培训客服
- 平台客服
TOP




















