上拉电阻与下拉电阻的用途, 你还没分清?
2022年3月21日 13:25电路中加“上拉电阻”或“下拉电阻”的目的是确定某个状态电路中的高电平或低电平。
那么,什么是上拉电阻?
什么是下拉电阻?
简单来说,电源到器件引脚上的电阻叫上拉电阻,当未连接传感器或处于高阻抗的情况下该引脚为高电平;
地到器件引脚的电阻叫下拉电阻,当未连接传感器或处于高阻抗的情况下该引脚为低电平。
图1 上拉电阻(左)与下拉电阻(右)
如图1所示,左边的是上拉电阻示意图,右边的是下拉电阻示意图。换句话说,上拉电阻在开关S1断开情况下,C1点提供的是高电平,当S1闭合时,C1点提供低电平;下拉电阻在开关S2断开情况下,在C2点提供的是低电平,当开关S2闭合时,在C2点提供高电平。
根据这两种特性可以在不同器件选用,比如共阴共阳数码管驱动,单片机IO引脚等灵活使用。当然要注意在下拉电阻使用时,在output2的位置一定要加限流电阻,否则会引起D2线路电流过大,类似短路。
当TTL电路驱动COMS电路时,如果TTL电路输出的高电平低于COMS电路的最低高电平(一般为3.5V), 这时就需要在TTL的输出端接上拉电阻,以提高输出高电平的值。
拉电阻的作用
用于输入信号引脚的拉电阻,通常的作用是将信号线强制箝位至某个电平,以防止信号线因悬空(如断开与传感器的连接)而出现不确定的状态,继而导致出现不期望的状态。
当某信号输入端口未连接传感器或处于高阻抗的情况下,拉电阻就是用于保证输入信号为预期设置逻辑电平的电阻元件。
上拉是对电阻注入电流,将不确定信号通过一个电阻钳位在高电平,电阻同时起到限流作用;下拉是输出电流,将不确定信号通过一个电阻接地,钳位在低电平。
强拉与弱拉只是上拉或下拉电阻的阻值不同:拉电阻越小,上拉或下拉越强;拉电阻越大,上拉或下拉越弱。
此外,拉电阻作用还有:提高电路稳定性,避免引起误动作;提高输出管脚的带载能力。
什么情况上拉?
拉电阻
什么情况下拉?
在实际应用中,需要使用上拉电阻还是下拉电阻,主要取决于电路系统本身的需要。
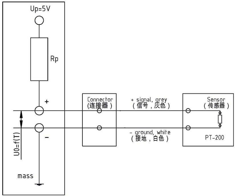
1)对于温度类传感器:CU内部一般采用上拉电阻,Up理论电压一般为5V;当断开传感器与ECU的连接,测量ECU信号针脚电压一般为4.9V-5.1V,如图2。
图2
2)油门踏板位置传感器、节气门位置传感器:ECU内部一般采用下拉电阻;当断开传感器与ECU的连接,测量ECU信号针脚电压一般为0V-0.07V,如图3。
图3
3)对于开关类信号:若是高电位信号有效,则会使用下拉电阻,可防止因悬空(如ECU与开关断开连接),在上电后此信号线可能受到干扰而误触发为高电平,从而导致出现不期望的状态,如图4。
图4
相应地,对于低有效的信号,则使用上拉电阻,如图5。
图5
扩展资料
提高芯片输入信号的噪声容限:输入端如果是高阻状态,或者高阻抗输入端处于悬空状态,此时需要加上拉或下拉,以免收到随机电平而影响电路工作。同样如果输出端处于被动状态,需要加上拉或下拉,如输出端仅仅是一个三极管的集电极。从而提高芯片输入信号的噪声容限增强抗干扰能力。
原则和上拉电阻是一样的,下拉电阻的选择应结合开关管特性和下级电路的输入特性进行设定,主要需要考虑以下几个因素:
驱动能力与功耗的平衡。以上拉电阻为例,一般地说,上拉电阻越小,驱动能力越强,但功耗越大,设计时应注意两者之间的均衡。
下级电路的驱动需求。同样以上拉电阻为例,当输出高电平时,开关管断开,上拉电阻应适当选择以能够向下级电路提供足够的电流。
高低电平的设定。不同电路的高低电平的门槛电平会有不同,电阻应适当设定以确保能输出正确的电平。以上拉电阻为例,当输出低电平时,开关管导通,上拉电阻和开关管导通电阻分压值应确保在零电平门槛之下。
工程师必备
- 项目客服
- 培训客服
- 平台客服
TOP




















