一文弄懂手机电池充/放电架构与工作流程

电池充放电电路是手机中最关键的电路之一,也是手机一切功能的源头。如果该电路出现问题,将会使整个手机工作不稳定,甚至无法开机。


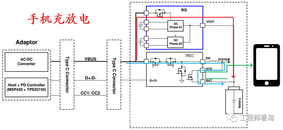
手机的电是从电池来的,电池电压经过电源管理IC后,输出到各个负载,这个电源管理芯片叫做PMIC,Power Management IC。


如下图所示,电池的电经过PMIC后换为一个叫做system的电,这就是手机的主电源这个电源有的平台叫Vsys,有的平台叫VPH_PWR。总之,万事万物都是想通的,不管叫什么电,手机里其他模块的电都是从这路电转换而来的,高端手机里有上百路电源,低端手机也有林林总总六七十路电源,都是从Vsys来的。


但有极个别的情况是,Vsys无法提供负载大电流要求,此时可以考虑直接从电池Vbat抽电。当然,这是非常少见的应用和设计场景。

一文弄懂手机电池充/放电架构与工作流程的图1

从电池的角度来看,它既放电为整个手机提供能量,也会被充电储存能量。放电时,电流走的是输出路径,见上图绿色曲线路径;充电时,电流走的是输入路径,见上图浅蓝色和红色路径。 USB 充电线的充电电流经过typec连接器 进来后, 经过PMIC或者辅助充电IC进入电池,实现充电功能

充电路径中, 红色的是电荷泵高功率充电,浅蓝色路径是BUCK低功率充电。其实把浅蓝色路径放过来就是BOOST升压结构,因此手机也可以升压,通过typec接口给其他设备用电。

看到这里,可能会有同学好奇问道:为什么充电还要走两个路径?

这两条充电路径,一条是主充电路径,一条是辅助充电路径。辅助充电路径充电功率大,我们当前手机里的快充主要就是依靠辅助充电IC实现大功率充电的。 我们结合下图的充电电压电流曲线,再次深刻理解下手机充电过程。

假如电池被过放,或长时间不使用,电量非常非常低,甚至低于3.5V,下图中的电池是从3V开始充电的,此时叫做pre-charge预充电,预充电过程就是主充电IC在工作,充电路径见上图浅蓝色曲线,USB线缆上的电流和进入电池的电流基本一致,经过预充电后达到T1 CC阶段(CC阶段是Constant current恒流阶段),这个阶段的特点是电池电压缓慢上升,而电流保持不变,图中的电流是稳定在3A,而电池电压逐渐从3V上升到3.5V,电池电量缓慢上升。

接下来到达时间T2-T3也是CC阶段,从T2开始,辅助充电IC开始介入充电过程,充电路径见上图红色曲线,此时的充电功率有了大幅变化,USB充电线上的电流可以达到8A,进入手机的电流是USB电流的一半,大约是4A,图里辅助充电IC是降压电荷泵充电架构,特点是电压减半,电流加倍,电池充电电流是4A。假如电池电压是4V,那么此时电池舜时充电功率就是4*4等于16W,USB提供的大约是8V2A也是16W。

一文弄懂手机电池充/放电架构与工作流程的图2

快充的持续时间是很短的,当电池到达一定程度后,充电电流就会下降,充电过程进入T3-T4。此时的特点是,电池电压不变,而电流逐渐降低,此时叫做CV过程,即Constant voltage,恒压充电。不过,USB电流和电池电流还是保持2:1的关系,此时的充电功率也不低。

T4时间以后,充电功率就明显下降,辅助充电IC休息了,让主充电IC慢慢工作,此时是就进入CV阶段,电池慢慢也就充满电了。

以上就是手机充放电架构及工作流程的介绍,需要说一句,手机的电量和电压不是100%正相关关系,在要求不高的场合,我们可以用电池电压粗略估计电量,但在手机这种对电量准确性要求高的场合,高精度体验友好的电量计设计是非常重要的,因此需要结合电压和电流对电量进行估计和拟合。

比如,有的电量计就用卡尔曼滤波估计电量,更简单点的做法是对电流积分来和电压互相补充来估计电量。

此外,电池低电量时放电会特别快,不能让用户上一秒看手机还有15%的电,下一秒就突然变成1%了,甚至有的手机玩一玩游戏,电量反而蹦高了,这都是非常不友好的体验。

一文弄懂手机电池充/放电架构与工作流程的图3

我们看下实际充电曲线,上图是某手机实测的充电曲线,黄色是USB电压,蓝色是USB电流,橙色是功率,大功率的持续时间只有1小段,该手机使用了更复杂的电池和充电架构设计:120W秒充技术,它采用的是两颗电荷泵设计,将USB网络的20V3A高电压和高电流转换为两路10V6A电压电流,最终汇合成10V12A的大电流输入电池,实现120W高级秒充。

为了实现10V12A电池充电,该手机使用双串电池架构,双电池串联的特点是:总电压升高、容量不变;双电池并联的特点是:总电压不变,容量升高。由于电池串联,总电压加倍,在总电流相同的前提下,串联设计将会带来更快的充电功率。

一文弄懂手机电池充/放电架构与工作流程的图4

以上就是手机充电、放电架构和工作流程的介绍,然而笔者更期望的还是电池技术本身的进步,容量更大、更稳定、充电更快的电池才是根本。
登录后免费查看全文
立即登录
App下载
技术邻APP
工程师必备
  • 项目客服
  • 培训客服
  • 平台客服

TOP