干货 | buck稳压器如何降低电磁干扰和节省电路板空间



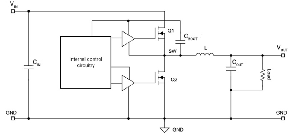
保证高效和紧凑的设计同时遵守国际无线电干扰特别委员会 (CISPR) 等组织提出的严格电磁干扰 (EMI) 要求是一项挑战。因此,元件的选择成为了设计过程的关键。与大多数设计决策一样,在不同组件之间进行选择几乎总是归结为基于您最关键设计目标的权衡评估。以高效及良好的热性能著称的buck稳压器,通常不被视为降低电磁干扰候选项。幸运的是,您有多种选择来降低此类稳压器产生的EMI。幸运的是,仍然有多种措施用以减少这类稳压器所带来的电磁干扰。图1为buck稳压器的示意图。

干货 | buck稳压器如何降低电磁干扰和节省电路板空间的图1
图1. Buck稳压器示意图

电路板布局注意事项
当设计必须符合EMI要求时,除了选择适当的无源元件值以确保功能设计之外,电路板布局应该是进行设计时需要考虑的首要因素。有两个buck稳压器电路板布局通用规则可将电磁干扰降至最低:

  • 使输入电容器和自举电容器尽可能地靠近集成电路的VIN和GND引脚,以最大限度地减少高瞬态电流 (di/dt) 环路面积;

  • 通过最小化开关节点的面积来最小化高瞬态电压 (dv/dt) 节点的表面积。

集成输入电容器
在EMI要求限制之下进行开关稳压器的设计时,减小高瞬态电流环路的面积非常重要。在buck稳压器中,需要从EMI的角度考虑输入电压对地环路。buck稳压器通过开启和关闭与电源的开关器件将较高的直流电压降为较低的电压,从而在高压侧产生MOSFET电流,如图 2 所示。
干货 | buck稳压器如何降低电磁干扰和节省电路板空间的图2
图2. Buck稳压器作用下的输入电流变化

MOSFET快速开启和关闭,产生由输入电容器提供的非常尖锐且几乎不连续的电流。诸如TI的3-A LMQ66430-Q1和6-A LMQ61460-Q1 36V buck稳压器,在封装内集成高频输入电容器,从而实现了输入电流环路面积的最小化。减小输入电流回路面积会导致输入端的寄生电感更小,从而减少电磁能量的输出。

集成自举电容
需要考虑的另一个高瞬态电流环路就是自举电容环路。自举电容负责在开关器件导通期间为高压侧MOSFET栅极提供驱动。内部电路在关断期间对该电容器重新充电。高压侧MOSFET的源极连接至开关节点而不是GND。将自举电容连接到MOSFET的源极引脚可确保栅源电压 (VGS) 足够高以开启MOSFET。对于大多数buck稳压器,必须在电路板上留出一些可用的开关节点区域来连接自举电容器,尽管这在最小化开关节点以减少EMI过程中只会收到适得其反的效果。在封装内集成自举电容的LMQ66430-Q1不仅遵循之前提到的两个规则,同时还减少了对外部组件的需求。

总结
在严格的EMI要求下保持结构紧凑的电源设计实现起来可能很困难。带有集成电容器的buck稳压器可以使符合EMI要求的设计实现起来更容易,同时还有助于减少整体外部组件的数量。


登录后免费查看全文
立即登录
App下载
技术邻APP
工程师必备
  • 项目客服
  • 培训客服
  • 平台客服

TOP