一种多功能往复加载小试验台 | 批量小实验的生产机器
2022年4月7日 10:281. 简介
在土木人眼中,一提到构件试验或者子结构试验,脑海中马上浮现的就是几吨的构件在几十吨或者几百吨输出力的作动器作用下被“蹂躏”。像这样:
如此大型的实验一般从设计、制作再到运输往往要准备几个月,赶上疫情大家还要排队做试验,拖个一年半载不成问题。最扎心的是由于加工问题或者设备问题,实验数据不好大半年的努力就白费了,到最后就连导师看到毕业论文就是这副表情:
这样下去,我们就直接和毕业说拜拜了。
这个时候你就会想,要是在做足尺试验之前做点小试验进行理论验证,既快速做出成果保证毕业,又可以为足尺试验提供可行性验证该有多好。因此我们研究室经过一年的努力开发了一款小试验台,用来做各种土木超小构件的理论验证试验和材料性能试验。
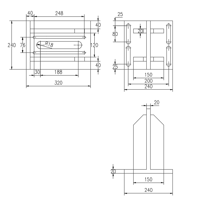
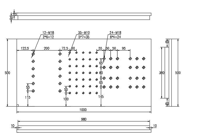
2. 小实验的图纸
图1~3就是小实验台的设计图纸,它包含一个带有内螺纹孔的底板,可调节上下高度和左右位置的作动器(作动器端部有螺栓孔用来连接试件),还有可以调整位置的反力架。以上设计可以保证这种试验设备适用于大部分小试件的安装。
图1 小试验台全图
图2 小试验台底板细部图
图3 小试验台反力架细部图
图4 作动器支架细部图
设备的配置清单如下:
3. 小实验台的参数
这种试验装置的最大亮点是加载频率范围比较大,覆盖范围在0~20Hz,因此它可以做在0~20Hz 范围内任意频率的往复加载试验,一般的大型加载设备没办法做到这个频率范围。由于设备的加载频率覆盖范围基本与地震波的主要频段重合,所以它还可以输出地震波,具有改造成振动台的潜力。具体技术参数如下所示:
1、技术参数:
1) 最大静载:±20KN,
2) 最大动载:±10KN,
3) 力传感器精度:2%-100%FS范围内,各点均为±0.1%,
4) 位移传感器精度:±0.01mm,
5) 作动器行程:±50mm,
6) 频率范围:0-20Hz,
7) 采样频率:800Hz,
8) 实时曲线:力-时间曲线,力-位置曲线,时间-位置曲线,等。
9) 主要试验波形:正弦波,三角波,梯型波,斜波以及外部输入频谱。
10) 伺服油源:3.7 KW AC220V 50Hz,21Mpa,
11) 最大加速度1g,
12) +/-1mm@20HZ,
13) +/-2mm@10HZ,
14) +/-5mm@5HZ,
15) +/-8mm@3HZ,
16) +/-20mm@1HZ,
17) 频率范围0~20hz,最大输出力静载20kn,动载10kn(最高频时最大输出力为50%)
2. 测控系统:
测控系统包括控制柜、伺服控制器、工控机、显示器等。测控软件基于windows 操作系统开发,友好的人机界面,操作方便,功能齐全,交互性好。采用业内先进的全数字控制器,具有优越的抗冲击、噪声低、带宽高等特点。所有通道(负荷、位移、应变)均具有32 位全数字化波形发生器,1000Hz 数据采集频率。内置各种高级自适应补偿功能,采用智能控制算法,通过各种补偿功能,可优化控制,命令可以得到实时调整,使得得到的响应与目标信号匹配,提高测试精度。控制器模块化设计,可以扩展控制多个伺服控制通道。测控系统能实现各参数的高速采集测,自动处理,生成不同的分析曲线。可实时绘制时间—载荷,时间—位移,载荷—位移等曲线。操作人员可以直接存储数据到txt 文件,也可以选择存储曲线;可以自动生成实验报告和打印输出。系统可实现位置闭环控制,载荷闭环控制,开环控制。系统实时显示系统位置、载荷、油压压力、温度等参数。
4. 小实验台的试验案例
有了这样的科研神器,买回来第一天我们就开始试验啦~ 比如负刚度装置的低频往复加载试验(位移相关型试件),如图5所示。装置输出位移达到了试验工况的要求,滞回曲线光滑。
图5 负刚度装置试验
再比如小黏滞墙试验(速度相关型试件)高频往复加载试验,滞回曲线如图6所示。试验曲线表明,小试验台的加载速度也达到了试验工况要求。
图6 小黏滞墙试验
总结一下,用小试验台做试验有以下优势:
1. 加载功能强大,可以做很多大型加载设备无法实现的加载工况。
2. 制作和设计小试件耗时短,如果实验失败可以在短时间内修改试件缺陷重新制作并得到更优的试验结果。
3. 相比足尺试验复杂的安装流程,小试验台试件安装方便,一个人就可以搞定。
综上,小试验台是做理论验证试验和足尺试验可行性验证的好帮手。
5. 合作企业推广
本次小试验台的定制合作企业是“朴鲁液压”技术有限公司,非常感谢在整个设计和制作的过程中该公司的工程师给予我们的技术支持。如果有同学或者老师想定制自己的小试验装置可以联系该企业,详细信息如下:
设备采购公司:朴鲁液压http://www.puluyeya.com/
参考文献:一种多功能小试验台(实用新型专利,审查中)
作者简介
作者:科研废琦
联系方式:yjqjarvis@sina.com
个人简介:同济大学在读博士,从事建筑结构减震装置研究,善于快速撰写专利。
广告
关于CELab
-CELab提供“试验服务、工程应用、软件模拟、论文润色”方面的服务
-具体分类服务信息也会结合微信小程序“CELab”予以展示(点击链接-)
-若有兴趣加入我们,请添加联络员微信:celab001
-对创业与科研服务有兴趣的你,将获得创业经验/科研与实践本领/生活补贴,优秀者有机会成为项目合伙人。
-CELab长期征集原创内容,内容在公众号登出后给予报酬,详细内容点击链接(征稿50-500元/篇|土木经验观点原理|CELab)
公众号其他文章阅读
工程师必备
- 项目客服
- 培训客服
- 平台客服
TOP




















