
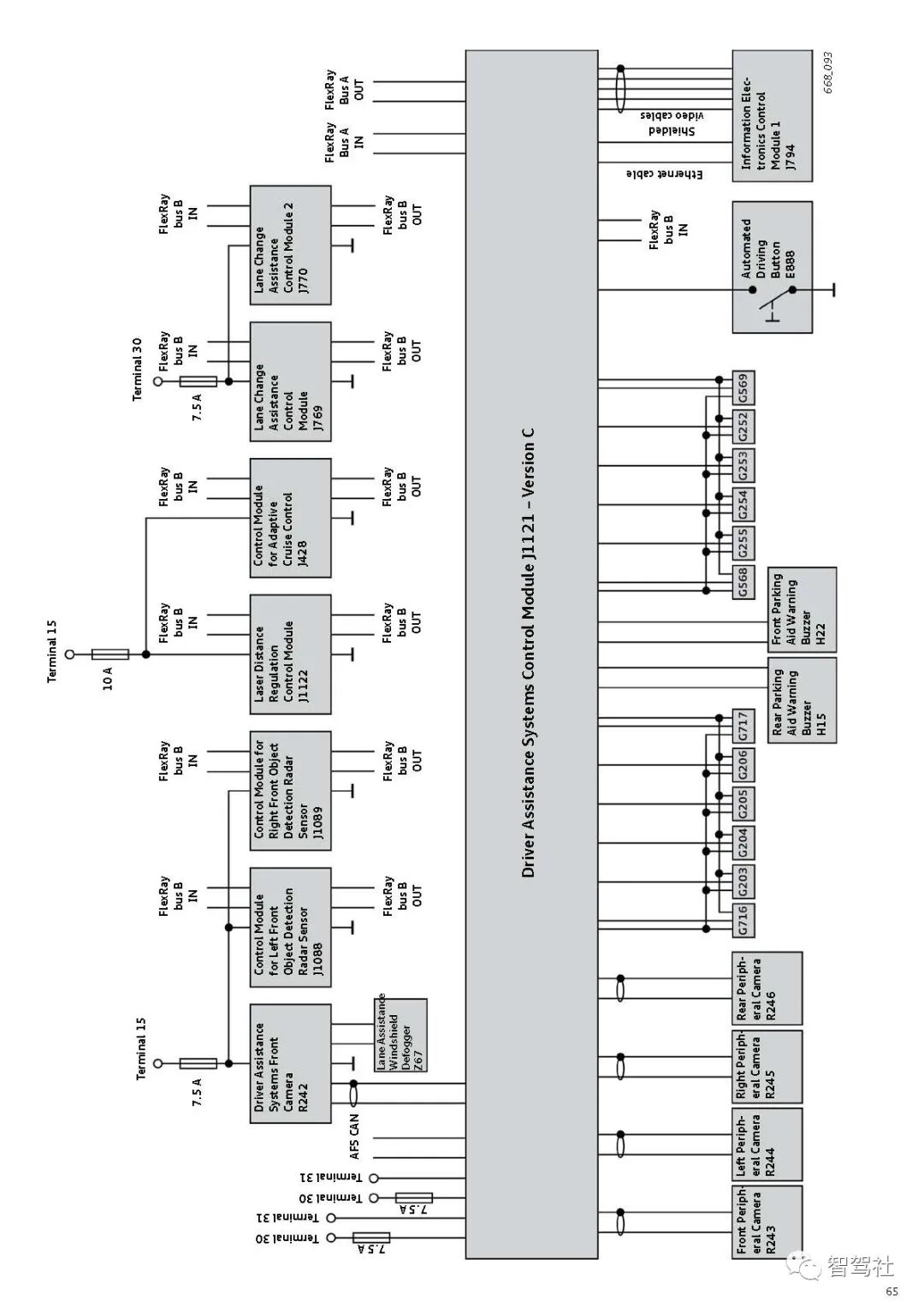
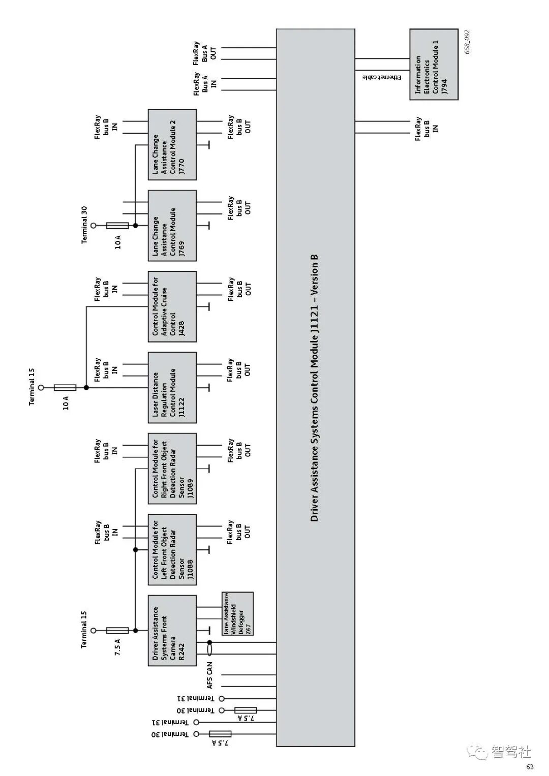
新A8还展示了奥迪在其辅助系统方面的创新能力,提供了广泛的、新梯队的高科技系统。这些系统可以调节与前车的距离,帮助驾驶员改变车道并保持在车道上,并协助停车。它们能识别限速标志,并能在夜间看到远方。与竞争对手相比,新A8的系统由于采用了开创性的新网络,功能大大增强,也更加智能。
雷达辅助的自动接近控制系统、带停车和行驶功能的自适应巡航控制,是其前身的一个重大进步。它通过在0至250公里/小时(155.34英里/小时)的速度范围内加速和制动来调节速度和与前方车辆的距离,并在一定范围内自动制动。由于ACC停车和行驶功能与导航系统一起工作,它提前知道路线的走向。
奥迪已经对该系统进行了超过60万公里(37.2万英里)的实地测试,在走走停停的交通中特别方便。它使新A8停在离前车大约四米的地方,而驾驶员无需干预。如果是短暂的停车,系统会自动恢复行驶;在较长时间的停车后,驾驶员必须轻踩油门或巡航控制杆。驾驶员也可以在A8仍在停车时预知并完成这一操作。然后,该车在接下来的15秒内准备出发,一旦前面的车辆开始滚动,它就会立即跟随。
两个雷达传感器对该系统的性能起着重要作用。它们被安装在汽车前部的进气口,在寒冷时自动加热。它们以76.5千兆赫的频率发射雷达波,覆盖一个长度为250米(820英尺)的40度楔形区域。系统以此来分析车辆前方的交通状况,并探测前面的车辆。
驾驶员可以影响ACC停车和行驶的功能;与前方车辆的间隔可分四步调整,控制系统动态的三个级别已经确定。加速和制动是舒适的:减速被限制在4米/秒--是最大值的三分之一,主观上相当于以中等力度踩下制动踏板。位于制动系统核心的ESC非常平稳、和谐地产生压力。
带停走功能的自适应巡航控制是一个高度智能的系统--由于其广泛的网络。它与其他驾驶者信息系统紧密合作,而且每个系统都有自己的特定优势。总的来说,它从27个控制单元获取数据,通过这些数据持续分析车辆周围的整个区域,并极快地比较结果。这种高水平的信息使该系统能够识别复杂的情况,并预测性地支持驾驶员。
例如,如果在乡间道路上行驶的车辆向右打信号,并因为要转弯而刹车,传统系统只知道一种反应方式:它与前面的车辆类似地刹车,甚至在某些情况下会停下来。A8的自适应巡航控制与停车和行驶功能利用其所有的网络智能来评估情况。它从导航系统的路线数据中了解到十字路口的情况,并利用视频图像和远程雷达来分析出现的情况。
该系统的行为就像司机一样:它轻轻地刹车,让A8接近转弯的车辆。一旦司机决定通过,并向左发出信号或转动方向盘,ACC停车和行驶系统就会将其测量区域转移到左边,并重新踩下油门--A8就会迅速超过对方的车。
在高速公路上的许多情况下,ACC Stop & Go也使用其网络知识,以便作出智能和精确的反应。无论是另一辆车停在A8的车道上,还是A8正在接近前面一辆缓慢行驶的车辆,该系统都能冷静地处理这种情况,使驾驶更加流畅和和谐。如果驾驶员想超车,第二个可选的辅助系统就会发挥作用。奥迪侧向辅助系统。
奥迪侧面辅助系统在速度超过30公里/小时(18.64英里/小时)时启动。后部的两个24千兆赫的雷达系统在70米的距离内观察A8后面的情况。它们的数据由系统进行分析。如果另一辆车进入关键区域--如果它骑在盲点上或从后面迅速接近--所谓的信息阶段就会被激活。一个黄色的LED指示灯在驾驶员侧后视镜的外壳中亮起;驾驶员只有在直接看向后视镜时才能看到它。
如果司机不顾警告而启动转向灯改变车道,指示灯会变得更亮,并以高频率闪烁。这个信号--警告阶段--很难被忽视。显示屏是这样的:在实践中,它只对驾驶员可见。它的亮度可以适应环境光线条件,也可以通过MMI控制终端进行调整。
奥迪车道辅助是另一个辅助系统。在速度超过大约65公里/小时(40.39英里/小时)时,奥迪车道辅助系统会在驾驶员即将无意中离开车道时发出警告。安装在后视镜前面的一个摄像头,观察道路的距离为60米(197英尺),覆盖角度为40度。它每秒提供25幅高清图像。复杂的软件处理这些图像,识别车道标线和A8在它们之间的路线。
如果司机允许汽车在车道标记的方向徘徊,但没有表示他或她打算转弯,奥迪车道辅助系统就会通过振动方向盘向司机发出警告。这种振动是由一个轮辐中的振动马达产生的;其强度可以通过MMI分三个阶段进行调整。什么时候发出警告也是可以选择的--在车轮接触到线之前,在越过线时或由系统决定。
与以前的版本相比,奥迪车道辅助系统变得更加强大。例如,彩色摄像头可以区分施工区的黄线和白线。在特别不利的条件下,如在雪地或路面非常脏的情况下,它达到了自己的极限。当这种情况发生时,它会通知司机。
奥迪车道辅助系统的摄像头除了这个主要功能外,还具有一些重要功能。它为ACC停车和行驶提供了重要的图像--它可以检测前方道路上的车辆,并识别它们的信号。它的数据也进入了停车和行车的启动功能。摄像头的图像在由奥迪预感前部启动的紧急制动和连续大灯范围控制中也发挥了重要作用。
后视镜底部的摄像头还被一个全新的辅助系统所使用--将于2010年中期推出的限速显示器。它可以检测到路边的标志和它们的补充面板,例如,涉及到潮湿条件或一天中的时间。它将这些标志和补充面板作为图形显示在仪表盘显示器上,这样驾驶员就可以一目了然地看到当前的速度限制。
在新奥迪A8上首次亮相的还有夜视助手,它通过灯光开关的一个按钮激活。该系统的核心是安装在车头四个环的左外侧后面的热成像摄像机。它有一个宽阔的24度视角,其保护窗在脏的时候可以清洗,冷的时候可以加热。
作为一个远红外系统(FIR),该相机对物体辐射的热量作出反应。一台计算机将摄像机的信息转化为黑白图像,并显示在位于仪表之间的中央显示屏上。该视图连续跟踪道路和A8的路线。
远红外技术具有显著的优势,特别是与竞争性的近红外系统相比。不受驾驶速度的影响,它可以看到前方300米(984英尺)远的地方,远远超出了远光灯的范围,因此不会被前灯和类似的光源所迷惑。最重要的是,它专注于基本要素:动物和人。无论它们在人眼里是亮是暗,由于它们发出的热量,它们在图像中都是显眼的亮,而较冷的道路则显得很暗。
奥迪有意识地决定不使用第一代夜视仪,因为它没有这种突出的功能。研究表明,在关键情况下,它们往往会增加司机的负担。然而,新A8的系统通过根据驾驶速度调整其范围和警告阈值,减轻了司机的负担,在许多情况下消除了不必要的刺激。
标记、提示音和图像对比度可以通过MMI进行配置。像每一个辅助系统一样,夜视助手也在某些非常宽松的系统限制下工作。例如,在温度超过28摄氏度时,行人突出显示就会被关闭。
新A8的两个可选的停车辅助系统使操纵更加舒适和安全。泊车系统plus在前面和后面使用四个超声波传感器,在MMI显示屏上以声音和图形显示距离。当A8在车流中缓缓前行时,前部的传感器还能监测到紧靠车前的起步区,以实现ACC停车和行驶。
带有倒车摄像头的停车系统也使用了一个对光线非常敏感的外部摄像头。它安装在后备箱盖上,其鱼眼镜头覆盖了130度的广阔视野。该摄像头产生的图像经过处理,以消除失真,并显示在MMI操作系统的显示器上。准则和领域显示了汽车的预测路径。
新A8的所有驾驶辅助系统以其智能传感器、快如闪电的计算和高度的整合为一个共同的目标服务:支持驾驶员在驾驶中的工作。它们从不强迫驾驶员,不为驾驶员做决定,也不限制驾驶员。相反,它们使驾驶更容易、更轻松、更顺畅。这是因为所有的奥迪技术都是以人为本的。







































































获得pdf文档,请转发朋友圈并回复截图
(欢迎申请加入智能驾驶交流学习群,加小编微信号zhijiashexiaoming)