首页
学院
直播
问答
悬赏
全部悬赏
发布悬赏
专家入驻
会议
社区
CAE工程师认证
CAE服务
搜索
发布
注册
/
登录
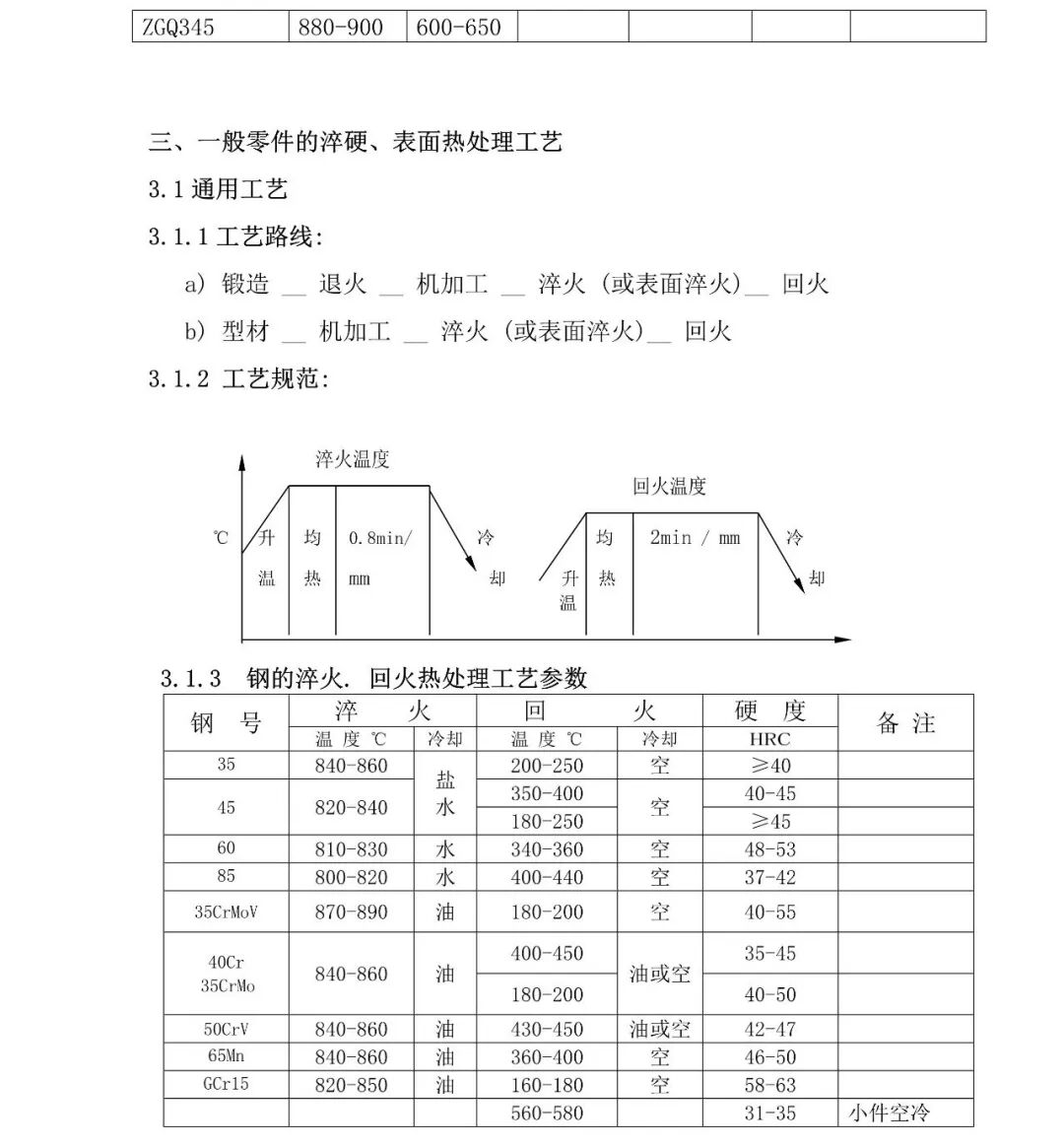
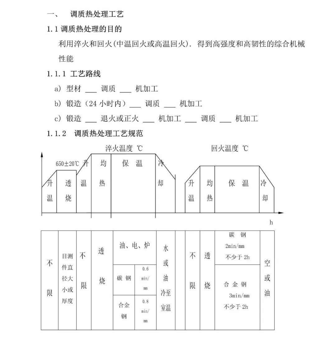
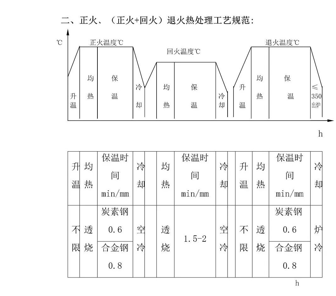
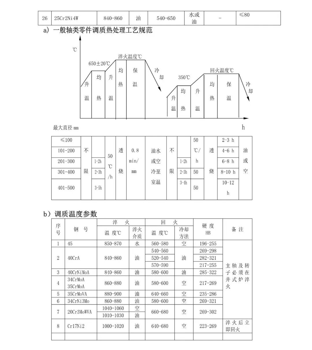
典型热处理工艺汇总,查看详细数据标准
铸造工程师
关注
2022年4月24日 16:04
浏览:1934
收藏:2
登录后免费查看全文
立即登录
推荐阅读
【专题课程】ANSA HEXABLOCK六面体网格划分专题(完结)
Wonderful仿真
¥399
Altair PollEx™ PCB设计加工全流程仿真网络研讨会
ALTAIR
免费
ABAQUS桁架结构强度分析
wj_2704
¥500
电力电子系统平台及其解决方案
Ansys中国
免费
hypermesh教程
黄熊老师
¥39
I-04稳态流:后台阶《STAR CCM+官方案例视频教程》
云之树
免费
直齿轮HYPERMESH六面体网格划分实例
Zl1232140
¥25
AQWA软件企业培训(3) 通过ANSYS-APDL建立半潜平台混合模型及混合模型的拖曳力线性化
Nutshell
¥30
Msc Apex For Aerospace Applications Idealization a
MSC Apex
免费
如何为您的应用选择合适的传声器
HBK声学与振动
免费
慧加新规范解决方案详解之大跨连续弯梁桥精细化分析(7DOF)
敦樸DUNPU
免费
汽车模具工艺CAE分析
汽车-Albina
免费
SnRD异响分析技术及新功能介绍
ALTAIR
免费
ANSYS FLUENT&CFX 2019 R3 新功能介绍
Ansys中国
免费
公路钢筋混凝土及预应力混凝土桥涵设计规范解决方案
敦樸DUNPU
免费
芯片级电磁干扰解决方案——如何降低射频芯片和高速SOC的电磁串扰风险
Ansys中国
免费
CVPR2020自动驾驶拓展会议——端到端深度学习的自动驾驶
Hollis张
免费
汽车制造工艺中的连接仿真
海克斯康设计与仿真
免费
Altair Activate™ 在新能源汽车电机电磁设计及控制系统开发中的应用
ALTAIR
免费
Hypermesh二次开发系列教程_部件重命名
一段时光
免费
技术邻APP
工程师
必备
项目客服
培训客服
平台客服
TOP
2