看电气电路图有哪些窍门?很多电气老师傅都不知道,建议收藏!
2022年4月29日 16:29电路图可以说是“五花八门”,各种电路应有尽有,比如电力拖动电路图、配电一次系统图、电力电子线路图、电子线路图、单片机系统控制图等等。对于这些图在看图的时候首先就灵活运用了“六先六后”的看图技巧。在这里所谓“六先六后”是指先一次,后二次;先文字,后图形;先交流,后直流;先线圈,后触点;先上后下,先左后右的看图规则,下面具体说说是如何实施的。
1、“先一次,后二次”的看图技巧
首先我们先看看“先一次,后二次”的看图技巧,这“一次”是指发电、输电、变电、配电和用电的电能电路称为一次电路;“二次”是指为了保证一次电路的安全,要对一次电路进行控制、保护和测量的电路我们叫二次回路。
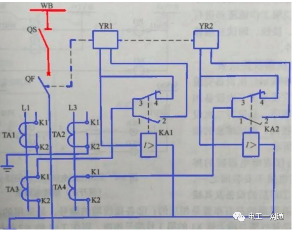
以下面的电路图为例子,它是一个配电线路反时限过流保护电路。我们在看这样的电路图时,首先要看一次电路WB是由母线经过转换开关QS和和断路器进行隔离控制。相线L1和L3分别接入了电流互感器,其中电流互感器TA3和TA4接入了继电保护器的线圈,另一端通过过流继电保护器的触点与断路器的跳闸线圈连接起来。
这样当一次高压电路发生短路或者过载的时候,过流继电器KA1和KA2就会动作,就会使断路器的跳闸线圈YR1和YR2获得了一个电信号脉冲,这样就会使空气断路器跳闸,这样就起到了保护电路的作用。由上面电路图的例子可以看出,先看一次电路,再看二次电路。在看图时要弄清楚一次电路对二次电路起到什么作用,是如何形成一个相互连接的整体的。同时我们也会发现二次回路是“依附”于和作用于一次回路当中的,两者的关系都是紧密联系的。
2、“先文字,后图形”的看图技巧
一个完整的电路图都有标题栏、元件明细表、电路回路名称和技术说明等。我们在阅读这样的电路图时就要先读取以上信息。
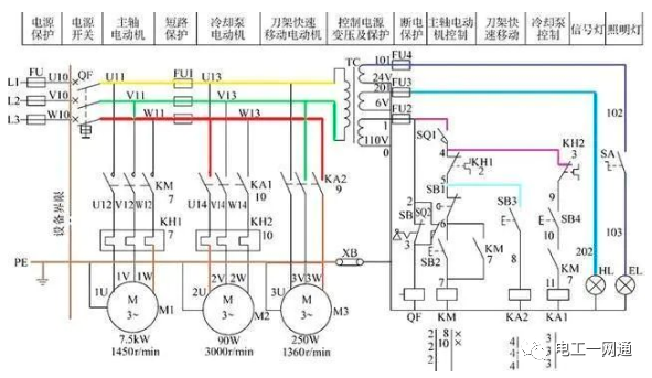
这样有助于我们对整体电路的把握。比如下图是一个机床的电气电路图,我们在阅读这样的电路时就要先读标题栏,这样可以对电路的功能、组成、符合以及要求有一个大概的了解。然后再逐一看电路图的每个具体的部分,这样的看图技巧我也把它称为“先总体,后局部”看图法。
3、“先交流,后直流;先线圈,后触点”的看图技巧
对于既有交流部分又有直流部分的电路,我们看图的时候要先看交流部分再看直流部分。我们要先根据交流电路的电气量的变化,再去识读直流的电路部分。比如下面的机床电路的电磁吸盘是直流电路,只有电磁吸盘工作了,三台电机才能正常启动。
为了保证安全,电磁吸盘与三台电动机M1、M2、M3之间有电气联锁装置的,当电磁吸盘不工作或发生故障时,三台电动机均不能启动。我们在分析这个电路时就要先分析交流部分再分析直流部分,这就是所谓的“先交流,后直流”。对于“先线圈,后触点”这个识图技巧就是要把握住在电气电路中只有线圈先通电后触点才能动作的特点。我们知道所有的电路图符号都是在没有电激励的情况下的“正常状态。另外相同的元件在不同的位置是用同一种文字符号标注的,同时也要清楚各个元件的主触点和辅助触点以及延时触点、动合触点和动断触点等。
4、“先上后下,先左后右”的看图技巧
最后的看图技巧是把握住“先上后下,先左后右”的看图顺序,这是识读各种电路图的一般顺序。以上就是看电路图的窍门,我们在看电路图时要灵活把握就能很快看懂各种电路图了。
5、看图技巧要做到“五个结合”
在我有了看图的技巧之后,我感觉最重要的是要有扎实的基本功。这就是灵活把握好“六先六后”之后,在看电路图的基本功上要做到“五个结合”。
第一要结合电气基础知识进行试图,因为各种电路图都离不开电路的基础知识。
第二要结合电器元件的结构和工作原理去看电路图;
第三要结合典型的电路去看电路图,我们以电力拖动图为例子,在这里面有很多经典的电路环节,比如正反转电路、星三角降压启动电路、顺序启动、能耗制动电路等在许多复杂的电气电路中多多少少都可以找到这些典型环节电路的影子。
第四还可以结合电气图的绘制的特点帮助看电路图,比如电路图的符号、主电路和辅助电路的位置以及所用线条的粗细等都是对看电路图是有帮助的。
第五就是结合其它专业技术图帮助看电路图,比如建筑中的建筑电气布置图等都是有助于我们看电路图的。
总而言之,在看电路图时要抓住一切信息,再复杂的电路我们通过“抽丝剥茧”终会又准又快的看懂电路图。
THE END
工程师必备
- 项目客服
- 培训客服
- 平台客服
TOP




















