UG模具设计38种模具结构用心收藏版防止以后遇到
2022年6月15日 11:47浏览:2993 收藏:1
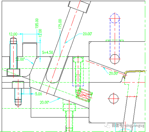
斜滑块
倒钩有斜度﹐防止脱模时拉伤成品﹐脱模时要沿着斜度脱模﹐因此滑块底部的斜度应与倒钩中心线斜度一致。
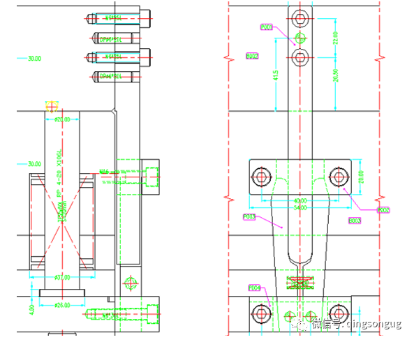
拨块滑块机构
采用滑块机构实现内抽芯形式。
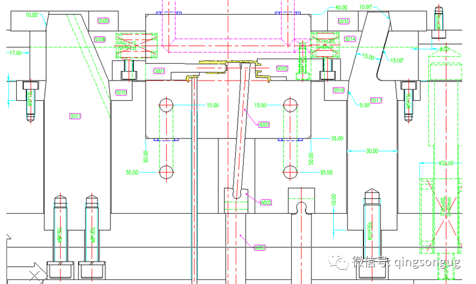
拨块滑块
此机构为母模滑块﹐稳定性较好。
拨块滑块
此机构为母模滑块﹐稳定性较好。
自动脱螺纹机构
自动脱螺纹机构
倾斜式注口衬套
插块结构
插块结构
此成品的两个内孔也可以跑母模斜销﹐但用此结构可使开合模更顺畅﹐简化模具结构。
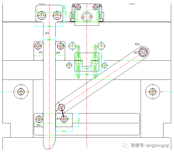
急回机构
双节式斜销
外挂式斜销
母模斜销
内抽滑块
母模爆炸式滑块
顶块顶出机构
倒装模
如图所示﹐当滑块行程较大﹐不便在滑块和模仁之间装弹簧
时﹐可在模具外侧装弹簧。
如图所示﹐成品结构特殊﹐不便排顶针﹐可改用顶块顶出。
红圈所示成品结构﹐可用左图之机构来成型。
红圈所示成品结构﹐除可用上一页之机构成型外﹐亦可
用母模斜销来成型
如图所示﹐滑块固定于母模侧﹐可用油压缸控制滑块运动。
如图所示﹐为配合成品之进胶点﹐可采用斜注口衬套。
如图所示﹐为配合成品之进胶点﹐可在顶针上做浇口。
成品的结构决定了要用母模隧道式滑块﹐且滑块固定于母模侧﹐可用装于公模侧的拨块来控制滑块运动。
为成型红色圈所示的部分﹐采用左图所示机构。
为成型红色圈所示的部分﹐采用左图所示机构。
技术邻APP
工程师必备
工程师必备
- 项目客服
- 培训客服
- 平台客服
TOP
1




















