如何实现变频器一拖二甚至一拖多功能?
2022年6月21日 16:42在实际应用中,变频器一拖多往往应用于那种电机功率不大(7.5KW以内),但电机很多的场合——例如生产线的变频驱动(很多小功率电机的情况)、辊道窑炉的传动电机等等。那么如何实现变频器一拖二甚至一拖多功能?
案例:某厂的窑炉传动就是这样的,这样的窑炉很多——1台11KW的富士变频器带了15台0.55KW的摆线针轮减速电机。而且,这些电机可能随时启停————在电机就地设置了电机保护开关,可以随时启停电机,以对电机所在的链条等机械传动进行维修。电机离变频器的平均距离约30米左右。该系统正常运行多年,未发现有异常状况出现。
如果按正常变频器一拖一的方式虽然也很稳妥,但是1条窑就十几个电机,那几条窑得多少个变频器?那控制室里面岂不是成了变频器仓库?还有生产成本、维修量、噪音、温升都成了问题。所以这时候变频器采用一拖多的方式就更能节约成本、减少故障率、也便于操作和维护。
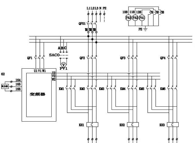
那么变频器如何实现一拖多的功能?下面仅仅对一次电气原理图做出示例。二次电气原理图需要根据控制要求设计,此处暂不赘述。
设备选型
1. 变频器选型
在选型的时候,首先要考虑运行工况————其中一台或多台电机是否要在变频器运行过程中随时启停。
如果在变频器的运行过程中,电机不需要随时启动,只是停止或者停止都不用,那么在变频器容量选型的时候只需要注意变频器的额定功率大于所有电机的总功率,然后再放大一级选型即可。在这种情况下,进行电气设计的时候,就必须保证一个原则:变频器处于停止状态才能切换接触器,投入或者变频电机的运行状态;在变频器运行过程中,严禁单独启停某台设备或者多台设备。
如果在变频器的运行过程中,电机需要随时启动停止,那么在变频器容量选型的时候需要特别注意!首先统计可能要随时启停电机的总功率,然后把这个功率乘以5~7(在变频器运行过程中,随时启动的电机相当于直接启动,电机启动电流差不多为额定电流的5~7倍),最后把这个结果与不需要随时启停的电机总功率相加,得到的和就是所需变频器的理论功率。如果需要启停的设备很多,那么这个功率就可以作为变频器的选型功率,不需要再放大一级了————因为平常很难可能多个电机在同时启动。如果需要启停的设备很少,那么这个功率需要再放大一级,才能作为变频器的选型功率。
2. 交流接触器选型
对于需要随时启停的电机,需要配置交流接触器。对于交流接触器的选型,遵循一般选型原则即可————电机的额定电流再放大一级选型即可。
3. 热过载继电器选型
对于变频器一拖多的情况,为保护每个电机以及变频器的设备安全,原则上必须在电机主回路安装热过载继电器。对于热过载继电器的选型,遵循一般选型原则即可————电机的额定电流在热过载继电器的整定范围以内。
注意事项
在一台变频器驱动N台电机的情况下,如果线路过长,可能存在比较大的分布电容,造成较大的高频电流而导致变频器过流、漏电流增加、电流显示精度变低等。如果线路过长,需要采用输出滤波器。以下以富士变频器为例来进行说明。
3.7kW以下电机连线不得超过50米,3.7kW以上电机连线不得超过100米。驱动多台电机时,应按至个电动机配线总长来计算。
变频器和电机之间有热继电器时,尤其是400V系列的话,即使连线小于50也可能发生热继电器的无动作。此时请使用输出滤波器,或者降低变频器的载波频率。
驱动多台电机时,如果配置了输出滤波器,电机连线总长应当不得高于400米
工程师必备
- 项目客服
- 培训客服
- 平台客服
TOP




















