学不会电路识图?记熟187个基础电路图就行了!
2022年7月19日 16:52浏览:2107 收藏:1
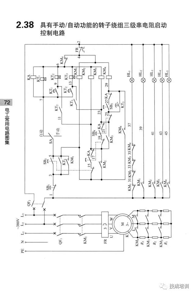
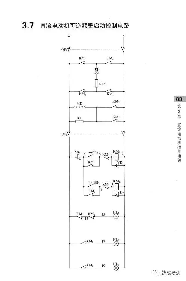
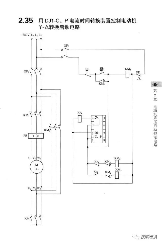
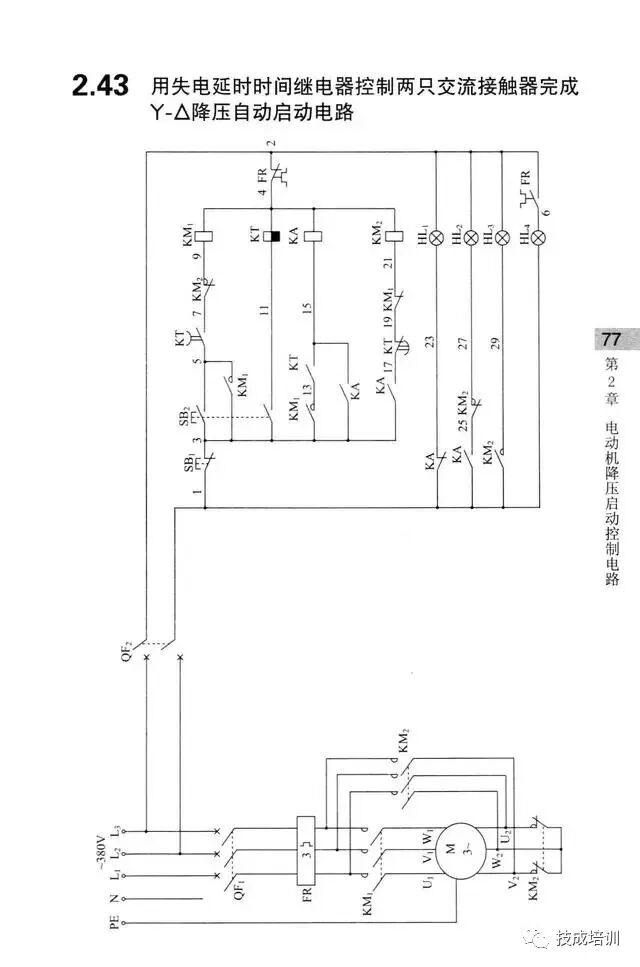
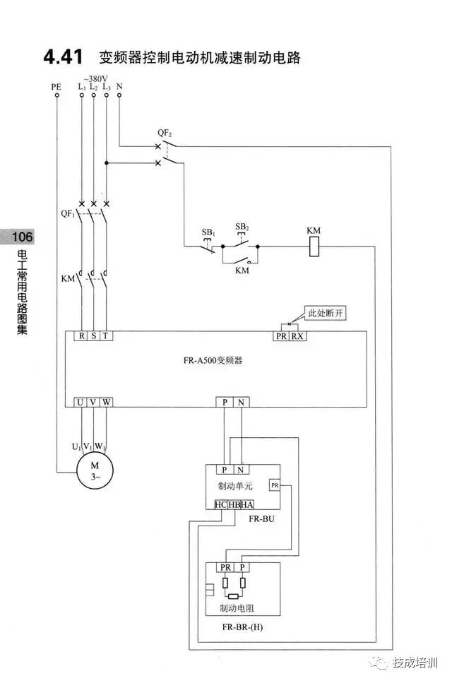
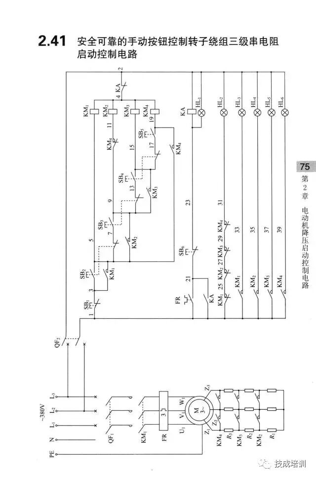
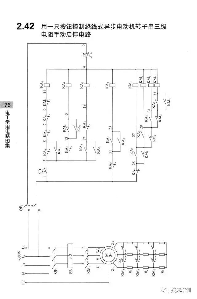
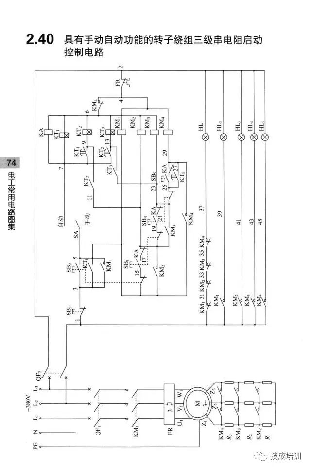
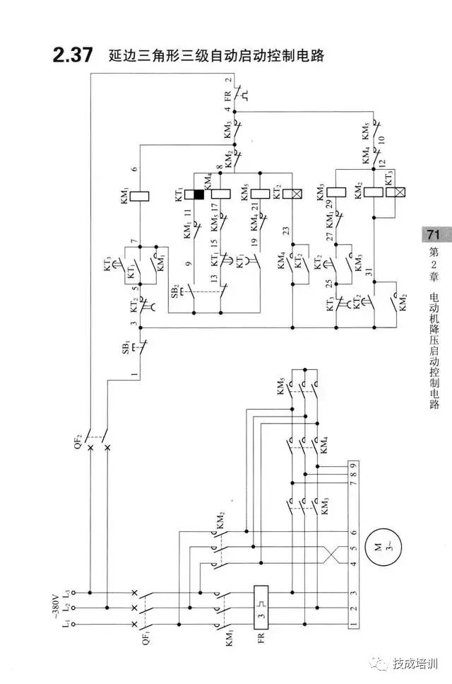
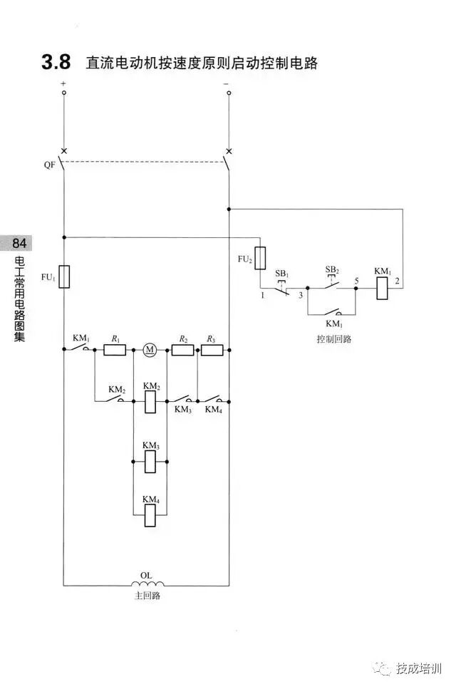
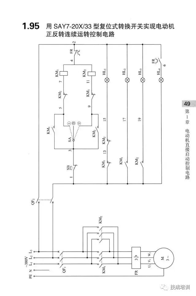
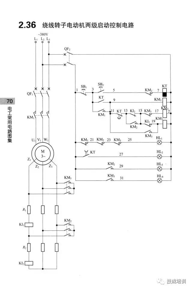
这些控制电路都是380V,实际中也可能有220V、110V、36V、24V等等。有的也有交流直流之分,在这里就不一一细说了,大家可以看到这些图后,举一反三。
(本文来源网络,我们注重分享,版权归原作者所有。)
技术邻APP
工程师必备
工程师必备
- 项目客服
- 培训客服
- 平台客服
TOP
1
1




















