熔模铸造在生产中较多采用糊状模料,这主要由于糊状模料比液态模料收缩小、凝固快、生产率高。在压型一蜡模一铸件的生产过程中,蜡模的尺寸稳定性和变形程度,极大地影响了铸件的质量状态。
针对易变形件要从第一道工序一射蜡就采用在蜡模中放入阻碍物限制收缩变形,开浇道根后粘浇道,压蜡后在水中冷却等有效措施,使蜡模处在一个良好的质量状态之下。大量生产实践证明,这些预防措施是有效并且十分必要的。
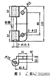
精铸件右页结构见图1,因需保证门的回转良好,故两个Ф10.5mm的孔要求同轴,客户要求用专用销轴检具全检,并且专用销轴一端要自由落体式无障碍地穿过两个孔。原来的生产工艺为:压蜡后,压型放入水中冷却30min后取出蜡模。
铸件用专用销轴穿两个Ф10.5mm的孔,因两孔不同轴,销轴穿不进去,需要100%校正,而且变形没有一点规律,极大增加了校正工作量,严重拖后生产进度。

针对此情况,改进了工艺,经过计算,做了10根Ф10.80-0.1mm的销轴,在压制右页蜡模后,就将该销轴在Ф10.5mm孔处穿入蜡模,之后一并放入水中,冷却30min后取出,针对这些蜡模做了两种方法:一种是修蜡模后直接组树,另一种是再在上面粘一条拉筋,见图1。铸件生产出来用销轴检测,仅有1件两孔略偏斜,其余则完全符合要求,此1件偏斜的右页,稍一校正即可符合要求。经归类,发现第一种方法未粘拉筋的就已经满足生产要求,可投入批量生产。
5×5BT阀套精铸件阀套的4个爪有严格要求,爪的外圆要求加工,必须保证足够的加工量,露黑皮不行。为此,在蜡模和铸件上均有专用样板检测爪尺寸变化(见图2)。

原来的工艺为:压蜡后放入水中冷却40min后取出蜡模。经检测,4爪在蜡模上总体为向内变形,每个爪还左右摆,变形没有规律。射蜡工1小时只能修出7件符合样板的蜡模。为解决变形问题,经计算,专门制作了金属支撑圈,见图2双点划线所示,在阀套蜡模射出后,将金属支撑圈插入,一并放入冷水中冷却40min后取出。在采用金属支撑圈并按工艺要求校正蜡模后,几乎不用修蜡模,大大提高了修蜡模的工作效率。现批量生产中已按改进后工艺执行,取得了良好效果

DNl50法兰盘结构见图3,其结构对称、壁厚均匀。如果直接在其上开出浇道,因浇道较厚大,与蜡模本体形成壁厚差,不仅在从模具拿出过程中取蜡模困难,而且会因取模方式不当造成变形;也会在蜡模的冷却过程中因壁厚不均,而造成收缩变形。所以综上考虑,对DNl50法兰盘采用先预设浇道根(高度为1.0~1.5mm),后粘浇道的方法来避免在蜡模上因浇道厚大而形成壁厚不均,导致收缩不同步的变形。

压蜡后,还要注意冷却方式的选择,通常是在空气中冷却或在冷水中冷却。在冷水中冷却可强制蜡模定型,而有些三端或两端为法兰盘,如DN40法兰闸阀体,在正常生产条件是放入水箱中冷却的,导致在蜡模上的两法兰盘间距L1和L2(见图4)相差得很大,可达到2.0~2.5mm。
经分析,除结构本身的特点,蜡模在水箱中为漂浮状态,出现蜡模的一部分在水中,一部分在空气中的情况。由于水面上下的法兰盘冷却条件不同,产生的收缩不同,使法兰盘产生较大的变形。为防止这种现象,应设法使蜡模完全浸入水中。使同一蜡模的各个部位冷却条件一致,待尺寸稳定后再取出,可大大减少此类问题的发生。

【4.1门扣】 门扣结构见图5,因属于厚大开口件,易在开口处变形(见图5虚线所示),靠插入阻碍物的方法仅能解决在蜡模上的变形,无法解决在铸件成形过程中因收缩不均而导致的变形。所以需在开口处加上一条Ф7mm的拉筋(见图6),既能解决蜡模上的变形又能解决铸件上的变形,待铸件热处理后再把拉筋去掉
【4.2 锁紧支架】 锁紧支架材质为SCSl3,结构见图7,最初采用横模头组树,2件/树,见图8。铸件做出后,变形很严重,达到3~4mm,见图7双点划线所示。后改用圆弧模头组树,仍为2件/树,见图9。
免责声明:平台所提供的信息及资料除原创外,部分内容来源于网络等媒体,版权归原作者及媒体网站所有