汽轮机热工保护系统
2022年9月28日 13:44第1节 汽机保护系统基本概念
1、热工保护的概念及作用
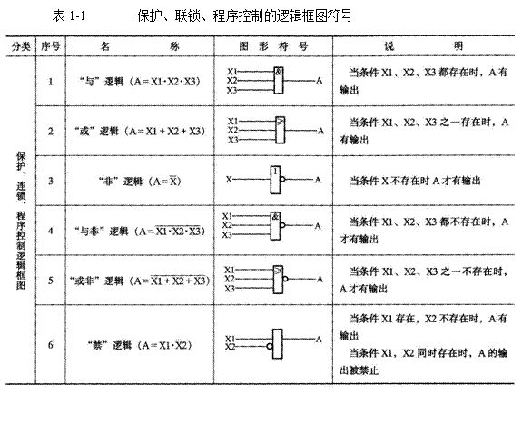
随着汽轮机组容量的不断增大,蒸汽参数越来越高,热力系统越来越复杂。为了提高机组的热经济性,汽轮机的级间间隙、袖封间隙都选择得比较小。因汽轮机的旋转速度很高,心机组启动、运行或停机过程中,如果没有按规定的要求操作控制,则很容易使汽轮机的转动部件和静止部件相互摩跃引起叶片损坏、大轴弯曲、报力瓦烧毁等严重事故.为了保证机组安全启停和正常运行需对汽轮机组曲轴向位移、热膨胀、差胀、转速、振动、主轴偏心度等机械参数进行监视并对轴承温度、油压、真空、高加水位等热工参数进行监视和异常保护.当被监视的参数在超过规定值(报警值)通过声、光等报警信息提醒值班运行人员,及时向值班运行人员提供这些热工参数变化的信息。在自动调节系统和联动控制系统等自动处理热工参数的异常时,运行值班人员还可以采取其他必要措施。只有当所有上述处理措施均失效,同时异常情况不断发展甚至可能危及机组设备的安全时,自动保护系统的跳闸回路才使用最后的极端措施——保护装置动低关闭主汽门,实行紧急停机,确保机组设备及人身的安全。保护、连锁、程序控制的逻辑框图符号及意义见下表:
2、热工保护的特点
(1)热工保护是保证设备及人身安全的最高手段
一个热工保护系统大致可分成两级:事故处理回路及跳闸回路。事故处理回路是以维持机组继续运行不中断为目的;跳闸回路则以保护设备及人身的安全为目的。
(2)热工保护的操作指令拥有最高优先级
即在任何情况下,不允许人为干扰它的工作,更不允许在机组运行过程中切除或退出热工保护系统。
(3)热工保护系统必须与其他自动控制配合使用
在保护动作过程中,直接由专门的执行机构去独立完成(例如:汽轮机超速或低真空引起跳闸停机)。一般在跳闸后还需通过联动控制去完成一系列操作。
(4)热工保护检测信息的可靠性高
由于保护系统最终是通过终止机组的运行来保证设备及人身安全的,因此,对保护系统检测信息的可靠性要求极高。一般必须是独立的检测系统,如果检测信息不准确,就会引发保护误动或拒动,给设备或人身带来严重安全隐患。
(5)热工保护具有监测和试验手段
热工保护系统在机组正常运行时长期处于待机状态,一旦发生异常情况,要求它能立即动作,为此,热工保护系统必须具有监测和试验手段。
(6)热工保护具有专门的记录系统
当热工保护系统动作后,为尽快 排除故障,要求迅速、准确地掌握机组跳闸的原因。因此,热工保护系统中配备有专门的记录仪,用以记录跳闸回路中首先出现的跳闸条件及该条件出现的时间。
第2节 汽轮机保护原理和逻辑
1、热工保护装置的作用
热工保护装置的作用是:当热工参数达到极限时,一方面通过声、光等报警信号提醒运行人员;另一方面在确认事故的情况下自动采取紧急停机、停炉或相应的减负荷等措施,以确保机组及人身安全。
2、汽轮机设置的保护项目
汽轮机的自动保护项目主要包括超速、凝汽器真空低、轴承油压过低和轴向位移过大等。
3、热工保护系统举例
(1)汽轮机的超速保护
汽轮机正常运行时转速为3000r/min,,在正常运行时,由于受到电网频率及负荷的影响,汽轮机的转速波动较小。但在突然发生机组甩负荷等事故时,如果调速系统的动作失效,关闭较慢或不严,则汽轮机转速会迅速上升,造成汽轮机超速。这时,往往会出现转子叶片脱落击穿汽缸等事故,甚至挣脱汽缸盖造成整机解体,即通常所说的“飞车”事故。由此可知,汽轮机超速事故轻则会损坏设备,重则将伤及人身或其他设备,造成重大经济损失。为此,就汽轮机保护而言,首先必经考虑的就是防止汽轮机的超速。为了防止汽轮机超速,当汽轮机转速升高到异常值时,应立即切断进入汽轮机的蒸汽。传统的液动调速系统中有多重防止超速的措施,其中,最主要的是危急保安器。但由于机械部分有可能失灵;因此,还设置了后备的保护措施。汽轮机的主汽门是利用调速系统中的高压油动机开启使蒸汽进入汽轮机的,控制主汽门的油是由主油泵出口经节流孔板提供,控制主汽门的油路被称为安全油系统。危急保安器的错油门开启时,可以泄去安全油路的油压,使主汽门迅速关闭。
当汽轮机的转速升高时,装在汽轮机轴内的离心飞锤2的离心力克服弹簧3的压力甩出轴外。凸出轴外的飞锤端部通过杠杆4使危急保安器的滑阀5开启,泄去安全油路的油压。汽轮机的主汽门由油动机6控制,执行机构活塞下部的油压建立时,活塞克服弹簧的压力使主汽门打开。一旦油压泄去,活塞受弹簧的压力使主汽门立即关闭。在安全油路中还设有由其他保护条件控制的泄油门。在图中的7是由电磁铁控制的泄油阀(电磁滑阀),供电信息控制汽轮机跳闸用,此电磁铁通常被称为汽轮机电磁跳闸线圈。
危急保安器离心飞锤的动作可以用弹簧进行整定。为保险起见,一般汽轮机有两个离心飞锤,分别整定为两个动作值:汽轮机正常转速的110%和111%,即转速为3300r/min和,3330r/min。
为切实防止汽轮机超速事故的发生,除了危急保安器之外,在液压调速系统中还设有超速后备保护滑阀,此滑阀通常放在调速器的滑阀上。当汽轮机转速过大时,调速器滑阀行程增大,带动超速后备保护滑阀,将安全油压泄去。一般超速后备保护滑阀的动作值为正常转速的112%~114%,对应3360~3420r/min 。
(2)凝汽器真空低保护
为了使汽轮机的运行有较好的经济仪并能及时发现和消除凝汽设备远行中的故障应对凝汽器的真空进行监视,当汽轮机凝汽器的真空降低时,必须相应降低汽轮机的负荷,否则将改变转子及叶片的受力情况及机组中心,引起汽轮机的振动增大,轴向位移增大。为此,汽轮机应设置凝汽器真空低保护。当凝汽器真空低至规定值(一般为67~73kPa或500~550mmHg)时,送出汽轮机跳闸信息,使汽轮机停止运行。凝汽器真空低保护的信息使用开关量变送器检测。当汽轮机启动过程中凝汽器的真空低于规定值,且凝汽器低真空保护的跳闸信息存在,则汽轮机不能启动。因此,可以采用在检测信息中加入闭锁条件的方法,使用两个同样规格,并且有可调差值的压力开关同时测量凝汽器的真空值,将两个压力开关的输出触点串联起来作为凝汽器真空低的跳闸信息。两压力开关的整定值为:主压力开关的触点整定在真空值低到72kPa(540mmHg)(假设的跳闸值)以下时触点接通闭合。闭锁用压力开关的触点整定在真空值升到93kPa(700mmHg)以上时触点闭合接通,当真空降到67kPa(500rnmHg)以下时触点断开。由此,在汽轮机启动过程中,当真空低于93kPa时,闭锁用压力开关的触点断开,无跳闸信息。当真空值升到93kPa以上再降到72kPa时,发出跳闸信息,同时,当真空值降到67kPa以下时,跳闸信息被切除。
(3)轴承润滑油压低保护
汽轮机的轴颈是靠油膜与轴承接触的。若润滑油压过低,将破坏油膜致使轴颈与轴承直接接触。轴颈与轴承间的高速摩擦所产生的大量热量将使回油油温迅速上升,严重时将使轴瓦烧坏,转子下沉或汽缸内部动、静部分发生碰撞。为此,应设置轴承润滑油压低保护。
在汽轮机运行过程中,若润滑油压降至低I值(即O.07MPa)时,联动控制系统将自动启动交流润滑油泵(或润滑油泵的交流电机);当润滑油压下降至低Ⅱ值(即0.031MPa)时,联动控制系统将自动启动直流润滑油泵(或润滑油泵的直流电机);当润滑油压降至低Ⅲ值(即0.02MPa)时,发出汽轮机跳闸信息,使汽轮机紧急停机;当润滑油压降至低Ⅳ值时,则必须停止盘车。
(4)轴向位移过大保护
轴向位移保护的作用是:防止汽轮机转子推力轴承磨损造成汽轮机转子与静子部分相碰撞。制造厂规定轴向位移应小于±1.2mm,所谓“+”、“-”是指:轴向位移向推力瓦工作面(即发电机方向)为“+”,轴向位移向非推力瓦工作面(即汽轮机机头方向)为“-”。冷态时,将转子向推力瓦工作面推足,此时定轴向位移表为零。
轴向位移检测装置安装在尽量靠近推力轴承处,用以排除转子膨胀的影响。
油压式轴向位移检测装置是一种轴向位移检测装置。
在汽轮机轴上有一凸缘,在凸缘两侧各装有一只油喷嘴,由汽轮机的油系统节流孔板向油喷嘴供油。当油喷嘴与凸缘平面的距离变化时,油喷嘴出口前的油压,即节流孔板后的油压亦发生变化。二者距离越小,则油喷嘴出口前油压越高。所以,当油喷嘴位置固定,且汽轮机转轴产生轴向位移时,油喷嘴出口前的油压变化就对应了轴向位移的大小。因此,只要知道油喷嘴和凸缘平面距离与油喷嘴出口前油压的对应关系,即可利用装在该段油管道上的压力表及压力开关检测轴向位移值和提供保护用的开关量信息。一般在汽轮机上安装了两套完全相同的油嘴,分别设置在汽轮机轴上凸缘的两侧。
第3节ETS系统常见故障及处理
ETS系统及设备的一些较普遍的故障的原因分析及处理方法列表如下:
序号 |
故障现象 |
故障原因 |
故障处理 |
1 |
参数未到达设定值ETS动作 |
可能是外围测量设备动作不准确或线路出现短路或断路情况 |
检查外围测量设备和线路 |
2 |
参数到达设定值ETS未动作 |
线路断路或继电器不能动作问题 |
检查线路,继电器有问题更换继电器 |
3 |
参数以到达设定值并已送至ETS输入端,ETS未动作 |
EST输入模件已坏 |
更换输入模件 |
工程师必备
- 项目客服
- 培训客服
- 平台客服
TOP




















