编程实例|如何利用PLC对电热水壶做加热控制?
2022年11月16日 11:36电热水壶在日常生活中随处可见,但生活中的热水壶只能烧开一次,如果长时间不饮用就会变凉。为了解决这个问题,在本次案例中引用了PLC做加热控制。
控制要求:第一次按下启动按钮,进行加热,当水温达到100℃时,停止加热。在往后的过程中,如果水杯中的水温低于30℃时,就启动加热棒进行加热。按下停止按钮,无论处于什么状态都停止加热。
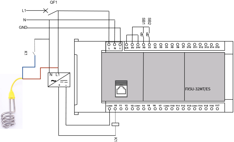
所需硬件:热电阻(Pt100),温度变送器,PLC(FX5U-32MT/ES),固态继电器,加热棒。如图1-1所示。
图 1-1 热水壶加热系统
任务中的案例基于三菱FX5U系列PLC的应用案例,在学习本案例前请先自评下是否具备以下基础,若对相关的基础知识不熟悉,请根据下方提供的二维码进行预先学习课程。
基本设置(见图2-1)
图 2-1模拟量输入基本设置
(1)A/D转换允许/禁止设置:
设置了A/D转换允许才能对模拟输入进行A/D转换。
(2)A/D转换方式:
采样处理:每来一次扫描,就采集一次;
时间平均:数字输出值=时间采集的合计值÷时间采集次数;
次数平均:数字输出值=次数采集的合计值÷采集次数;
移动平均:数字输出值=每个扫描周期设置的次数合计值÷次数。设置次数为4次时,如图2-2所示。
图 2-2 移动平均
图 2-3 应用设置
(1)报警输出功能:当数字运算值不在过程报警值的范围内,报警输出标志为ON;
(2)比例尺超出检测:输入的模拟电压值超过10.2V的值时检测。
(3)比例缩放设置:对要输出的数字值进行换算如图2-4所示。
图2-4 比例缩放设置
(4)移位功能:对要输出的数字值整体移位。
(5)数字剪辑设置:禁用时数字输出范围(0~4095),启用时数字输出范围(0~4000)。
本案例会从电气元件选型—IO地址分配—硬件接线-软件参数设置-程序设计这五个方面进行讲解。
根据任务控制的描述,在本例中需要一个PLC,两个按钮,热电阻(Pt100),温度变送器,固态继电器,加热棒。如下表3-1所示。
根据任务控制的描述,在本例中需要使用到2个输入点1个输出点,I/O分配表如下表3-2所示。
FX5U本体PLC可兼容源性和漏型的输入,当S/S跟24V短接时,输入即为漏型输入如图3-1所示;当S/S跟0V短接时,输入即为源性型输入。在本案例中需要用到两个按钮,一个是启动按钮接在X0上面,一个是停止按钮接在X1上面。由于选的型号是FX5U-32MT/ES,输出类型是漏型输出,所以其公共端接0V。Y0输出给固态继电器的线圈,固态继电器线圈的另一端接24V,固态继电器的常开触点给加热棒的零线,另一个给电源的零线,加热棒的另一根接火线。
图3-1 PLC输入输出接线
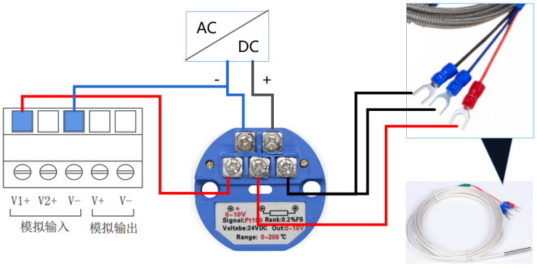
先给温度变送器提供一个24V的电源。热电阻有三根线,其中两根银色线短接接入到温度变送器中,红色线单独接。温度变送器输出的电压信号接入到PLC模拟量输入中的V1+,而V-接到公共端0V。具体接线方式可参考图3-2。
图3-2 模拟量输入接线
(1)模拟量输入基本设置:
将A/D转换允许/禁止设置改为允许,平均处理指令可选择采样。如图3-3所示。
图3-3 模拟量输入基本设置
(2)模拟量输入应用设置:
当温度在0℃时,模拟量的输入电压是0V;当温度在150℃时,模拟量的输入电压是10V。将得到的数值扩大到100倍,填入到如图3-4所示表格中,填写完成之后就可以利用SD6021监视当前的温度。
图3-4 模拟量输入应用设置
写一个传统的起保停的程序,利用X0做启动,X1做停止,M0代表运行,如此可以先满足程序的要求。当第一次按下启动按钮时,就计数计1次,计数器C0的常开触点导通,此时当当前的温度小于100℃时就启动加热棒。当当前温度大于等于100℃时,就复位掉计数器C0。在往下的过程当中,只要当前温度小于30℃时就启动加热棒。
程序如图3-6所示。
图3-6 程序设计
文章来源技成培训网,作者:林瑞花
工程师必备
- 项目客服
- 培训客服
- 平台客服
TOP




















