电机延迟启,延迟停2种实现方式,新手也能深入了解定时器指令~
2023年1月10日 14:20浏览:4072 收藏:1
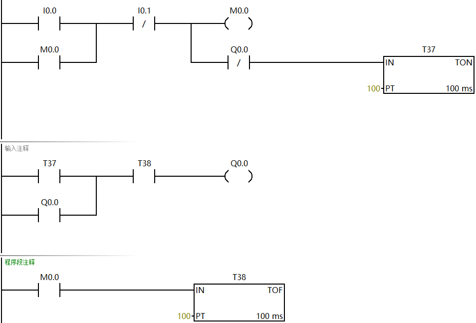
(1)按下启动按钮计时10s后启动设备运行(运行后需断开定时使能)
(2)按下停止按钮计时10s后断开设备运行(断开后需断开定时使能)
(1)按下启动按钮计时10s后启动设备运行(运行后需断开定时使能)
(2)按下停止按钮计时10s后断开设备运行(断开后需断开定时使能)
分析:通过启动保持和停止保持对定时器使能并启动电机和停止电机,TOF定时器接通时对应触点会动作,常开变常闭,常闭变常开,当接通条件断开后,定时器开始计时,时间到变恢复触点原始状态。
以上即为电机延迟启,延迟停两种实现方式,大家如若还是一知半解的,详细的请大家扫描下方直播二维码进行观看。
文章来源技成培训网
技术邻APP
工程师必备
工程师必备
- 项目客服
- 培训客服
- 平台客服
TOP
1




















