柔性低频输电技术拓扑结构介绍
2023年1月10日 14:28低频交流输电技术(Low Frequency AC Transmission Technology,LFAC)借助交交变频器将工频电能降至低频后进行传输,或是由风机、水轮机组等直接发出低频电能经升压后进行传输。LFAC一方面大大减小了线路电抗与充电无功,显著提升线路输送容量;另一方面仍具备交流易组网、故障易开断的优势。
▲LFAC基本原理
早期的变频方案主要有以倍频变压器为代表的铁磁旋转变频方式以及基于半控型晶闸管的相控交交变频器等,结构简单、造价较低,主要在德国、美国电气化铁路以及变频电机的驱动中有所应用,但存在效率低、谐波大、动态性能差等诸多问题。
▲倍频变压器
▲晶闸管周波变换器
随着电力电子技术的快速发展,基于全控型电力电子器件的柔性LFAC凭借在典型应用场景下的技术经济优势,再次回到大众视野,为新能源送出等场合提供了另一种选择,有望成为高压交、直流输电技术外的重要补充。工程应用中可根据实际情况和系统优化技术灵活选择0~50Hz合适频率。目前国内工程一般选取低频频率为20Hz。
PART01
系统拓扑选择
PART02
适用场景和应用现状
能源变革的持续深入、电力系统形态的深刻演变,为柔性LFAC技术的应用提供了新的土壤。国内外专家学者普遍认为柔性LFAC技术在中远距离海上风电送出、陆上新能源发电汇集与送出、大容量中远距离输电、大型城市异步互联扩容/改造和多岛屿互联供电等场合具有技术经济优势。
目前,国内的LFAC工程主要有国网台州35kV柔性低频输电示范工程、国网杭州220kV柔性低频输电示范工程、广东电网珠海桂山岛10kV柔性低频改造项目和海上风电柔性低频输电系统动模实验平台。
总结
柔性LFAC技术兼具工频交流输电技术和柔性直流输电技术的部分优势,能够一定程度上提升电网输送容量和柔性调控能力,是一种新型高效的交流输电技术。
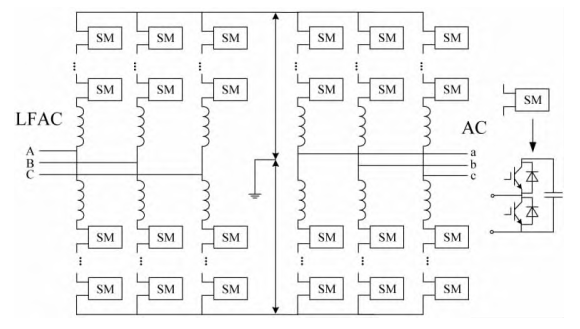
变频器拓扑作为柔性LFAC系统的关键,对系统运行性能和经济性有重要影响。文中三种典型拓扑方案的网侧性能相仿,均能满足柔性LFAC系统对换流站的技术要求,其中M3C和DRU-MMC方案经济性较好,当前业界认为此两种技术方案均具备一定的工程应用前景。
随着系统结构的完善、设备效率的提升、控制策略的优化,柔性低频交流输电的优势将不断凸显,加上能源革命的持续推进和能源结构的不断完善,柔性低频交流输电将得到更快的发展。
文章来源|电网科创圈
工程师必备
- 项目客服
- 培训客服
- 平台客服
TOP




















