CFD专栏丨电池电芯热电耦合仿真
2023年6月7日 14:50SimLab 电池热电耦合模型
从2022.3版本开始 SimLab 增加了Battery模块,用于模拟电荷守恒与电池模块中的能量方程耦合。在这种方法中,电芯被建模为一个均匀的介质,可以模拟电压-电流的响应和相关热量的产生。该解决方案具有单电位(single potential )和多尺度多维(Multi-Scale Multi-dimensional-MSMD)两种方法。
单电位方法使用等效电路模型(ECM)来表征电压-电流响应,并将其作为能量方程和边界条件中的源项应用,基于电池连接组件(例如端子/片、母线和任何其他导电组件)中电势的电流和端电压降。
MSMD 使用多尺度方法,其中又分为电芯尺度和子域尺度。在该模型中,两个电位场在电芯尺度上解析,它们代表正负极集电器的电位。子域模型(目前仅支持ECM模型)表示从常微分方程系统解中得出的电池的电压-电流响应。子域和电芯尺度之间的域间耦合是通过平均源项来实现的,以消除双电势和能量方程中的任何空间依赖性。电芯尺度到子域的耦合是直接在子域方程中使用空间解析变量实现的。电池模组的端子和母线发热均使用焦耳热模型。
ECM模型支持一阶和二阶,前者具有简单性的优点(例如参数更少),后者提供更准确的电芯的电压响应。单电位方法支持圆柱电芯(cylindrical)、方形电芯(prismatic)和软包电芯(Pouch),而 MSMD 方法目前仅限于软包电芯。
电池电热建模需要详细了解电池中的电化学。例如,温度和集电器电势的任何空间不均匀性都会显着影响电化学,电化学反过来又反馈到热和电响应中。然而,详细电化学在电池包CFD模型中进行模拟时计算量巨大。出于这个原因,开发了MSMD多尺度多维解决方案,在单电芯上结合重要的电化学,并扩展到电池pack级。下图显示了AcuSolve求解器的不同规模的电池模型。
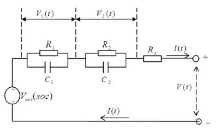
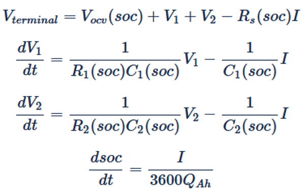
等效电路模型
在等效电路模型(ECM)中,电池的电行为由电路模拟。例如在二阶ECM模型中,电路由三个电阻和两个电容组成,如图所示。
电压-电流关系可以通过求解以下一组电路方程来获得。其中:QAh代表电池的容量,V和I分别是电压和电流。开路电压Vocv、电阻Rs/R1/R2和电容C1/C2是荷电状态SOC和温度的函数。这些参数通常可以通过电芯试验数据的非线性回归获取。
ECM模型中的上述参数用于Bernardi方程,以计算欧姆热的产生(焦耳热效应)和熵体积热的产生(电芯的电化学反应)。dU/dT项代表开路电压随温度的变化。
下面通过一个简单的圆柱电芯模型演示电热耦合分析过程。
在Solution中选择Battery Thermo Electric,设置电芯类型,时间步和总时间。AcuSolve求解过程中除了流动方程、湍流方程,能量方程还会增加一个电学方程。
在电芯的网格建模步骤,需要将电芯本体、阳极、阴极和母线区分,并赋予不同的材料属性。接下来需指定各个电芯的串联、并联关系。SimLab会对电芯自动重新命名,规则采用M#S#P#,M表示模组,S表示串联,P表示并联。
M1S2P2
两个串联和两个并联的18650圆柱电芯
指定电池包的组件
指定电池模组串、并联数量,电参数输入模式,每个电芯电压、电流、荷电状态的范围。
电参数输入模式,用户可以指定电流、电压、功率、充放电倍率曲线C Rate,或者采用标准充电工况参数:
支持两种标准充电工况:恒电流恒电压CC-CV和恒功率恒电压CP-CV。对于CC-CV,充电从恒流或c_rate开始,然后在达到电压限制后切换到恒压充电方法。当电流降至预定义的水平(例如,最小电流或最大 soc)时,仿真将终止。对于CP-CV,初始充电是恒定功率,一旦达到电压限制,就会切换到恒定电压。CP-CV 和 CC-CV模式采用相同的方式终止。
下图显示典型的 CC-CV 或 CP-CV 充电电流、电压和 SoC 曲线。
在ECM选项中,用户输入电芯容量、开路电压Voc、欧姆内阻、极化内阻和极化电容。
熵热系数( Entropic heat coefficient )是开路电位相对于温度的导数。它代表电芯中可逆的热量产生。类型支持常量、线性和双线性。
一阶ECM
二阶ECM
ECM参数可以是SOC的函数或者SOC加温度的函数。
电芯的极化内阻和极化电容
表格第一列是温度,第一行是SOC参数
18650 圆柱电芯的ECM参数:
开路电压
欧姆内阻
极化内阻
极化电容
在母线端部分别指定电流和电压边界条件:
电参数设置完毕后,用户输入流体边界条件,例如换热系数、环境温度或水冷通道的流量、水温等等。
点击模型树的update提交CFD计算,演示模型采用8CPU核约计算6分钟。
放电2700秒后的温度、电流密度、电压和SOC:
0~2700 秒电池表面温度动画:
详细操作视频:
本期的干货分享就到这里啦,对本专栏感兴趣的朋友们欢迎持续关注 Altair 官方微信公众号,点击文末或标题下方的CFD专栏,还可以阅读更多往期文章,下期见~
关于 Altair 澳汰尔
Altair(纳斯达克股票代码:ALTR)是计算科学和智能领域的全球领导者之一,在仿真、高性能计算 (HPC) 和人工智能等领域提供软件和云解决方案。Altair 能使跨越广泛行业的企业们在连接的世界中更高效地竞争,并创造更可持续的未来。
公司总部位于美国密歇根州,服务于13000多家全球企业,应用行业包括汽车、消费电子、航空航天、能源、机车车辆、造船、国防军工、金融、零售等。
欲了解更多信息,欢迎访问:
工程师必备
- 项目客服
- 培训客服
- 平台客服
TOP




















