碳化硅MOS管在三相逆变器上的应用-REASUNOS瑞森半导体
更新于2023年12月28日 16:28浏览:2121
一、前言
单相离线式不间断电源只是备援性质的UPS,市电直接供电给用电设备再为电池充电,一旦市电供电品质不稳或停电时,市电的回路会自动切断,电池的直流电会被转换成交流电接手供电的任务,直到市电恢复正常。UPS只有在市电停电了才会介入供电,不过从直流电转换的交流电是方波,只限于供电给电容型负载,如电脑和监视器等。
二、产品应用及工作原理
单相离线式不间断电源又称为备用不间断电源,主要应用单台计算机系统的断电保护。
单相离线式不间断电源的工作原理是:
1、市电正常时则市电经稳压后直接输出负载,同时经整流器将交流电转化为直流电给电池充电,此时逆变器不工作。
2、当市电故障时,由电池提供电力,经逆变器输出负载。
3、结构简单、价格便宜、体积小、噪声低、效率高。
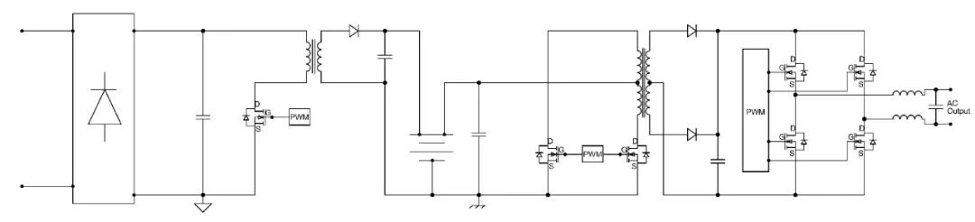
三、典型应用拓扑图
四、典型应用线路及选型
如上图所示AC-DC部分是用反激架构可推荐使用瑞森半导体650V系列的高压MOS,选型如下:
DC-DC/step up部分是用推挽架构可推荐使用瑞森半导体SGT系列的低压MOS,选型如下:
DC-AC部分是逆变线路是将电池直流电转换成交流电以供计算机使用,可推荐使用瑞森半导体500V系列的高压MOS,选型如下:
技术邻APP
工程师必备
工程师必备
- 项目客服
- 培训客服
- 平台客服
TOP




















