Ansys电机及其控制系统解决方案
2023年12月12日 10:27电机设计问题
新的电机设计流程
高效的电机电磁自动化仿真分析流程
Ansys新的电机多学科仿真设计平台
Ansys Motor-CAD电机多学科概念设计
Ansys Motor-CAD
Motor-CAD Therm
• 基于热网络和电机模板
• 具有20多年内置经验的电机热分析工具
• 稳态温升+瞬态温升
• 几秒钟完成温度计算
• 分析热传导路径并改善散热设计
• 设计空间探索,优选方案
• 自动生成热和流体网络
• 包括径向和轴向传热的三维网络
• 槽截面的细节可视化和计算
• 所有计算的背后都是CFD, FEA 以及经验的累积
• 集成多种常用冷却方式
• 电机的温度模型建立,非常具有挑战性,因为很多参数会受到制造因素的影响。
• 影响温升的几个典型因素:定子和机壳是否接触良好;绕组浸漆和灌封是否完好。
• 软件中内置了经验数据,帮助用户选择合适的值。
Motor-CAD EMag
• 大量参数化设计模板和几何模型
• 结合2D有限元和解析法
• 计算转矩、功率、损耗、电压、电流、电感、磁通、电磁力等参数
• 自动设置不同性能和工况计算。
• 内嵌2D瞬态有限元
• 全自动设置剖分和边界条件
• 高级计算功能:磁钢涡流损耗;导条涡流损耗;绕组交流损耗
• Dxf模型导入
• 脚本编辑几何模型
• 用户自定义电流波形
• 用户自定义斜极斜槽
Motor-CAD Lab
• 效率Map图和损耗Map图
• 峰值转矩转速曲线计算
• 连续转矩转速曲线计算
• 运行周期性能分析
• 开路和短路分析
• 考虑电机控制策略
• 计算任意运行周期内的损耗、效率和功率
• 计算电机温度随时间变化的曲线
• 计算过程中损耗、磁钢性能考虑温度影响
Motor-CAD与Maxwell的接口
Motor-CAD与TwinBuilder的接口
Ansys以往工具与Motor-CAD的区别
电机电磁性能分析
电机有限元分析
支持多种运动形式
永磁电机退磁分析
电机整体充磁分析
扁线电机的涡流损耗计算
电机环流计算
磁钢涡流损耗计算
二维等效斜极斜槽分析
效率Map图计算
绕组自动设置Toolkit
电磁力二维FFT
绘制电磁力瀑布图
电机振动与噪声分析
Ansys电机本体振动噪声分析解决方案
• 精度高
• 结果基于物理场
• 灵活且易用
• 统一平台统一的模型参数化平台;统一的优化平台;数据无缝链接
Ansys电机本体振动噪声分析流程
支持转子分段斜极的电磁力映射
• Maxwell2D skew功能可处理多个slice上的电磁力并自动映射到谐响应
• 大幅简化了永磁电机转子分段斜极的NVH分析流程
• 支持一字、V字和用户自定义斜极
考虑转子偏心的振动噪声分析
电机本体+减速器振动噪声分析
Ansys Sound:瀑布图→ERP listening
Ansys Sound:修改声音瀑布图
Ansys Sound:电机噪声阶次识别与提取
电机温度场分析
电磁热耦合分析流程
风冷分析案例
电磁损耗的耦合
Fluent流体仿真结果
永磁电机定子水冷仿真
三相感应电机液冷仿真
三相感应电机喷油及液冷仿真
考虑磁钢温度特性的电机特性仿真
电机设计优化
参数化建模
IPM转子UDP参数化模型
UDP参数化模型
输出参数化:反电势、转矩某次谐波幅值
输出参数化:时空电磁力2DFFT
• 电机转子旋转时,气隙圆周中产生的空间电磁力密度波形具有时空二维属性
• 我们通常对有限元仿真得到的时空电磁力波数据进行二维傅里叶分析(FFT2D),获得不同时、空阶次分量的幅值,以判断其对振动的贡献
• 在Maxwell中直接进行FFT2D比较困难
• 为此,我们开发了用于FFT2D的UDO脚本,功能包括:输出用户指定的任意时、空阶次幅值;导出所有FFT2D结果矩阵到csv文件
• 利用该脚本即可实现对电磁力某时、空阶次幅值的优化
Maxwell+optiSLang电机多工况多目标优化
基于optiSLang的多物理场优化平台
Motor-CAD电机多学科优化
optiSLang参数敏感性分析与优化
电机驱动系统分析
电机ECE模型抽取
IPM电机MTPA控制
不同控制方法仿真结果比较
嵌入控制代码仿真
旋转变压器及其控制器仿真
电驱动系统仿真分析流程
开关器件物理原型建模
开关模块建模
母排寄生参数提取
• 母排表面电流由于“集肤效应”与“邻近效应”的影响,明显分布不均匀
• 通过Q3D可提取模型在不同频率下的RL/CG矩阵,替换掉理想模型的走线
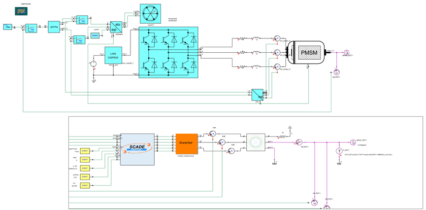
电机驱动系统传导干扰分析
深圳市优飞迪科技有限公司成立于2010年,是一家专注于产品开发平台解决方案与物联网技术开发的国家级高新技术企业。
十多年来,优飞迪科技在数字孪生、工业软件尤其仿真技术、物联网技术开发等领域积累了丰富的经验,并在这些领域拥有数十项独立自主的知识产权。同时,优飞迪科技也与国际和国内的主要头部工业软件厂商建立了战略合作关系,能够为客户提供完整的产品开发平台解决方案。
优飞迪科技技术团队实力雄厚,主要成员均来自于国内外顶尖学府、并在相关领域有丰富的工作经验,能为客户提供“全心U+端到端服务”。
工程师必备
- 项目客服
- 培训客服
- 平台客服
TOP




















