关注 | 10亿个晶体管/mm² !1nm节点可以这样做







来源:EETOP编译自semiwiki 

在接下来的几个高级过程节点的设备路线图似乎已经相对清晰。FinFET拓扑将被GAA(gate-all-around)器件取代,通常使用多个堆叠通道,金属栅完全围绕“纳米片”。尽管鳍片由于在鳍片的高度和厚度上的遍历而表现出改善的栅极至沟道静电,但堆叠的纳米片却进一步改善了这种静电控制-优化了亚阈值泄漏电流。
提议的对纳米片拓扑的扩展采用“forksheet”,如下图所示。
关注 | 10亿个晶体管/mm² !1nm节点可以这样做的图1
forksheet研发的目标是消除nFET到pFET器件的间距规则(用于公共栅极输入连接),用薄氧化物隔离两组纳米板。晶体管密度获得这种引人注目的增益的代价是——栅极再次在三个侧面上包围了沟道体积–“ FinFET侧面翻转”是forksheet的一个常见的相似之处。
尽管后FinFET节点的大批量制造(HVM)的日期有些不确定,但是可以预料,这些不断发展的纳米片/forksheet拓扑将在2024-25年间出现。
目前正在积极进行工艺开发和设备研究,以寻找无数纳米片的替代品。假设“纳米”设备拓扑将至少用于两个进程节点,如果任何新设备要在2028-30年达到HVM,现在就需要积极地进行研究。
在最近的IEDM会议上,Synopsys展示了他们在此时间范围内针对“ 1nm”节点的领先器件替代产品之一的预测和设计技术协同优化(DTCO)评估结果。本文总结了他们演讲的重点。
1nm 节点
下图描述了最近几个工艺节点的晶体管密度的直线趋势。(此图是Synopsys与IC Knowledge,Inc.合作的一部分。)
关注 | 10亿个晶体管/mm² !1nm节点可以这样做的图2

关于这张图需要注意的几点:
  • x轴上的节点名称代表了从14nm节点的简单过渡,每个连续的数据点都由0.7X摩尔定律线性乘数定义(为了便于讨论,如果DTCO工艺发展的目标确实是保持在这条曲线上,那么使用0.7X的命名是合适的。) 
  • 每个节点上的密度数据点代表来自多个代工厂的指标
  • 数据点包括对逻辑和SRAM实施的单独测量
逻辑密度通常与代工技术常用的基础库单元实现有关。例如,一个2输入NAND单元的面积反映了单元中4个器件的使用情况。
  • 接触的多间距 the contacted poly pitch(CPP)
  • cell中水平金属走线的数量(用于信号和电源)
  • cell邻接隔离间隔(“扩散中断”与单元之间的虚设栅极捆绑在一起)
另一个关键的单元维度是一个(可扫描的)数据触发器的面积。上面的晶体管密度计算对每个逻辑数据点使用了NAND和FF单元的逻辑混合。 
特别值得注意的是,在Synopsys对1nm节点的预测中使用的器件拓扑结构的假设。目前正在积极研究,以便在与该节点一致的时间范围内评估几种非硅场效应器件类型--例如,二维半导体材料(MoS2)和一维碳纳米管。为了保持在晶体管密度曲线上的目标,Synopsys TCAD团队采用了DTCO工艺定义来实现3D“互补FET”。下图展示了CFET的横截面。
关注 | 10亿个晶体管/mm² !1nm节点可以这样做的图3
CFET技术的一个吸引人的特征是与纳米片拓扑结构的相似性,后者将在1nm节点的时间范围内具有多年的制造经验。CFET方法的新颖之处在于pFET和nFET纳米片的垂直放置。
CFET拓扑利用了典型的CMOS逻辑应用,其中将公共输入信号施加到nFET和pFET器件的栅极。(稍后将讨论具有仅nFET字线传输门的6T SRAM位单元的独特情况。)上图显示了pFET纳米片如何直接位于nFET纳米片下方。在图中,存在两个nFET纳米片,比pFET窄,这主要是由于需要空间来接触pFET源极和漏极节点,因此nFET的宽度减小了。并联的两个nFET将提供与pFET相当的驱动强度。(CFET中的SRAM位单元设计采用了不同的策略。)还显示了有源栅极上的M0接触(COAG)拓扑结构,扩展了这种最新的工艺增强功能。
CFET器件的处理需要特别注意pFET和nFET的形成。用于pFET源/漏节点的SiGe的外延生长用于在沟道中引入压缩应变,以提高空穴迁移率。然后执行pFET栅极氧化物和金属栅极沉积。随后,nFET源极/漏极节点的外延Si生长,随后的栅极氧化物和金属栅极沉积必须遵守现有pFET器件施加的材料化学约束。
埋入式电源轨(Power rails) 
请注意,对于1nm节点的假设是,本地VDD和GND分布将由“埋入电轨”(BPR)提供,它们位于基板中的纳米片下方。结果,既需要“浅”(器件)通孔,又需要“深”(BPR)通孔。因此,BPR和过孔的金属成分是关键的工艺优化,以降低寄生接触电阻。(主要)金属必须具有低电阻率,并以极薄的势垒和衬里材料沉积在沟槽中。
关注 | 10亿个晶体管/mm² !1nm节点可以这样做的图4
说到寄生,下面的(简化)布局图突出了CFET拓扑的独特优势。CFET器件的三维方向消除了单独的nFET和pFET区域之间的栅极穿越。而且,与FinFET器件布局相比,栅极到源极/漏极局部金属化层的并行运行长度显着减少。(图中显示了经过纳米片的较小的栅极长度扩展。)结果,使用CFET极大地改善了器件的寄生Rgate电阻和Cgs / Cgd电容。
CFET SRAM设计
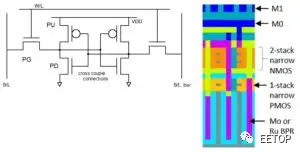
在CFET工艺中实现6T SRAM位单元会引入一些权衡。Synopsys DTCO团队选择了独特的设计特性,如下图所示。
关注 | 10亿个晶体管/mm² !1nm节点可以这样做的图5

1. nFET下拉:pFET上拉比很容易达到2:1
前面所示的两个较小的nFET纳米片,其逻辑驱动强度比为1:1,与SRAM位单元中的pFET的宽度相同,驱动力为2:1。(请注意,这可以与FinFET位单元相媲美,其中nFET鳍片的数量为2而pFET鳍片的数量为1。)
2. 实现了一对修改的nFET传输门器件
用于传输门(pass gates)的两个nFET纳米片(略)比下拉电阻弱;栅极仅存在于纳米片的三个侧面上。这种“三栅极”配置提供了更密集的位单元,并优化了传输门:下拉nFET器件的相对强度,以实现可靠的单元读取容限。
3. 通过门器件下的pFET纳米片现在变成无效的“虚拟”门
4. 内部6T单元互连使用唯一的“交叉耦合”层(在M0通孔水平)

在工艺开发的早期,DTCO分析利用TCAD模拟工具,来表示材料的光刻图版、材料沉积和(选择性)蚀刻轮廓。这项早期的优化工作提供了对所需的工艺窗口、预期的材料尺寸和电学特性的见解,包括优化自由载流子迁移率的沟道应变。
关注 | 10亿个晶体管/mm² !1nm节点可以这样做的图6  
后续的寄生提取,与设备模型合并,为新工艺提供初步的功率/性能度量,并结合设备布局区域进行全面的PPA评估。下图提供了上述SRAM位单元的DTCO的可视化分析。
总结
在IEDM上,Synopsys TCAD团队提供了对 "1nm "节点特性的窥探,该节点基于CFET器件拓扑结构,在两个nFET纳米片下面有一个pFET纳米片。还假设了埋入式电源轨。光刻假设是基于利用(高数值孔径)EUV--例如,39nm CPP(带COAG)和19nmM0金属间距。对于相对的PU:PD:PG驱动强度和内部交叉耦合互连层,都采用了独特的SRAM位单元设计方法。 
这种DTCO分析的结果表明,1nm CFET节点可能确实能够保持激进的晶体管密度,接近10亿个晶体管/平方毫米。
原文:https://semiwiki.com/eda/synopsys/294205-what-might-the-1nm-node-look-like/

登录后免费查看全文
立即登录
App下载
技术邻APP
工程师必备
  • 项目客服
  • 培训客服
  • 平台客服

TOP