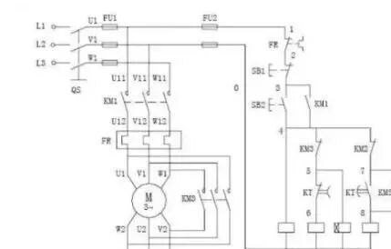
星三角降压启动原理电路图
2021年4月22日 13:12常规做法是M,△,Y三个一样大,容量取电机额定电流值相近的规格。
比如37kw电机,额定电流约72A左右,可选三个成品的65A的接触器。因为是双路供电,所以65A足够了。
省钱的做法有两种,一是把星形接触器的容量降一档,比如上面的用50A的。另一种是三个都往下降一档,只要容量超过电机电流的一半以上就可用。
比如37kw,可以三个都用50A的。极限条件下甚至可以用到40~45A的接触器,但寿命不长。
星三角降压启动原理电路图
1.当负载对电动机启动力矩无严格要求又要限制电动机启动电流且电机满足380V/Δ接线条件才能采用星三角启动方法;
2.该方法是:在电机启动时将电机接成星型接线,当电机启动成功后再将电机改接成三角型接线(通过双投开关迅速切换);
3.因电机启动电流与电源电压成正比,此时电网提供的启动电流只有全电压启动电流的1/3 ,但启动力矩也只有全电压启动力矩的1/3。
江城,市中心,紫薇小区某单身公寓内。当清晨的第一缕阳光,透过玻璃照进卧室时,萧阳迷迷糊糊的睁开了眼,发现自己正躺在一个陌生的房间内。“这是哪?” 他四处打量了下。这是一套面积并不大的单身公寓,房子装修的倒也算精致,床头摆了一个大大的棕熊玩偶。自己怎么会在这里?萧阳揉了揉有些刺痛的脑袋,依稀想起了昨天傍晚发生的事情。昨天傍晚时分,他骑着电动车替店里去送外卖,在路上被一辆忽然出现的红色轿车撞倒,随后便失去了意识。萧阳撑起身体,跳下床,但伸出去的手,却碰到了一个软软薄薄的东西。嗯?这是什么?他很奇怪的拿起那软软薄薄的黑色透明物件,仔细瞄了一眼,差点鼻血狂喷而出。这,这竟然是一条女士的贴身衣物。轻盈剔透,薄如蝉翼,带着丝丝女人香,沁人心脾。
江城,市中心,紫薇小区某单身公寓内。当清晨的第一缕阳光,透过玻璃照进卧室时,萧阳迷迷糊糊的睁开了眼,发现自己正躺在一个陌生的房间内。“这是哪?” 他四处打量了下。这是一套面积并不大的单身公寓,房子装修的倒也算精致,床头摆了一个大大的棕熊玩偶。自己怎么会在这里?萧阳揉了揉有些刺痛的脑袋,依稀想起了昨天傍晚发生的事情。昨天傍晚时分,他骑着电动车替店里去送外卖,在路上被一辆忽然出现的红色轿车撞倒,随后便失去了意识。萧阳撑起身体,跳下床,但伸出去的手,却碰到了一个软软薄薄的东西。嗯?这是什么?他很奇怪的拿起那软软薄薄的黑色透明物件,仔细瞄了一眼,差点鼻血狂喷而出。这,这竟然是一条女士的贴身衣物。轻盈剔透,薄如蝉翼,带着丝丝女人香,沁人心脾。
江城,市中心,紫薇小区某单身公寓内。当清晨的第一缕阳光,透过玻璃照进卧室时,萧阳迷迷糊糊的睁开了眼,发现自己正躺在一个陌生的房间内。“这是哪?” 他四处打量了下。这是一套面积并不大的单身公寓,房子装修的倒也算精致,床头摆了一个大大的棕熊玩偶。自己怎么会在这里?萧阳揉了揉有些刺痛的脑袋,依稀想起了昨天傍晚发生的事情。昨天傍晚时分,他骑着电动车替店里去送外卖,在路上被一辆忽然出现的红色轿车撞倒,随后便失去了意识。萧阳撑起身体,跳下床,但伸出去的手,却碰到了一个软软薄薄的东西。嗯?这是什么?他很奇怪的拿起那软软薄薄的黑色透明物件,仔细瞄了一眼,差点鼻血狂喷而出。这,这竟然是一条女士的贴身衣物。轻盈剔透,薄如蝉翼,带着丝丝女人香,沁人心脾。
江城,市中心,紫薇小区某单身公寓内。当清晨的第一缕阳光,透过玻璃照进卧室时,萧阳迷迷糊糊的睁开了眼,发现自己正躺在一个陌生的房间内。“这是哪?” 他四处打量了下。这是一套面积并不大的单身公寓,房子装修的倒也算精致,床头摆了一个大大的棕熊玩偶。自己怎么会在这里?萧阳揉了揉有些刺痛的脑袋,依稀想起了昨天傍晚发生的事情。昨天傍晚时分,他骑着电动车替店里去送外卖,在路上被一辆忽然出现的红色轿车撞倒,随后便失去了意识。萧阳撑起身体,跳下床,但伸出去的手,却碰到了一个软软薄薄的东西。嗯?这是什么?他很奇怪的拿起那软软薄薄的黑色透明物件,仔细瞄了一眼,差点鼻血狂喷而出。这,这竟然是一条女士的贴身衣物。轻盈剔透,薄如蝉翼,带着丝丝女人香,沁人心脾。
星三角启动,属降压启动他是以牺牲功率为代价来换取降低启动电流来实现的。所以不能一概而以电机功率的大小来确定是否需采用星三角启动,还的看是什么样的负载,一般在需要启动时负载轻运行时负载重尚可采用星三角启动,一般情况下鼠笼型电机的启动电流是运行电流的5—7倍,而对电网的电压要求一般是正负10%(我记忆中)为了不形成对电网电压过大的冲击所以要采用星三角启动,一般要求在鼠笼型电机的功率超过变压器额定功率的10%时就要采用星三角启动。
感谢您对电力讲坛的关注
更多电力知识,请返回公众号点击文章回顾查阅!
工程师必备
- 项目客服
- 培训客服
- 平台客服
TOP




















