西门子PLC程序案例,是实践好东西
2021年4月23日 11:24浏览:2446
很多PLC新手在面对PLC时都感觉无从下手,更不知道项目编程该从哪里开始,毫无头绪,初学PLC,建议先接触一下小型的PLC,比如S7-200PLC或者S7-200 SMART PLC以及三菱FX 3U、5U等等,这些小型PLC相对于大型比较简单,易操作。
今天就用几个项目实例,给大家说说第一次使用S7-200 SMART PLC时的一些具体步骤,帮大家开启使用PLC的第一步。
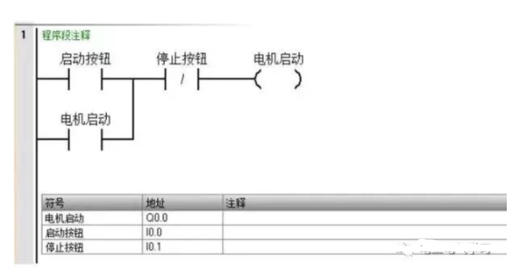
一、起保停控制
项目控制要求:
1、按下启动按钮,电机启动
2、按下停止按钮,电机停止
二、单按钮控制
项目控制要求:
1、按下操作按钮,电机启动
2、再按下操作按钮,电机停止
三、正反转控制
项目控制要求:
1、按下正转按钮,电机正转启动
2、按下反转按钮,电机反转启动
3、按下停止按钮,电机停止
四、混合控制
项目控制要求:
一台电机即可点动控制,也可以长动控制
1、按下点动按钮,可以点动控制电机
2、按下长动启动按钮,电机启动并保持
3、按下长动停止按钮,电机停止
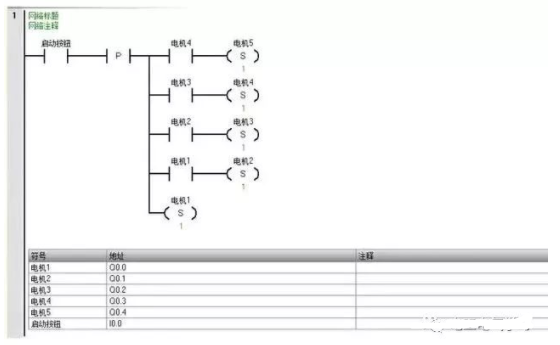
五、顺序控制
项目控制要求:
每按一次启动按钮启动一台电机,每按一次停止按钮,停掉最后启动的那 台电机按下紧急停止按钮,停止所有的电机
注:任意时候可以选择启动或停止
2021-04-21
2021-04-21
2021-04-20
2021-04-19
2021-04-18
2021-04-18
技术邻APP
工程师必备
工程师必备
- 项目客服
- 培训客服
- 平台客服
TOP
7




















