三菱FX 5U PLC高速计数器基础及模拟量
2021年4月23日 11:29工控课堂【www.gkket.com】工程师必备网站
添加微信:gkket123 加入500人工控微信群
电气工控自动化-超万元免费资料
高速计数器是使用CPU模块的通用输入端子及高速脉冲输入输出模块,对普通计数器无法计测的高速脉冲的输入数进行计数的功能。
根据所用输入(模块),高速计数器的各功能有以下限制。
(1)普通模式
作为一般的高速计数器使用。
(2)脉冲密度测定模式
测定从输入脉冲数开始到指定时间内的脉冲数。
(3)转速测定模式
测定从输入脉冲数开始到指定时间内的转速。
高速计数器的计测使用高速计数器用的HIOEN/DHIOEN指令进行计数的开始、停止指示等。
还有DHSCS指令、DHSCR指令、DHSZ指令(以下称高速比较指令)等高速计数器用指令。
(1)确认高速计数器的规格。
确认高速计数器的类型、最高频率等规格。
(2)与外部设备连接。
关于与外部设备的配线的详细内容,参照MELSEC iQ-F FX5U用户手册(硬件篇)。
(3)设置参数。
进行高速计数器的通道设置等参数设置。
(4)创建程序。
创建使用高速计数器所需的程序。
(5)执行并调试程序。
(1)1相1输入计数器(S/W)--受扫描周期影响
1相1输入计数器(S/W)的计数方法如下所示。
(2)1相1输入计数器(H/W)--受硬件输入影响
1相1输入计数器(H/W)的计数方法如下所示。
(3)1相2输入计数器
1相2输入计数器的计数方法如下所示。
(4)2相2输入计数器[1倍频]
2相2输入计数器[1倍频]的计数方法如下所示。
(5)2相2输入计数器[2倍频]
2相2输入计数器[2倍频]的计数方法如下所示。
(6)2相2输入计数器[4倍频]
2相2输入计数器[4倍频]的计数方法如下所示。
(7)内部时钟
内部时钟的计数方法如下所示。
内部时钟始终以1Mhz的时钟进行计数递增/递减。不使用来自外部的输入。
1Hz,即在单位时间内完成振动的次数,单位为赫兹(1赫兹=1次/秒)。
1MHz=1000kHz(1百万赫兹,即每秒振动1百万次)。
根据环长设置,高速计数器的形式为环形计数器。
(1)设置了链接长度时
(2)未设置链接长度时(环形计数器)
各类高速计数器的可计数最高频率如下所示。
关于各输入分配的最高频率,参照【高速计数器的各输入分配的最高频率】。
注意:最高频率会受到输入电路的限制。
(1)CPU模块
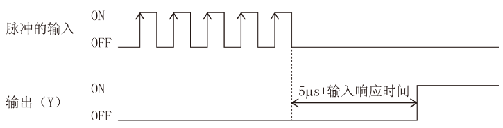
使用高速比较指令(DHSCS、DHSCR、DHSZ指令)、高速比较表、多点输出高速比较表输出到Y0~Y17时,脉冲的输入→计数值的比较(一致)→输出至Y为止的时间为5μs+输入响应时间。
输出到Y20以后时,从脉冲的输入到输出为止的时间将受到通信及用户中断的影响。
(2)高速脉冲输入输出模块
高速比较表的一致输出只能是自身模块内的输出。
输入脉冲→比较计数值(一致)→输出至Y所花费的时间是5μs+输入响应时间。
(3)动作图
动作图如下所示。(比较值:5)
高速计数器的输入软元件的分配通过参数进行设置。
通过参数对各通道设置各自的功能时,即确定与之对应的分配。
使用内部时钟时,为与1相1输入(S/W)相同的分配,不使用A相。
高速计数器的输入分配如下所示。
A:A相输入 P:外部预置输入 E:外部使能输入
B:B相输入(但是,1相1输入(H/W)时,变为方向切换输入。)
各输入的□是各高速脉冲输入输出模块的起始输入编号。
要点
高速脉冲输入输出模块的通道编号分配如下。按距离CPU模块的顺序排列,从近到远分别为第1台、第2台……。
1)高速脉冲输入输出模块 第1台:通道9、通道10
2)高速脉冲输入输出模块 第2台:通道11、通道12
3)高速脉冲输入输出模块 第3台:通道13、通道14
4)高速脉冲输入输出模块 第4台:通道15、通道16
高速计数器的各输入分配的最高频率如下所示。
(1)FX5U-32M□ 、FX5UC-32M□
X6~X17为止的输入频率与最高频率的值无关,最高为10kHz。
预置输入、使能输入的输入频率与最高频率的值无关,最高为10kHz。
A:A相输入、B:B相输入、P:外部预置输入、E:外部使能输入
(2)FX5U-64M□、FX5U-80M□、FX5UC-64M□、FX5UC-96M□
X10~X17为止的输入频率与最高频率的值无关,最高为10kHz。
预置输入、使能输入的输入频率与最高频率的值无关,最高为10kHz。
(3)高速脉冲输入输出模块
X□+6、X□+7为止的输入频率与最高频率的值无关,最高为10kHz。
预置输入、使能输入的输入频率与最高频率的值无关,最高为10kHz。
各输入的□是各高速脉冲输入输出模块的起始输入编号。
A:A相输入、B:B相输入、P:外部预置输入、E:外部使能输入
高速计数器的设置、高速比较表、多点输出高速比较表、输入响应时间的设置通过参数进行。
可通过参数设置的主要项目如下所示。
(1)基本设置
(2)高速比较表的设置
(3)多点输出高速表的设置
(4)输入响应时间的设置
(1)高速计数器(普通模式)。
(2)高速计数器(脉冲密度测定模式)。
(3)高速计数器(转速测定模式)。
(4)高速比较表。
(5)多点输出高速比较表。
(6)输入响应时间的设置。
要点:
参数在CPU模块的电源ON时或复位时变为有效。此外,也将同时向特殊继电器、特殊寄存器传送值,通过用程序更改该值,可执行与参数设置不同的动作。
关于高速计数器的特殊继电器、特殊寄存器,参照【特殊继电器一览】、【特殊寄存器一览】。
(1)高速计数器(普通模式)
作为一般的高速计数器使用时使用普通模式。
1)参数设置
通过高速计数器的参数,将动作模式设置为普通模式。
进行要使用的通道的详细设置。
CPU模块的参数设置位置:导航窗口[参数]→[FX5UCPU]→[模块参数]→[高速I/O]→“输入功能” →“高速计数器”→“详细设置”→“基本设置”。
2)设置步骤:
① 通道启用:可选择[使用]或者[不使用];
② 设置[运行模式];
③ 设置[脉冲输入模式];
④ 设置[预置输入]和[预置值];
⑤ 设置[使能输入];
对应高速计数器的 E:外部使能输入;
设定禁用,E信号对应的硬件信号无效,不需使能输入;
设定启动,需要E信号输入才可使用高速计数器。
⑥ 设置[链接长度];
3)开始/停止高速计数器的计测:
高速计数器仅通过设置参数无法进行计数。
要开始/停止计数,需要通过HIOEN/DHIOEN指令执行开始/停止。
4)读取/写入高速计数器的当前值
高速计数器的当前值按每个通道存储在特殊寄存器中,通过监视该值可确认当前值。但是,特殊寄存器会因END处理而被更新,因此有可能与实际的值不同。
希望读取最新的值时,可使用HCMOV/DHCMOV指令读取最新的值。
(1)HIOEN(P)指令:控制高速输入输出功能的开始/停止。
(2)指令格式
(3)功能编号S1的值
*1:动作中使高速计数器(功能编号: K0)停止时,虽然功能仍处于工作状态,但因计数器停止,因此将变为无处理。
*2:使多点输出高速比较表(功能编号: K30)停止时,相同通道的高速计数器也将同时停止。
(4)S2和S3的值
① 功能编号S1为K0的情况
可对每个高速计数器的通道,分别控制计数器的开始、停止。
通道1~通道8变为CPU模块,通道9~通道16变为高速脉冲输入输出模块。
例如:
要启用通道3时,应在(s2)中设置04H。要停止时,在(s3)中设置04H。
要启用通道1、通道4、通道5时,应在(s2)中设置19H。要停止时,在(s3)中设置19H。
要启用通道1、通道4、停止通道5时,应在(s2)中设置09H、在(s3)中设置10H。
② 功能编号S1为K10的情况
可对每个高速计数器的通道,分别控制脉冲密度测定(转速测定)的开始、停止。
③ 功能编号S1为K20~K24的情况
设置将启用、停止的高速比较表编号位设为ON的值。
CPU模块(K20)时,可以使用b0~b15。
高速脉冲输入输出模块(K21~K24)时,可以使用b0~b14。
④ 功能编号S1为K30的情况
在多点输出高速比较表的情况下,无需指定通道。
启用时,在(s2)中设置01H。停止时,在(s3)中设置01H。
⑤ 功能编号S1为K40、K50的情况
可对每个通道,分别控制脉冲宽度测定及PWM的开始、停止。
通道1~通道4变为CPU模块,通道5~通道12变为高速脉冲输入输出模块。
(5)HIOEN(P)指令编程示例
使用高速计数器[普通模式]时,则(s1)设为K0;
设定CH1、CH3通道开启计数时,则(s2)设为H5;
设定CH4、CH6通道关闭计数时,则(s3)设为H28。
(1)DHIOEN(P)指令:控制高速输入输出功能的开始/停止。
(2)指令格式
(3)与16位指令HIOEN不同的地方在于
当s1为K20时,s2、s3需使用32位的数据。
高速计数器的当前值按每个通道存储在特殊寄存器中,通过监视该值可确认当前值。但是,特殊寄存器会因END处理而被更新,因此有可能与实际的值不同。
希望读取最新的值时,可使用HCMOV/DHCMOV指令读取最新的值。
(1)32位数据高速当前值传送
DHCMOV(P)指令:以高速计数器/脉冲宽度测定/PWM/定位用特殊寄存器为对象,进行读取或写入(更新)操作时使用该指令。
(2)指令格式
(3)功能
将(s)中指定的软元件值传送至(d)中指定的软元件。此时,
如果(n)的值为K0,则保留(s)的值。
如果(n)的值为K1,传送后将(s)的值清零。仅在高速计数器的当前值SD软元件或作为高速计数器使用FX3兼容高速计数器时的LC软元件时执行清除。
(4)要点
① (s)为支持高速传送的软元件时
执行DHCMOV指令时,获取高速计数器当前值等的最新值后,传送至(d)。
② (d)为支持高速传送的软元件时
执行DHCMOV指令时,可以更改高速计数器当前值等值。
(4)高速计数器对应的特殊存储器编号
R/W表示可读可写。
1、使用FX-5U的高速计数器功能,对增量式编码器进行计数,读取计数值。
2、编码器的介绍
(1)选用的编码器规格:
① 4线的增量式编码器:A相、B相、24V、0V;
② 每转脉冲数:400P/R,即编码器旋转一圈发出400个脉冲;
③ 编码器输出类型:NPN,即A/B相输出的电压为0V。
(2)编码器的接线
3、FX-5U的高速计数器参数设置
(1)[CH1]使用高速计数器;
(2)运行模式设置为[普通模式];
(3)脉冲数入模式设置为[2相1倍频];
(4)预置输入设置为[禁用],则预置值无效;
(5)使能输入设置为[禁用];
(6)链接长度设置为[禁用],则对应计数范围为-2147483648~+2147483747;
(7)运行模式为[普通模式],[测定的单位时间]和[每转的脉冲数]无效。
4、程序编程
(1)启用/停止高速计数器计数功能,指令HIOEN
① 高速计数器的普通模式,则S1为K0;
② 启用CH1,则S2为2#0000 0000 0000 0001,即H0001;
③ 未使用CH16~CH2,停止功能无需设置,则S3为2#0000 0000 0000 0000,即H0000。
(2)读取高速计数器的当前值,指令DHCMOV
① 将CH1的当前值SD4501、SD4500传送给D1001、D1000
② n的值设为为K0,则传送完成后保留s的值。
(3)设置输入响应时间
将X0和X1的输入响应时间由10ms修改为10μs,保证能够获取全部的高速脉冲输入信号。
(4)查看SD4500、SD4501的值,D1001、D1000的值
① 打开监视功能,在程序中查看SD4500、SD4501的值,D1001、D1000的值
② 打开【监看窗口】,查看SD4500、SD4501的值,D1001、D1000的值
现在你对FX5U高速计数器基础是不是有一定的了解了呢?如果你想更系统的学习模拟量以及高速计数器的基础入门推荐你学习《三菱FX5U系列精品课程模拟量以及高速计数器模块》。
该课程中涵盖了现场实际应用的相关案例,学习完本章节的所有知识点可以基本掌握模拟量以及高速计数器相关的基础应用。
转发是最大的鼓励!谢谢您的支持!
重要通知
想加入工控PLC学习技术交流群
请添加班长为好友
并备注:地区-行业-姓名昵称获取进群资格。
工控PLC学习 专业专注分享
分享到朋友圈,和朋友们一起分享吧
——————————————————————
▣ 来源:工控课堂www.gkket.com,侵删!
▣ 声明:我们尊重原创。文字图片视频素材,版权属于原作者。部分文章推送时因种种原因未能与原作者联系上,若涉及版权问题,敬请原作者联系我们删除处理(联系17621634088-微信同号),我们只做分享之用,不用于商业。
她们都关注了,你还等什么?
工程师必备
- 项目客服
- 培训客服
- 平台客服
TOP




















