三菱FX3U PLC与步进驱动器实物控制接线图
2021年5月10日 15:07浏览:3254
工控课堂【www.gkket.com】工程师必备网站
添加微信:gkket123 加入500人工控微信群
电气工控自动化-超万元免费资料
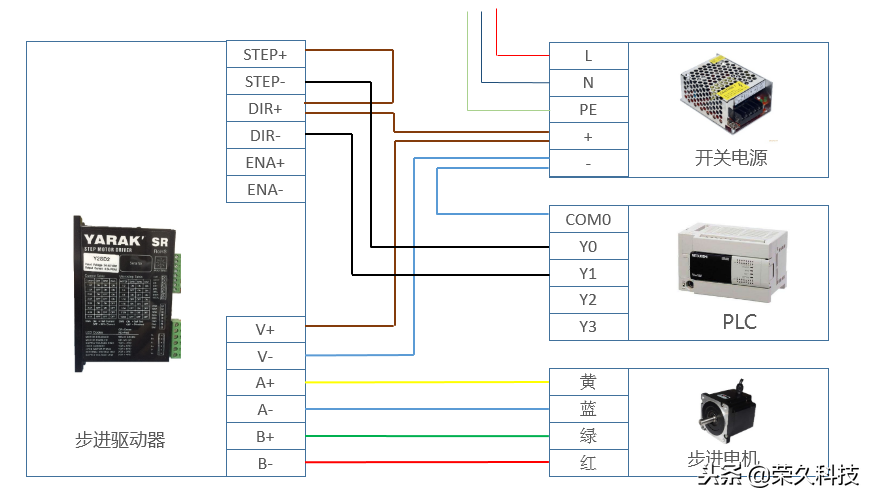
步进驱动器控制要求
当按下启动按钮X0时,步进电机正转一圈,停顿2秒,再反转1圈后停止!
开关电源:IN :AC100~240V、OUT1:24V 、OUT2:5V
PLC(晶体管):FX3U-16MT/ES-A,集电极输出
步进驱动器:支持集电极,脉冲+方向形式
步进电机:二相混合式
步进驱动器PLC程序
启动程序
步进电机正反程序
延时反转程序
延时正转程序
转发是最大的鼓励!谢谢您的支持!
重要通知
想加入工控PLC学习技术交流群
请添加班长为好友
并备注:地区-行业-姓名昵称获取进群资格。
工控PLC学习 专业专注分享
分享到朋友圈,和朋友们一起分享吧
——————————————————————
▣ 来源:网络-百度文库,侵删!
▣ 声明:我们尊重原创。文字图片视频素材,版权属于原作者。部分文章推送时因种种原因未能与原作者联系上,若涉及版权问题,敬请原作者联系我们删除处理(联系17621634088-微信同号),我们只做分享之用,不用于商业。
她们都关注了,你还等什么?
技术邻APP
工程师必备
工程师必备
- 项目客服
- 培训客服
- 平台客服
TOP
3




















