电动机星三角降压启动控制电路详解
2021年5月26日 14:34今天我们一起学习三相异步电动机Y-△降压起动控制电路。
共有四个任务:
了解降压起动的原因;
掌握电动机定子绕组的连接方式;
掌握Y-△降压起动控制电路的组成;
理解Y-△降压起动控制电路工作原理。
那为什么要降压起动?
三相异步电动机全压起动时电源电压全部施加在三相绕组上,起动电流为额定电流的4~7倍,电动机功率较大时将导致电源变压器输出电压下降,从而导致电动机起动困难,影响同一线路中其他电器的正常工作。
为了减小三相异步电动机直接起动电流,通常将电压适当降低后,加到电动机定子绕组上进行起动,待电动机起动运转后,再恢复到额定电压运行。降压起动达到了减小起动电流的目的。
Y-△降压起动时,定子绕组接成Y形,当电动机转速接近额定转速时再换接成△形联结。
Y-△降压起动有一定局限,适合△形联结、容量较大电动机,空载、轻载起动。
我们来看一下电动机定子绕组的联结方式,电动机定子绕组分为星形和三角形两种联结方式。
星形联结把U、V、W三相绕组首端U1、V1、W1分别与电源相连,尾端U2、V2、W2连成一点,接线盒端口按图U2、V2、W2短接,形成星形联结。
三角形联结把三相绕组按顺序首尾相连,U2与V1相连,V2与W1相连,W2与U1相连后接电源,接线盒端口按图连接,形成三角形联结。
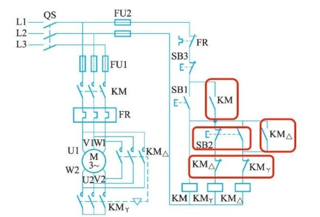
Y-△降压起动控制电路的主电路是在自锁电路主电路基础上增加KM△和KMY两个交流接触器。
通过对电动机U1、V1、W1、U2、V2、W2的连接形成星形和三角形联结。KMY主触点短接后把电动机U2、V2、W2连成一点实现星形联结,KM△主触点把接线端口U1接W2、V1接U2、W1接V2成三角形联结。
KM、KMY主触点闭合时电动机星形联结。KM、KM△主触点闭合时电动机三角形联结。
最后通过控制电路对主电路KM、KMY、KM△主触点的控制,实现电动机星形起动,三角形运行。
我们来看一下控制电路的组成。
分析电路时重点注意KM自锁触点、KM△自锁触点,复合按钮SB2联锁触点、KMY和KM△联锁触点在电路中的作用。
电路的工作原理分析。
合上电源开关QF,电源引入,按下SB1起动按钮,KM线圈和KMY线圈得电,KMY的动断辅助触点先断开KM△线圈线路实现联锁保护,然后KM主触点,KMY主触点,KM动合辅助触点同时闭合实现自锁,电动机星形联结起动运转。
起动结束时,按下SB2复合按钮,动断触点先断开,KMY线圈失电,KMY主触点先断开,动断辅助触点后闭合。
然后SB2动合触点闭合,KM△线圈得电,其动断辅助触点断开KMY线圈电路,实现联锁保护。KM△动合辅助触点和KM△主触点同时闭合,电动机三角形联结全压运行。
按下停止按钮SB3,电动机停止运行。
总结一下,今天一起学习了Y-△降压起动控制电路的相关知识;电动机起动电流为额定电流的4~7倍,会产生一定影响;电动机定子绕组有星形和三角形两种联结方式;Y-△降压起动启动时,定子绕组接成Y形,当电动机转速接近额定转速时换接成△形。
感谢您对电力讲坛的关注
更多电力知识,请返回公众号点击文章回顾查阅!
工程师必备
- 项目客服
- 培训客服
- 平台客服
TOP




















