耦合在电路中的作用是什么?为什么需要耦合?
2021年6月8日 10:27(篇幅限制,只展示3个课程)
复制这段话到TaoBao打开即可见↓
1.0 ha:/🗝bELdXgm5iaX💲 凡亿教
我们在学习和生活中经常会遇见能量的相互传送问题,其实在电路中,能量也是需要被相互传送的,这里要提到“耦合”的概念。
耦合是指把能量从一个电路传送另外一个电路中去,耦合在模拟电路和数字电路中非常常见,微弱的信号可以耦合到放大电路进行放大,经过放大的信号同样可以通过耦合进行输出。
耦合是两个功能电路的连接桥梁,可以实现信号和能量的传递。常见的耦合电路有直接耦合电路、电容耦合电路、光电耦合电路和变压器耦合电路。
下面通过一些实例,来跟大家一起探讨下耦合在电路中的作用。
耦合
直接耦合
在直接耦合中,两个功能电路直接连通,两级之间有着直接的影响,在下图的放大电路中,输入的信号经过三极管T1放大后,直接耦合连接至T2进行二级放大,然后再次直接耦合到T3进行三极放大。
因为各级电路直接连接,会相互影响,常用于低频的电路和大规模集成的数字电路中。
直接耦合
阻容耦合
在阻容耦合电路中,两级电路通过电容进行隔离,信号通过电容耦合到下一级,因为电容有着隔直流通交流的作用,各级电路的Q点不会相互影响,不能放大缓慢放大的信号,所以常用于交变的高频信号。
阻容耦合
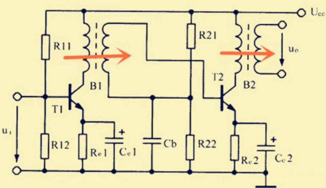
变压器耦合
在变压器耦合电路中,两级之间通过了变压器进行了隔离,变压器需要通过电磁感应的方式传输信号,所以不适用于直流信号,一般用在交流的信号中。
它的低频特性差,体积大。
但两级之间相互独立,静态工作点不会相互影响,可以实现阻抗变换。
变压器耦合
光电耦合
光耦是用于光电耦合的器件,光耦内部集成了发光二极管和光敏三极管。当然,你也可以用独立的发光二极管和光敏三极管搭建光电耦合电路。
发光二极管把电转换为光,光敏三极管则把光重新转换为电,光电耦合同样是隔离式耦合方式,能够很好的抑制干扰信号。
光电耦合
关注【电子设计联盟】后台回复关键字:免费资料
获取3套4层PCB视频、10套2-18层PCB高手案例
觉得内容不错的话,点个在看呗
工程师必备
- 项目客服
- 培训客服
- 平台客服
TOP




















