水电工之照明灯多控开关中的六个接线点怎样接?
2021年6月15日 16:40浏览:3301
在家装中,有时为了生活或管理方便,会选择一盏照明灯在多个地点控制,这时候就会需要多控开关。
多控开关也叫中途开关,是两个双控开关的组合体,可以实现在多个地点控制照明灯。
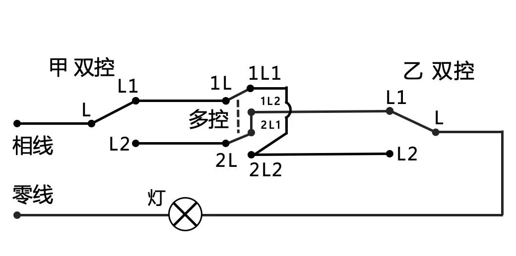
多控开关有6个接线点,接线方法如下图:
*多控开关的六个接线点分别为1L、1L1、1L2、2L、2L1、2L2.
多控开关的具体接线方法如下:
首先,甲双控开关的接线点L连接电源相线,将一根转换相线从甲的接线点L1引到中间多控开关的接线点1L、再将一根转换相线从甲的接线点L2引到多控开关的接线点2L。
接着,接一根导线在多控开关的接线点1L1上,并接到接线点2L2,再引出一根转换线接到右边乙的双控开关接线点L2。
之后,接一根导线在多控开关的接线点2L1上,并接到接线点1L2,然后再引一根转换线,接到右边乙的双控开关接线点L1。
最后,接引一根负载相线在双控开关的接线点L,接到照明灯的相线接线点,再在照明灯的零线接线点接一根导线到电源零线,接线就完成了。
其实从接线图可以看出,三个开关的动触点位置都是处于关断状态的,这个时候,如果任意按下三个开关中的其中一个,其动触点位置发生改变,照明灯的电路就会被接通,灯就亮了;在亮灯的状态下,再任意按下三个开关中的其中一个,其动触点位置也发生改变,照明灯电路就会断开,灯就关了。
以上接线图展示的是一盏灯由三个地方控制的状况,如果电压降允许,一盏灯要由更多地方控制,那就只需要在两边的甲乙双控开关之间,根据需要安装数个多控开关就可以了。
点分享
点收藏
点点赞
点在看
技术邻APP
工程师必备
工程师必备
- 项目客服
- 培训客服
- 平台客服
TOP




















