看看PLC大神是怎么编CRC校验程序的
2021年6月21日 16:30工控课堂【www.gkket.com】工程师必备网站
添加微信:gkket123 加入500人工控微信群
电气工控自动化-超万元免费资料
西门子S7-200SMART系列PLC的程序结构分为主程序、子程序、中断程序。此程序用“MAIN”程序调用“CRC校验程序”子程序
定义子程序变量表:如图1-0
子程序变量表定义图1-0
(1)“CRC校验程序”子程序,初始化存储器,并把16#FFFF装载到CRC寄存器中(定义AC0为CRC寄存器)。并利用FOR语句循环,循环的次数由LW4决定。程序如图1-1所示
图1-1初始化存储器
(2)取第一个地址与CRC寄存器做异或运算。并利用FOR语句循环,循环的次数为8,因为一个字节的数据是8个位。程序如图1-2所示
图1-2异或运算
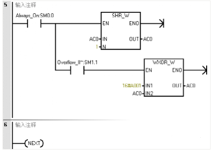
(3)执行移位操作,并判断移出为的状态,若移出位为1,则在与16#A001做异或运算。程序如图1-3所示
图1-3执行移位操作
(4)利用指针,指针加1,指向下一个地址,取出下一个地址之后再进行重复以上步骤效验,直到数据都效验完,程序退出FOR循环。程序如图1-4所示
图1-4指针加1
(5)对计算结果进行高低字节交换,把结果输出。程序如图1-5所示
图1-5高低字节交换
(6)在“MAIN”程序中通过按钮的触发调用“CRC校验程序”子程序。
验证一:写入数据到VB0至VB5中,CRC效验值存储在VW100中
CRC效验计算小助手(与程序中计算相符):
验证二:写入数据到VB0至VB5中,CRC效验值存储在VW100中
CRC效验计算小助手计算(与程序中计算相符):
循环冗余校验码(CRC),简称循环码,是一种常用的、具有检错、纠错能力的校验码,在早期的通信中运用广泛。循环冗余校验码常用于外存储器和计算机同步通信的数据校验。奇偶校验码和海明校验码都是采用奇偶检测为手段检错和纠错的(奇偶校验码不具有纠错能力),而循环冗余校验则是通过某种数学运算来建立数据位和校验位的约定关系的。
循环冗余校验码(cyclic redundancy check)简称CRC(循环码),是一种能力相当强的检错、纠错码,并且实现编码和检码的电路比较简单,常用于串行传送(二进制位串沿一条信号线逐位传送)的辅助存储器与主机的数据通信和计算机网络中。
循环码是指通过某种数学运算实现有效信息与校验位之间的循环校验(而海明码是一种多重校验)。
这种编码基本思想是将要传送的信息M(X)表示为一个多项式L,用L除以一个预先确定的多项式G(X),得到的余式就是所需的循环冗余校验码。
这种校验又称多项式校验。
理论上可以证明循环冗余校验码的检错能力有以下特点:①可检测出所有奇数位错;②可检测出所有双比特的错;③可检测出所有小于、等于校验位长度的突发错。
转发是最大的鼓励!谢谢您的支持!
重要通知
想加入工控PLC学习技术交流群
请添加班长为好友
并备注:地区-行业-姓名昵称获取进群资格。
工控PLC学习 专业专注分享
分享到朋友圈,和朋友们一起分享吧
——————————————————————
▣ 来源:网络-百度文库,侵删!
▣ 声明:我们尊重原创。文字图片视频素材,版权属于原作者。部分文章推送时因种种原因未能与原作者联系上,若涉及版权问题,敬请原作者联系我们删除处理(联系17621634088-微信同号),我们只做分享之用,不用于商业。
她们都关注了,你还等什么?
工程师必备
- 项目客服
- 培训客服
- 平台客服
TOP




















