从零初步学机械,怎么画好一张零件图?详细的步骤
2021年6月21日 17:09这世上向来都没有一件简略的事,机械规划也是这样。任何一个从事机械规划工作的人,刚初步都是从画好最简略的零件图初步的。比方测绘一个简略的零部件,帮他人从部件图里拆画零件图等等,这些都是一个新手必需求经过的阶段。但是,即使是简略的零件图,都会错误百出:或许标准标示不全,或许公差标示不合适,或许有关闭标准链,或许技术要求不对等等。所以,机械工作向来都是需求长时间的堆集和学习的。万丈高楼平地起,基础很重要,让我们先从画好一张零件图做起吧!
表达零件的图样称为零件图。它是制作和查验零件的根据,是工艺部分进行工艺道路制作的根据,是质检部分进行查验的根据。
1零件图的内容我们首要应该知道的是,一个无缺的零件图应包括哪些内容。
1)图形:用一组视图(包括视图、剖视图、断面图等),无缺、明晰和简便地表达此零件的结构形状。
2)标准:用一组标准,无缺、明晰和合理地标示出零件的结构形状及其相互方位的巨细。
3)技术要求:用一些规定的符号和文字,简明地给出零件在制作、查验和使用时应到达的技术要求。包括粗糙度、标准公差、形位公差、基准符号、技术要求等。
4)标题栏:用标题栏填写出零件的称号、资料、图样的份额、制图人与校核人的名字和日期等(此图所用标题栏为简化版,工程中只用无缺版)。
2、零件结构分析方法任何从事规划工作的人,都是从模仿初步的。模仿他人的外形,学习他们的规划思路,不断堆集经历。零件的结构分析,就是从规划要求和工艺要求启航,分析零件不同结构的功用。我们不只需求知道这个零件是什么样的(简略地测绘),也要知道为什么要这样规划(规划思路),这样才能提高自己的规划思想,而不是一味地模仿。
2)从工艺要求方面看,为了使零件的毛坯制作、加工、丈量以及安装和调整作业能顺畅、便利,应规划出圆角、起模斜度、倒角等结构,这是决议零件部分结构的根据。
3)从有用和漂亮方面看,不只要求产品能使用,而且还要求经济、漂亮等,要从美学的角度来考虑结构形状。
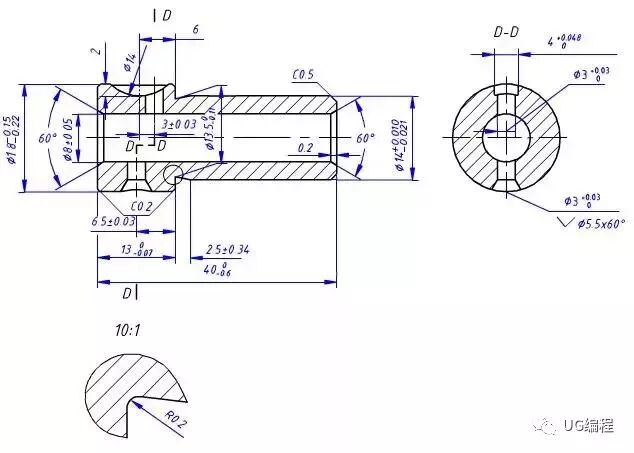
3、零件结构分析的示例1下图为一个减速机的从动轴,它的首要共用是装在轴承中,支撑齿轮传递扭矩,并于外部设备衔接。
我们分析它各个特征的效果,以及规划思路。
4零件结构分析的示例2下图为一个齿轮箱的底座,这是个较凌乱的零件。我们在学校课程规划中必定有规划一个减速箱这一项。现分析齿轮箱底座各个特征的效果。
工程师必备
- 项目客服
- 培训客服
- 平台客服
TOP




















