接地变原理及作用讲解
2021年6月29日 14:16随着城市建设发展的需要和供电负荷的增加,许多地方正在城区建设110/10kV终端变电所,一次侧采用电压110kV进线,随着城网改造中杆线下地,城区10kV出线绝大多数为架空电缆出线,10kV配电网络中单相接地电容电流将急剧增加。
根据国家原电力工业部《交流电气装置的过电压保护和绝缘配合》规定,3—66KV系统的单相接地故障电容电流超过10A时,应采用消弧线圈接地方式。一般的110/10kV变电所,其变压器低压侧为△接线,系统低压侧无中性点引出,因此,在变电所设计中要考虑10kV接地变的设置。
对于三角形接线的配电系统,要造成系统的中性点,必须接入接地变压器。接地变压器有二种:Z型接地变压器(ZN、ZN,yn)和星形/三角形接线变压器(YN,d)。现在,多用Z型接地变压器,其中性点可接入消弧线圈。
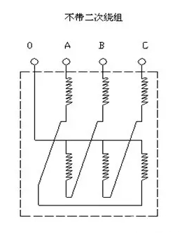
Z型接地变压器,在结构上与普通三相芯式电力变压器相同,只是每相铁芯上的绕组分为上、下相等匝数的两部分,接成曲折形连接。接线方式不同,又分为ZN,yn1和ZN,yn11两种形式。
Z型接地变压器同一柱上两半部分绕组中的零序电流方向是相反的,因此零序电抗很小,对零序电流不产生扼流效应。当Z型接地变压器中性点接入消弧线圈时,可使消弧线圈补偿电流自由地流过,因此Z型变压器广为采用作接地变压器。
Z型接地变压器,还可装有低压绕组,接成星形中性点接地(yn)等方式,作为所用变压器使用。
Z型接地变压器有油浸式和干式绝缘两种,其中树脂浇注式是干式绝缘的一种。
适用范围:适用于容量为220千伏安及以下,电压为35千伏及以下的油浸式Z型接地变压器。
对于35KV、66KV配电网,变压器绕组通常采用Y接法,有中性点引出,就不需要使用接地变压器。
对于6KV、10KV配电网,变压器绕组通常采用△接法,无中性点引出,这就需要用接地变压器引出中性点。
接地变压器的作用就是在系统为△型接线或Y型接线中性点未引出时,用于引出中性点以连接消弧线圈。
接地变压器采用Z型接线(或者称曲折型接线),即每一相线圈分别绕在两个磁柱上,两相绕组产生的零序磁通相互抵消,因而Z型接地变压器的零序阻抗很小(一般小于10Ω),空载损耗低,变压器容量可以利用90%以上。
而普通变压器零序阻抗要大很多,消弧线圈容量一般不应超过变压器容量的20%,由此可见,Z型接线的变压器作为接地变压器是一种比较好的选择。
一般系统不平衡电压较大时,Z型变压器的三相绕组做成平衡式,就可以满足测量需要。当系统不平衡电压较小时(例如全电缆网络),Z型变压器的中性点要做出30V~70V的不平衡电压以满足测量需要。
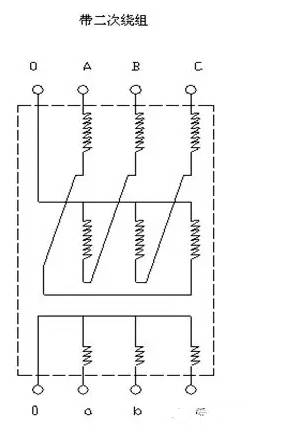
接地变压器除可带消弧线圈外,也可带二次负载,代替站用变。在带二次负载时,接地变压器的一次容量应为消弧线圈容量与二次负载容量之和。
接地变专为消弧线圈所设,一般消弧线圈装设在小电流接地系统的变压器三角形侧,用来补偿电网单相接地时的接地电容电流。但变压器的三角形侧没有中性点,接地变就是为安装消弧线圈提供人为中性点的。
我国电力系统中,的6kV、10kV、35kV电网中一般都采用中性点不接地的运行方式。电网中主变压器配电电压侧一般为三角形接法,没有可供接地电阻的中性点。
当中性点不接地系统发生单相接地故障时,线电压三角形仍然保持对称,对用户继续工作影响不大,并且电容电流比较小(小于10A)时,一些瞬时性接地故障能够自行消失,这对提高供电可靠性,减少停电事故是非常有效的。由于该运行方式简单、投资少,所以在我国电网初期阶段一直采用这种运行方式,并起到了很好的作用。
但是随着电力事业日益的壮大和发展,这中简单的方式已不在满足现在的需求,现在城市电网中电缆电路的增多,电容电流越来越大(超过10A),此时接地电弧不能可靠熄灭,就会产生以下后果。
1、单相接地电弧发生间歇性的熄灭与重燃,会产生弧光接地过电压,其幅值可达4U(U为正常相电压峰值)或者更高,持续时间长,会对电气设备的绝缘造成极大的危害,在绝缘薄弱处形成击穿;造成重大损失。
2、由于持续电弧造成空气的离解,拨坏了周围空气的绝缘,容易发生相间短路;
3、产生铁磁谐振过电压,容易烧坏电压互感器并引起避雷器的损坏甚至可能使避雷器爆炸;
这些后果将严重威胁电网设备的绝缘,危及电网的安全运行。为了防止上述事故的发生,为系统提供足够的零序电流和零序电压,使接地保护可靠动作,需人为建立一个中性点,以便在中性点接入接地电阻。为了解决这样的办法。接地变压器(简称接地变)就在这样的情况下产生了。接地变就是人为制造了一个中性点接地电阻,它的接地电阻一般很小(一般要求小于5欧)。
另外接地变有电磁特性,对正序负序电流呈高阻抗,绕组中只流过很小的励磁电流。由于每个铁心柱上两段绕组绕向相反,同心柱上两绕组流过相等的零序电流呈现低阻抗,零序电流在绕组上的压降很小。
也既当系统发生接地故障时,在绕组中将流过正序、负序和零序电流。该绕组对正序和负序电流呈现高阻抗,而对零序电流来说,由于在同一相的两绕组反极性串联,其感应电动势大小相等,方向相反,正好相互抵消,因此呈低阻抗。
接地变的工作状态,由于很多接地变只提供中性点接地小电阻,而不需带负载。所以很多接地变就是属于无二次的。接地变在电网正常运行时,接地变相当于空载状态。
但是,当电网发生故障时,只在短时间内通过故障电流,中性点经小电阻接地电网发生单相接地故障时,高灵敏度的零序保护判断并短时切除故障线路,接地变只在接地故障至故障线路零序保护动作切除故障线路这段时间内起作用,其中性点接地电阻和接地变才会通过IR= (U为系统相电压,R1为中性点接地电阻,R2为接地故障贿赂附加电阻)的零序电路。根据上述分析,接地变的运行特点是;长是空载,短时过载。
总之,接地变是人为的制造一个中性点,用来连接接地电阻。当系统发生接地故障时,对正序负序电流呈高阻抗,对零序电流呈低阻抗性使接地保护可靠动作。
接地变压器的作用是在系统为△型接线或Y型接线中性点无法引出时,引出中性点用于加接消弧线圈,该变压器采用Z型接线(或称曲折型接线),与普通变压器的区别是每相线圈分别绕在两个磁柱上,这样连接的好处是零序磁通可沿磁柱流通,而普通变压器的零序磁通是沿着漏磁磁路流通,所以Z型接地变压器的零序阻抗很小(10Ω左右),而普通变压器要大得多。
因此规程规定,用普通变压器带消弧线圈时,其容量不得超过变压器容量的20%,而Z型变压器则可带90% ~100%容量的消弧线圈,接地变除可带消弧圈外,也可带二次负载,可代替所用变,从而节省投资费用。
【点这里免费领取资料】
▼▼▼
工程师必备
- 项目客服
- 培训客服
- 平台客服
TOP




















