结合18G901/16G101图集 | 钢筋施工要点及常见问题总结|现场与图集完美结合
2021年6月29日 16:21来源:网络
如有侵权,请联系删除
正文如下:
一、钢筋安装施工准备
现场开始绑扎钢筋前,首先应将垫层上、模板内的垃圾等清理干净。绑扎时在模板上先划出钢筋位置线:底板钢筋应在垫层上划线;墙板钢筋在模板上划线;柱子箍筋在两根对角线上划点,梁的箍筋应在架立筋上划点。
模板工作面经清理完成后再整体交付钢筋班
二、钢筋锚固要求
受拉钢筋的最小锚固长度La及抗震锚固长度LaE应符合16G101-1规范要求:
三、柱钢筋安装
(一)柱钢筋绑扎
1、在楼板混凝土上弹出柱子定位控制线,对柱子位置进行检查,如有主筋偏位超出规范范围应及时上报,并由技术负责人做出处理方案后,根据处理方案进行施工,现场不得自行处理。
2、套柱箍筋:按图纸要求间距,计算好每根柱箍筋数量,先将箍筋套在下层伸出的搭接筋上,然后焊接柱子钢筋,箍筋的接头(弯钩叠合处)应交错布置在四角纵向钢筋上。
3、画箍筋间距点 :在焊好的柱子竖向钢筋上,按图纸要求用粉笔划箍筋间距点。
4、柱箍筋绑扎:按已划好的箍筋位置线,将已套好的箍筋往上移动,由上往下绑扎,宜采用缠扣绑扎。箍筋与主筋要垂直,箍筋转角处与主筋交点均要绑扎,主筋与箍筋非转角部分的相交点成梅花交错绑扎。箍筋的弯钩叠合处应沿柱子竖筋交错 布置,并绑扎牢固。柱子上下两端箍筋应加密,加密区长度及加密区内箍筋间距应符合设计图纸要求。设计要求箍筋设拉筋时,拉筋应钩住箍筋。
5、安装柱垫块:柱子采用塑料垫块,其纵横间距不得超过800mm且横向间距不得少于2个。
(二)纵向筋接长正确做法
(三)柱筋偏位处理节点
结构柱钢筋内偏位处理节点 结构柱钢筋柱外偏位处理节点
注:若地下室柱钢筋在柱外偏位时,可以不弯柱筋,将柱尺寸适当加大将柱筋包入砼内。
👇👇👇点下方图片获取全套纸质图集
(四)变截面柱构造要求
(五)柱箍筋加密构造要求
(六)柱箍筋加密区范围
(七)核心箍筋要求法
(八)钢筋保护层垫块设置要求
柱四周对称设置
(九)柱纵向钢筋焊接连接要求
(十)定位箍设置要求
起始箍筋离地50mm左右,柱纵向筋与梁筋牢固绑扎
(十一)柱子起始箍筋
四、墙钢筋安装
1、在楼板混凝土上弹出墙身及门窗洞口位置线,再次校正预埋插筋,如有位移时,同柱主筋处理。
2、墙身分布筋的安放顺序:应先绑竖筋向定距卡,把墙身所需的竖向分布筋立放在墙柱边与墙柱稍微固定。再绑横筋向定距卡,然后自上而下将横向分布筋固定于墙上。最后固定纵向分布筋。
3、墙筋为双向受力钢筋,所有钢筋交叉点应逐点绑扎,其搭接程度及位置要符合设计图纸及施工规范的要求。为保证墙体钢筋在混凝土浇筑时不产生移位,每层拟在楼板顶设置一道用A8钢筋焊制的墙筋定位架,用于墙体两层钢筋间相对位置的定位及单根钢筋的定位。
4、为保证门窗洞口标高位置正确,在洞口竖筋上划出标高线。门窗洞口要按设计要求绑扎连梁钢筋,锚入墙内长度要符合设计要求。另外,配合其他工种安装预埋管件、预留洞口等,其位置、标高均应符合设计要求。
5、墙筋垫块采用塑料垫块,呈梅花形布置,纵横间距不超过800* 800mm 。
(一)剪力墙构造做法
(二)板在墙、柱端部支座锚固构造
(三)剪力墙标准做法
(四)墙、板预留洞口加强钢筋构造
五、梁钢筋安装
1、梁钢筋的绑扎应遵循先框架梁后非框架梁,先主梁后次梁,先绑扎低跨梁,后绑扎高跨梁。
2、先自下而上穿好梁钢筋并在梁主筋上画出箍筋间距,套梁箍筋,再将箍筋按已画好的间距逐个分开。
3、绑梁上部纵向筋的箍筋,用套扣法绑扎。箍筋在叠合处的弯钩,在梁中应交错绑扎。梁端第一个箍筋应设置在距离柱节点边缘50mm处。梁端与柱交接处箍筋应加密,其间距与加密区长度均要符合设计要求。
4、节点处钢筋穿插十分稠密时,应特别注意梁顶面主筋间的净距要有30mm,以主筋间的最小净距要求。
5、主筋为双层时,可用水泥预制条垫在两层钢筋之间,水泥预制条排距应≥ 1.5m且不少于2根。
6、 安装垫块:在主、次梁箍筋与主筋的交叉点处下垫大理石垫块 ,垫块的间距不应超过800mm,梁侧边采用塑料垫块,纵横间距不超过1000mm 。
7、梁钢筋绑扎时应防止水电管线将钢筋抬起或压下,且梁钢筋未验收合格前应防止防雷接地将其端部或主、次梁相交处焊牢。
(一)梁箍筋安装前划线定位
(二)梁筋标准安装
(三)主次梁交接处核心箍设置
(四)梁纵向钢筋接长位置构造要求
梁上部纵筋接长需在跨中Ln/3范围内,梁下部纵筋接长须在墙、柱支座处Ln/3范围内。
(五)梁纵向钢筋构造要求
👇👇👇点下方图片获取全套纸质图集
(六)屋面梁节点标准做法
(七)梁钢筋标准安装
(八)梁纵向钢筋接长错误做法
同一截面处接长面积大于50%
(九)梁筋绑扎(不合格)
(十)梁底筋标准绑扎(合格)
梁底板角筋全数绑扎,中间纵筋跳扎,拉钩设置到位
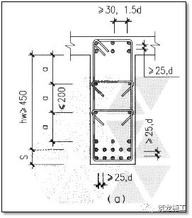
(十一)梁筋间距要求
梁上部纵筋净距:≥30mm,且≥1.5d;
梁下部纵筋净距:≥25mm,且≥1.0d。
六、板钢筋安装
1、清理模板上面的杂物,用粉笔在模板上划好主筋,分布筋间距。按划好的间距,摆放受力主筋、后放分布筋。预埋件、电线管、预留孔等及时配合安装。在现浇板中有板带梁时,应先绑板带梁钢筋,再摆放板钢筋。绑扎板底筋时应检查两端是否伸到梁中,绑扎板筋时一般用顺扣或八字扣,除外围两根筋的相交点应全部绑扎外,其余各点可交错绑扎。负弯矩钢筋每个相交点均要绑扎。
2、板面筋成品马凳 ,马凳间距不大于1000mm*1000mm。方能组织钢筋隐蔽验收。
3、板下层筋垫块纵横间距不超过800mm* 800mm ,呈梅花形布置。
4、板钢筋绑扎时应防止水电管线将钢筋抬起或压下 。
5、板的钢筋网绑扎完成后应注意板上部的负筋,要防止被踩下;特别是雨篷、挑檐、阳台等悬臂板,要严格控制负筋位置,以免拆模后断裂。
(一)板筋安装前放样
(二)楼板纵向受拉钢筋绑扎搭接要求
所有接长接头相互错开,采用焊接的接头时,从任一接头中心至长度为钢筋直径的35且不小于500mm的区段范围内,有接头的受力钢筋截面面积占受力钢筋总截面面积百分比如下:
(三)板下部筋在梁支座正确搭接
深入梁内长度≥1/2梁宽且≥5d
(四)板上部筋在跨中搭接
楼板的下部钢筋在梁支座内搭接,板的上部钢筋在板中搭接。搭接接头保证两点绑扎。
(五)楼板筋长短跨设置位置
双向板的下部钢筋:短跨钢筋置于下排,长跨钢筋置于上排,双下板的上部钢筋:短跨置于上排,长跨置于下排。
(六)板筋马凳标准设置要求
板筋马凳标准设置实例
(七)板筋绑扎标准要求
梁两侧第一、二排板筋要求满扎,其余部位梅花型跳扎
七、工程项目常见的问题
板筋两边分布不均匀
墙竖向筋锚固长度不足
柱锚固被切断
基础钢筋搭接长度不足
筏板钢筋挂钩间距过大
电渣压力焊含肉不饱满
主次梁交接处加密区箍筋缺失
墙水平筋未锚入柱内
八、验收表格
1、每一分项工程必须验收
此表格一式三份,签字人员必须对所签内容负责
2、钢筋分项工程验收记录表
钢筋施工的常见问题点汇总
1、采用抗浮底板或筏板基础梁接头位置不应按普通楼层框架梁接头位置设置,且没有错开,基础梁上部纵筋接头应设置在距离支座ln/4区域,下部纵筋接头应设置在跨中区域)。
2、筏板钢筋接头在施工缝处预留长度不够,且接头没错开。
3、独立基础底板钢筋排布,长向钢筋应置于短向钢筋之下。
独立基础底板钢筋设置
(18G901-3 3-9)
基础梁纵筋接头位置设置(18G901-3 3-9)
4、筏板面积较大时,可按25%百分率接头设置搭接长度,现场仍按50%接头百分率设置搭接长度,导致钢筋接头浪费。
5、底板纵筋接头长度有的太长,超过一个搭接长度,有的则太短,不能满足规范所要求的长度。底板通长筋没绑扎成平行直线,导致同截面钢筋根数不同。
受拉钢筋锚固长度设置(16G101-3 P61)
6、筏板封边构造没按规范和设计,擅自设置筏板上下纵筋弯折长度。
封边构造设置要求(16G101-3 P93)
7、当独立基础底板长度≥2500时,除外侧钢筋外,底板配筋长度可取相应方向底板长度的0.9倍,交错放置,可以节约独立基础钢筋用量。
当非对称独立基础底板长度≥2500,但改基础某侧从柱中心至基础底板边缘的距离<1250时,钢筋在该侧不应减短。
独立基础底板配筋长度剪短10%构造(16G101-3 P70)
1、顶层边柱均未设置弯折,16G101规定是当采用柱外搭接时,柱外侧可不弯折,但柱内侧钢筋当梁高度小于锚固时均要求弯折。优先选用梁锚柱,节省钢筋。
2、顶层中柱通常需要弯折,但如果顶层中柱纵筋在梁内满足直锚就不需要弯折。
顶层边柱纵筋设置(16G101-1 P67)
顶层中柱纵筋设置(16G101-1 P68)
3、柱梁节点处柱箍筋未设置或间距太大。柱梁节点是核心节点,是抗震的关键节点,不能省掉梁柱节点内的箍筋。
4、钢筋翻样时,柱上下钢筋根数发生变化区域没在下层调整竖向钢筋长度,因而柱纵筋没有长短交错,导致接头未能错开。
柱梁节点箍筋设置
5、保护层未满足最小保护层厚度,根据最新规范图集要求,钢筋保护层厚度应从最外层钢筋外边缘算起至混凝土表面的距离。
6、暗柱较长时,有些项目现场采用两个U形箍筋组合,并使用搭接连接,此做法增加了钢筋搭接长度,导致钢筋用量增加。暗柱应按16G101图集采用封闭式箍筋做法。
7、底层柱箍筋加密区从地坪以上H0/3开始设置为错误做法,应从基础顶面开始算起(根据结构施工图嵌固端来定)。
暗柱封闭式箍筋设置(16G101-1 P75)
混凝土保护层最小厚度(16G101-1 P65)
箍筋加密区设置(16G101-1 P65)
8、柱插筋施工时,伸入基础中的插筋应采用封闭箍筋,此处箍筋仅为外侧大箍筋(非复合箍),当设计无具体要求时,保护层厚度应>5d(d为柱插筋最大直径),可节约部分箍筋。
柱纵向钢筋在基础中构造(16G101-3 P66)
1、地下室外墙水平筋(外侧与内铡)在同一位置搭接,没有按接头百分率错开接头。
2、地下室外墙水平筋接头未设置在受力最小处。外墙外侧水平钢筋应位于跨中三分之一或墙高四分之一(二者取较小值)区域,外墙内侧应位于支座及支座附近(主要是有壁柱的地下室外墙)。
3、地下室外墙竖向钢筋接头位置错误,根据规范外墙外侧竖向钢筋应位于墙高中间的三分之一区域,外墙内侧竖向纵筋应位于墙高根部的四分之一区域。
地下室水平筋接头设置要求 (16G101-1 P82)
地下室竖向筋接头设置要求 (16G101-1 P82)
4、墙纵向钢筋搭接长度过长,直接按墙高度。墙封顶时墙竖向钢筋应该是减去下面预留长度再加搭接长度。
竖向钢筋连接构造构造(16G101-1 P73)
5、外墙外侧钢筋顶模未设置保护层垫块,导致外墙外侧钢筋露筋等严重后果,最终把整个外墙破坏掉。外墙外侧直接与覆土接触,保护层不少于40mm。
6、结构总说明或基础说明中未注明顶板是外墙的简支支承还是弹性嵌固支承,施工时没有找到施工依据就擅自组织施工。
外墙纵筋折弯设置(16G101-1 P82)
7、地下室挡墙钢筋位置正确顺序应为:竖向钢筋在外侧,水平钢筋在内侧。
8、墙拉筋绑扎不规范,拉筋长度、间距或做法不符合规范要求,例如没拉住墙水平筋,施工时不是垂直拉而是斜拉。
9、墙身竖向分布筋从暗柱竖向钢筋外100mm间距进行布筋,而根据图集18G901规定是以剪力墙分布筋设计间距为准,这样可以节省2根竖向分布筋。
拉结钢筋构造(16G101-1 P62)
构造边缘暗柱钢筋布置(18G901-1 3-15)
约束边缘暗柱钢筋布置(18G901-1 3-9)
10、剪力墙插筋,当基础高度满足直锚要求时,插筋可以可不用全部伸至基础底,采用“隔二下一”的方式插筋,并尽量满足保护层厚度>5d(墙插筋直径),以节约基础锚固区横向钢筋,减少钢筋用量。
墙身竖向分布钢筋在基础中构造(16G101-3 P64)
1、主次梁交接处,主梁两侧附加箍筋。主次梁交接处未布置箍筋,只布附加箍筋为错误做法。
2、梁底筋漏绑,导致梁钢筋并在一起,并筋影响其受力。绑扎梁底钢筋宜先把梁抬高,用钢管支架固定,待梁上下钢筋包括腰筋全部绑扎完成后再把梁落下去。
3、梁拉钩施工按一端90°,一端135°,应该都为135°,施工时可以先一端加工成90°,待绑扎完后再用扳手弯成135°。
主次梁斜交箍筋设置( 16G101-1 P88 )
4、非抗扭的非框架梁下部纵筋伸入支座图集要求为12d,现场按锚固长度设置,将造成钢筋的浪费。
非框架梁下部纵筋设置 (16G101-1 P89)
5、梁洞口周围未布置钢筋。规范严禁在梁上开洞,但也不可避免要在梁上开洞,补救措施就是对洞口进行加强。
6、梁接头没有设置在受力较小处(上部纵筋为跨中三分之一区域),而是设在受力最大处,有的把梁上部钢筋设在梁支座处或附近。
钢筋接头设置范围(18G901-1 2-1)
7、吊筋按次梁高度施工为错误做法,应该是按主梁高度施工。
8、梁垫块做法不对,垫块强度不够而粉碎,导致梁直接与模板接触,露筋无疑;有的用横筋直接支承在板上,易露筋。
9、梁拉筋漏放或斜放,有的没绑扎,起不到拉筋作用。
10、梁二排钢筋位置不对,离一排距离过大,起不到受力作用。
吊筋设置要求(16G101-1 P88)
二排钢筋设置位置(18G901-1 1-2)
11、梁上部钢筋采用绑扎接头却未在接头位置加密箍筋,按规范要求在接头位置设置横向箍筋,间距为min(5d,100),如果采用绑扎连接,则梁将近乎变成全加密。梁纵筋最好采用机械连接或焊接(非电渣压力焊),这样就不需要对接头进行箍筋加密,可节约箍筋。
12、梁上部钢筋间距过密,混凝土浇筑困难。
13、几个方向梁相交重叠,梁上部钢筋无保护层甚至超过梁高度,这种情况可以把次梁上部纵筋放在主梁上部纵筋之下解决。
钢筋搭接区箍筋设置(16G101-1 P59)
14、非框架梁是非抗震(一般设计图中标注的L梁),箍筋弯钩平直段也无需10d,平直段长度为5d即可。(16G101-1第62页)
15、框架梁在墙、柱中的锚固长度以梁砼来定,实际应该以墙、柱的砼强度来确定梁在墙、柱中的锚固长度,这样可以减少锚固长度节省钢筋。如C30梁与C50墙连接处,三级抗震钢筋搭节省37d-28d=9d。
框架梁锚固长度设置
16、梁侧腰筋设置,应按梁腹板高度(即梁高减去板厚)减去梁底保护层后进行计算设置。
17、梁上部贯通钢筋由不同直径钢筋搭接时,搭接长度的计算以小直径钢筋为准。
18、梁上托柱的情况,梁上柱插筋的固定只能采用绑扎搭接,不得采用焊接。
梁侧腰筋设置(16G101-1 P90)
纵向受拉钢筋抗震搭接长度设置(16G101-1 P61)
梁上部不同直径通长筋搭接长度设置(16G101-1 P84)
1、板筋的搭接长度过长。
2、板上部钢筋接头位置错误,板上部钢筋接头应在跨中,却设置在支座。
3、板接头可按百分率25%要求设置,而不是按50%施工,可以节省搭接长度钢筋。
4、双向板下部双向交叉钢筋上、下位置关系应按具体设计说明排布;当设计未说明时,短跨方向钢筋应置于长跨方向钢筋之下。
板钢筋接头设置(18G901-1 4-3)
双向板下部钢筋设置(18G901-1 4-6)
5、板下部纵筋伸入支座长度按全伸入支座施工,而规范要求为max(5d,b/2),按规范要求设置伸入长度可以节省钢筋。
板下部纵筋伸入支座长度设置(16G101-1 P100)
6、板上部纵筋伸入支座La,实际施工不管支座有多宽均按伸入支座对边弯折15 d,当支座宽度不能满足锚固长度时才需要弯折15d,如果满足且支座很宽,板上部钢筋可以弯折,但弯折长度加在支座内平直段长度等于锚固长度即可,没有必要一定要到支座外侧,或当平直段长度满足锚固长度可不弯折,视情况而定。
7、板带边缘钢筋锚固长度过长,将造成钢筋的浪费,应按照图集要求进行设置。
板带边缘钢筋锚固长度设置(16G101-1 P105)
👇👇👇点下方图片获取全套纸质图集

工程师必备
- 项目客服
- 培训客服
- 平台客服
TOP




















