电力变压器绝缘状况分析
2021年7月1日 15:25摘要
本文对电力变压器整体绝缘的各种试验方法、试验标准和通过试验结果对变压器绝缘状况的分析进行了详细阐述。
关键词:变压器 绝缘 试验方法 结果分析
一
前言
二
测定绝缘电阻和吸收比
项 序 |
双 线 圈 变 压 器 |
三 线 圈 变 压 器 |
||
测量线圈 |
接地部位 |
测量线圈 |
接地部位 |
|
1 |
低压 |
高压线圈和外壳 |
低压 |
高压、中压线圈和外壳 |
2 |
高压 |
低压线圈和外壳 |
中压 |
高压、低压线圈和外壳 |
3 |
高压 |
中压、低压线圈和外壳 |
||
4 |
高压和低压 |
外壳 |
高压和中压 |
低压和外壳 |
5 |
高压、中压和低压 |
外壳 |
||
R2=R1×1.5(t1-t2)/10 式中
R1 为t1温度时测得的绝缘电阻值(兆欧)
R2 为换算到温度为t2时测得的绝缘电值(兆欧)
测量的绝缘电阻值,主要依靠各线圈历次测量结果相互比较进行判断,与上一次试验结果相比应无明显变化,一般不低于上一次值的70%。交接试验时,一般不应低于出厂试验值的70%(相同温度下)没有参考值时绝缘电阻值的标准,一般如下表所列。
温度(℃) |
10 |
20 |
30 |
40 |
50 |
60 |
70 |
80 |
|
高压线圈额定电压 (千伏) |
3~10 |
450 |
300 |
200 |
130 |
90 |
60 |
40 |
25 |
20~35 |
600 |
400 |
270 |
180 |
120 |
80 |
50 |
35 |
|
60~220 |
1200 |
800 |
540 |
360 |
240 |
160 |
100 |
75 |
|
2.2 测量吸收比及极化指数
吸收比是用兆欧表对变压器加压时间为60秒和15秒时,测得绝缘电阻的比值。吸收比对绝缘受潮反应比较灵敏。当温度为摄氏10~30℃时吸收比不应低于1.3。
220KV及120MVA以上变压器应测量极化指数。取十分钟和一分钟的比值,极化指数不低于1.5。
测量绝缘电阻和吸收比是检查变压器绝缘状态简便而通用的方法。一般对绝缘受潮及局部缺陷,如瓷瓶破裂、引出线接地等,均能有效地查出。如果测定的绝缘电阻和吸收比达不到规定值,则绝缘中肯定存在上述某种缺陷。
三
泄漏电流试验
试验时使用直流发生器和微安表,加压部位如下表:
项
序 |
双 线 圈 变 压 器 |
三 线 圈 变 压 器 |
||
测量线圈 |
接地部位 |
测量线圈 |
接地部位 |
|
1 |
低压 |
高压线圈和外壳 |
低压 |
高压、中压线圈和外壳 |
2 |
高压 |
低压线圈和外壳 |
中压 |
高压、低压线圈和外壳 |
3 |
高压 |
中压、低压线圈和外壳 |
||
4 |
高压和低压 |
外壳 |
高压和中压 |
低压和外壳 |
5 |
高压、中压和低压 |
外壳 |
||
试验加压标准如下表:
线圈额定电压(千伏) |
3 |
6~15 |
20~35 |
110~220 |
500 |
直流试验电压(千伏) |
5 |
10 |
20 |
40 |
60 |
将电压升至试验电压后,读取一分钟时通过被试线圈的直流电流,即为所测得的泄漏电流值。
泄漏电流的试验实际上也就是测量绝缘电阻,由于测定泄漏电流用的直流电压较高,它可以发现兆欧表所不能发现的绝缘缺陷。如变压器的部分穿透性缺陷和引线套管缺陷等。对测量结果进行分析判断时,主要是与同类变压器及各线圈相互比较,与历年试验结果比较,不应有显著变化。当其数值逐年增大时,应引起注意,这往往是绝缘逐渐劣化所致;若数值与历年比较突然增大时,则可能有严重缺陷,应查明原因。
四
测量介质损失角的正切值
变压器的外壳因直接接地,所以采用QS1型交流介质电桥反接线,测量部位按下表。
项
序 |
双 线 圈 变 压 器 |
三 线 圈 变 压 器 |
||
测量线圈 |
接地部位 |
测量线圈 |
接地部位 |
|
1 |
低压 |
高压线圈和外壳 |
低压 |
高压、中压线圈和外壳 |
2 |
高压 |
低压线圈和外壳 |
中压 |
高压、低压线圈和外壳 |
3 |
高压 |
中压、低压线圈和外壳 |
||
4 |
高压和低压 |
外壳 |
高压和中压 |
低压和外壳 |
5 |
高压、中压和低压 |
外壳 |
||
测量时被测线圈两端短接,非测量相线圈均要短接接地,可以避免线圈电感给测量带来误差。
测量变压器线圈绝缘的介质损失角正切值标准(20℃)如下表:
线圈额定电压(千伏) |
35 |
110~220 |
500 |
tgδ |
1.5% |
0.8% |
0.6% |
介质损失角正切值与历年的数值比较不应有明显变化(一般不大于30%)试验电压当绕组电压在10千伏及以上时为10千伏,绕组电压在10千伏以下的为Un。
测量时介质损失角正切值应换算到同一温度,数字表达式为:
tgδ2=tgδ1×1.3(t2-t1)/10式中
tgδ1,tgδ2分别在温度t1,t2下的tgδ值。
测量变压器线圈绝缘的介质损失角正切值,主要用于检查变压器是否受潮,绝缘老化,油质劣化,绝缘上附着油泥及严重局部缺陷等。如果测定的介质损失角正切值达不到规定值,则绝缘中肯定存在上述某种缺陷。
五
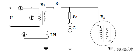
公频交流耐压试验
公频交流耐压试验设备一般需要试验变压器、调压器、高压静电电压表和球隙,必要时还需在高压测串接交流电流表和水阻。试验时应根据被试品对试验电压和容量的要求正确选择试验设备。
Ξ DWG图纸合集领取
Ξ 合集资料领取
Ξ 扫码关注
Ξ 线上广告入驻
工程师必备
- 项目客服
- 培训客服
- 平台客服
TOP




















