星三角电路启动原理图解
2021年9月7日 13:02图所示为异步电动机、星三角起动控制电路图,此种接法只适合于电动机正常运行时为三角型联接。
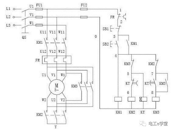
异步电动机星三角启动控制电路图
所需主要元器件:三个交流接触器,一个热继电器,一个时间继电器,启动、停止按钮各一,熔断器两个。
三个接触器作用:一个为主电路接通电源,一个为Y型启动,一个为△启动。
时间继电器作用:通过设定确定星型到三角型转换的时间,需要延时触点。
热继电器作用:提供过载保护。
熔断器作用:为电动机提供短路保护。
这是一种降压启动方式,适用的电机有局限性,能降多少压,怎么个算法,看下面图示。
可以看到通过Y--△,能够实现降压启动,降压起动时的电流为直接启动时的1/3。
下面重点巩固一下接线方式,这个看过很多次,也画过很多次,过了一段时间,今天再画时,又有些健忘了,无奈,继续加强。
先来看一下主接线图。
Y-△启动的话,先要星型启动的话,肯定KM和 KM -Y 先要启动,之后KM -Y要停下来,KM要一直得电,不然没电源肯定不行,KM和KM-△要一直运行,到正常运行。
接下来看下控制回路图吧:
根据上面一次回路的分析,再看这个控制回路,很简单的,按下启动按钮SB2,主回路电源启动,KM线圈得电,其常开触点闭合,实现自保持,SB2复归;下面的时间继电器线圈回路和KM-Y线圈回路也接通,这时Y型启动已经实现,通过时间继电器时间的整定,Y型回路的时间继电器NC(常闭)触点得电后要延时打开,使Y启动保持住,而△回路KT的NO(常开)触点得电后要延时闭合,使得△型回路不得电,同时Y型启动的接触器常闭接点对△回路有闭锁(Y-△两回路都要有闭锁)。整定时间到后,时间继电器的常开触点瞬时闭合,接通△型回路,KM-△线圈得电,其常开触点闭合,起保持作用,而其常闭触点断开,切断Y型启动回路,同时另一个常闭触点使得KT时间继电器回路断开,KT线圈失电,常闭瞬时复归,常开也复归,电机此时已经处于正常运行状态,实现了降压启动。
这里最需要注意的就是时间继电器的触点,带有延时的触点,是得电延时还是失电延时,一定要记牢才行,这里也是从网上学到的一个口诀,记住了也就好处理了。
左凸右凹,延头瞬尾;左凹右凸,瞬头延尾;
凹凸都有,延头延尾;NO NC看常态。
这里凹凸指的是触头上面那个半弧,先要把触头竖起来,左右指的是触头相对于中间的直线是在左边还是右边,延头瞬尾,意指:线圈得电后,触点延时动作,而失电后,瞬时瞬时动作;瞬头延尾,意:线圈得电后,触点瞬时动作,失电后,延时复归。凹凸都有的,得电延时动作,失电也延时动作。NO指常开,NC指常闭,看常态,没得电它是常开还是常闭。
结合口诀,都很好理解了。
电动机电气控制联锁学习很重要,从一个知识点能够想到其他的,尤其是对于电气这东西,处处都是知识。
接线图:
END
————————————————
版权声明:本文为CSDN博主「weixin_39943220」的原创文章,转载请附上原文出处链接及本声明。
工程师必备
- 项目客服
- 培训客服
- 平台客服
TOP




















