【原创分享】数字逻辑电路之逻辑门或逻辑
2021年10月28日 10:26上篇文章我们讲解了与逻辑,
而与之对应的就是或逻辑,在数字电路中与、或、非为三大基础逻辑门电路,其后续的与非、或非、同或、异或,都是建立在基础逻辑门电路的基础上边。
那么我们继续来聊基础逻辑门—或门。
或门在数字电路中乃至计算机运算中的逻辑关系为加逻辑,也叫作或逻辑。
而或门(or gate)也可以称为OR门,其是具有两个以上输入端与一个输出端的逻辑门。
其符号如图所示:
形状特征型符号(ANSI/IEEEStd 91-1984)、IEC矩形国标符号(IEC 60617-12)和DIN符号(DIN 40700)
其逻辑关系为:
当所有输入端是0时,输出为0
当有任何输入端是1时,输出为1
在这里要说一下,关于真假的问题,在数字电路中如果没有特别的定义,一般以1为真,0为假。
什么意思呢?就是以1代表有效,0代表无效。
其逻辑真值表:
I1 |
I2 |
Y |
0 |
0 |
0 |
0 |
1 |
1 |
1 |
0 |
1 |
1 |
1 |
1 |
其关系为:有一为一、全一为零
那么或门的运算式,是什么样的?
当输入为I1、I0,输出为Y
即:Y=I1+I0
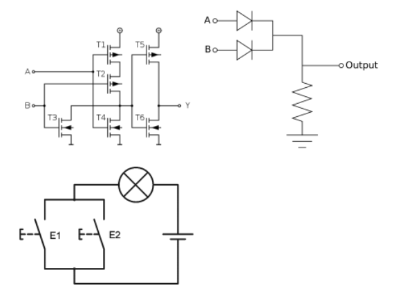
当然与门也可以用其分立元件进行组成,如图所示:
包括二极管实现、开关实现、CMOS逻辑实现等,通过将多个或门级联也可以实现多输入的或门
那么以二极管组成的分离元件或门为例来分析一下:
如图,这里取Vss = 0v,不取-10v
1、当Ua=Ub=0v时,D1,D2都截至,那么y点为0v.
2、当Ua=3v,Ub=0v时,此时D1导通,Uy=3-0.7=2.3v,D2则截至
同理Ua=0v,Ub=3v时,D2导通,D1截至,Uy=2.3v.
3、当Ua=Ub=3v时,此时D1,D2都导通,Uy=3-0.7=2.3v.
或门可以通过不同的方法实现,包括二极管实现、开关实现、CMOS逻辑实现等,通过将多个或门级联也可以实现多输入的或门。
或门波形图:
这就是三大逻辑门中,或逻辑的基本介绍。
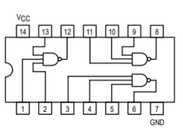
同样的或门也有集成芯片组成,当我们将COMS电路进行集成,然后将其塑封,那么就成了集成数字逻辑芯片,以为例74ls系列为例进行讲解
如图所示:
其中以74LS10为例的话,如图所示这是其芯片的封装形式。
内部电路如图所示:
这个或门芯片为3输入芯片,可以看到其有3个输入一个输出,另外一般以数字逻辑芯片的话其电源与地的关系为,左上为电源,右下为地。这个在目前的逻辑芯片中是不会改变的。
这就是有关或门芯片的基本介绍,那么具体的应用需要在我们数字逻辑电路才能展示出来。
|本文凡亿教育原创技术文章,转载请注明来源
工程师必备
- 项目客服
- 培训客服
- 平台客服
TOP




















