胶带式过滤机的结构及简易工作原理
2021年12月20日 15:031、主要结构
胶带式过滤机主要由橡胶带、真空箱、驱动辊、从动辊、改向辊、胶带支承辊、胶带支承滑台、进料斗、刮料器、滤布纠偏装置、驱动装置、滤布洗涤装置、滤饼淋洗装置、机架等部件组成。
2、简易工作原理
胶带式过滤机主要是充分利用物料重力和真空吸力实现固液分离的高效设备,其工作原理如下:
如图示,环形胶带由电机经减速拖动连续运行,滤布铺敷在胶带上,在有真空的情况下与胶带同步运行。胶带与真空室滑动接触(真空室与胶带间有环形磨擦带并通入工艺水形成密封),当真空室接通真空系统时,在胶带上形成真空抽滤区;料浆由布料器均匀地分布在滤布上,在真空的作用下,滤液穿过滤布经胶带上的横沟槽汇总并由胶带中间的小孔进入真空室,固体颗粒被滤布截留而形式滤饼;进入真空的液体再经汽水分离器排出。随着橡胶带移动已形成的滤饼依次进入滤饼洗涤区、吸干区;最后滤布与胶带分开,在卸滤饼辊处将滤饼卸出;卸除滤饼的滤布经清洗后获得再生;再经过一组支承辊和纠偏装置后重新进入过滤区。
3、设备的结构
(1) 橡胶滤带:
可采用带环形橡胶有裙边的滤带;和组合结构的挡边两种结构。橡胶滤带的上部构造为中间一排排水沟槽。作为排水液带。沟槽中部有排液孔;橡胶滤带是胶带过滤机关键部件;其寿命长短一般取决于橡胶材质的选择和现场的维护保养。因此确定橡胶滤带材质根据物料的性质确定,对橡胶有强烈腐蚀的物料不宜采用橡胶带式过滤机。
现场安装时注意以下事项:
① 首先安装平整橡胶带,使其在运行正常后(不跑偏),方可进行中心排液孔的加工。加工时必须保证孔在胶带运行的中心线上。之后才粘结波纹裙边,或安装组合挡边。
② 设备运行时必须保证胶带的清洁减缓橡胶老化。延长胶带使用寿命。
③ 设备的卸料端(清冼箱内)和进料端设有清冼管,要注意经常定期清冼胶带上的杂物保持胶带的清洁。
(2)真空盒:
真空盒是排液胶带底面滤液的汇集处。其中心线应与排液带及中心排孔的中心线相重(相对偏差应在2.0MM范围内)。真空盒断面呈V形,材质采用耐腐蚀材料制成。过滤机运行时,真空盒固定不动。胶带在上面运行,真空盒采用分节联结成整体,每节均有管口与集液总管相连形成真空集液系统。在真空箱与运行胶带间设计有一环形磨擦带;并以水进行密封(磨擦带在真空盒上的磨擦块上随胶带运行),水既可作为密封装置的润滑剂又可作冷却剂,形成非常有效的真空密封;环形磨擦带随胶带一起运动,使水平胶带不受摩损。环形磨擦带在滑块上运行尽管有水润滑但仍有磨损,一定时间后需要更换,为了便于更换磨擦带,环形磨擦带设计成可更换结构,真空盒也设计了一套升降机构;使其更换时真空盒处于低位,有利于更换磨擦带的方便快捷。
真空盒是影响过滤效果的关键部件,调整安装时必须注意以下事项:
① 真空盒是分节联成整体的联接时必须注意联接处的密封,每个密封面除了 配上胶垫外还必需在密封面上涂上密封胶。
② 磨擦带的两面是由不同硬度的材料组成的,安装时注意必需将软的一面朝上(与胶带接触)以保证足够的磨擦力拖动磨擦带移动。装反了不但会增加设备的运行阻力还会很快使磨擦损坏。
③ 真空盒的密封水量是形成真空和润滑、冷却磨擦带的重要参数,调试时要细心调节,水量的大小以保证形成操作真空度和使磨擦带不发热为准。
(3)加料装置:
采用折板式加料斗,使料浆均布在滤带上,安装时注意:
① 应该在加料口上加装阀门来控制加料速度;
② 加料方向应向后,这样可以充分利用真空区形成自然沉降区,避免破坏滤饼,提高过滤的速率和质量;
③ 加料装置出厂时已经试验调试好,能满足大多数物料布料均匀的要求,但对某些特殊物料(液固比、比重差异较大),会出现布料稍不均匀,用户可以在加料斗上增加导向筋达到布料的均匀。
(4) 驱动辊:
驱动辊是驱动胶带运行的主动辊,由钢质滚筒外包耐酸橡胶制成,再由变频调速器控制经电机驱动(频率可在0-50Hz范围内调整),减速器减速后低速转动。电机由变频调速器控制经行星齿辊减速机减速,通过已经张紧的胶带与驱动辊表面橡胶层之间的摩擦力,带动胶带、滤布连续移动,在滤布转向处排卸滤饼。
驱动辊的转速应根据所需要的转速加以调节,带滤机在出厂时,为了适应广泛用途其调速范围较大,而对于某一种料浆,带滤机使用的调速范围不会太大,如果在已成熟确定的工艺条件下实际使用时,电机长期处于较低速度的情况下,会影响电机的寿命。要改善这一状况,根据自己的具体需要,更换合适传动比的减速机,使电机在较佳的转速状态下运转。
驱动辊的运转必须注意以下事项:
① 为了防止胶带与驱动辊打滑,一方面要将胶带张紧,另一方面驱动辊的表面必须保持清洁,不允许沾染杂物,尤其细小颗粒状固体物,这样可以延长胶布的使用寿命。这需要操作者细心加以调节。
② 驱动辊的表面圆柱线应与从动辊平行。有时胶带经常向固定一侧跑偏时,一方面可以调节细调拉紧装置使胶带二边松紧大体相同;另一方面也可以检查驱动辊是否与机架中心垂直,调整驱动辊与机架中心的垂直度也可以起到对胶带防偏作用。
(5) 刮刀装置:
滤带连同上面已经吸干的滤饼脱离胶带继续向前移动,当运行到卸料辊处时,因其曲率变大(曲率半径变小)使滤饼较易剥离滤带,再用薄板型刮刀或钢丝刮刀将滤饼剥离排卸。刮刀用牛筋板加工成形,具有耐磨、富有弹性的优点。
安装刮刀必须注意:
① 调节刮刀装置两边的安装位置,使其压住滤布而刮刀则均匀地距离滤带0.3~0.5mm,使刮刀不直接接触滤带,又能刮卸滤饼,这样可以延长滤布使用寿命。
② 两边的弹簧拉力不要过大以滤布搭接处通过刮刀时能够弹出(且能弹回)不卡住滤布为准。
(6) 自动纠偏装置:
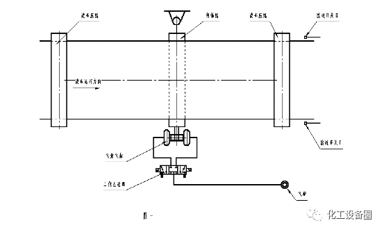
它由纠偏辊、纠偏气缸(气囊气缸)、三位五通电控滑阀和感应开关等组成。它的作用就是纠正滤布跑偏,其原理是通过改变纠偏辊的角度来达到纠正滤布跑偏的。
工作原理如下:
如图一示,当滤带处于中间位置时,滤布不与拨杆接触;感应开关无感应信号输出,此时三位五通阀处于中间位置,纠偏辊如图示与滤布垂直。
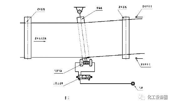
如图二示,当滤带向接近开关Ⅰ方向跑偏时,滤布触动拨杆使感应板接近开关Ⅰ,当达到感应距离时,接近开关输出信号,使三位五通阀通电换向,三位五通阀换向,如图示右边气囊气缸进入压缩空气;此时纠偏辊如图示偏转一定角度,在图示纠偏辊作用下,滤布的跑偏迅速纠正,向接近开关Ⅱ方向移动;当到达中间位置时,接近开关Ⅰ感应信号消失,气缸Ⅰ又重新回到图一状态。
如图三示:当滤布向接近开关Ⅱ方向跑偏时,滤布触动拨杆使感应板接近开关Ⅱ,当达到感应距离时,接近开关Ⅱ输出信号,使三位五通阀通电换向,如图示左边气囊气缸进压缩空气;此时纠偏辊如图示偏转一定角度,在图示纠偏辊作用下,滤布的跑偏迅速纠正,向接近开关Ⅰ方向移动;当到达中间位置时,接近开关Ⅱ感应信号消失,气缸Ⅱ又重新回到图一状态。
滤布跑偏是在所难免的,这是由于连接滤带时难免有松紧、长短,各改向辊存在平行误差等因素影响,虽然调节改向辊(范围有限)能纠正滤布向一侧跑偏的现象,但对于发生在瞬间的不稳定跑偏(工艺上参数的变化、布料等引起的),则必须由纠偏装置来纠正;因此,自动纠偏装置是带滤机非常重要的部件。
(7) 滤布清洗装置:
用以清洗卸渣后的滤布和胶带,通过前后二次压力(一般要求大于0.3MPA)水的冲刷,使滤布每经过一次过滤,卸渣后都得到再生性的清洗,从而保证获得较好的过滤速率和滤带使用周期,安装使用清洗箱时注意以下事项:
滤带不能有效再生,没有洗涮干净,会在滚筒上逐渐粘上滤渣,造成滤布打皱和严重跑偏,滤布也会很快严重堵塞,过滤速率很快下降,滤饼含湿量增加,排卸更为困难,也更难洗清滤带,如此形成恶性循环,致使不能正常运行,所以必须注意清洗装置的运行工作情况,在整个操作过程中,要经常检查滤带是否洗净。
(8) 胶带支承台:
用于支承真空盒两侧的胶带,采用托辊(或滑台)支承,具有磨擦阻力低、抗抗磨及易更换等优点,采用全密封结构,使用寿命长。
(9) 电、气控柜:
胶带过滤机的控制包括电控系统和气控系统两部分。
具体布置情况如下:压缩空气进入气控柜后,依次和球阀、气源处理三联体(包括分水器、调压阀、油雾器)相接,然后接三位五通单电控滑阀。三位五通双电控阀是控制自动纠偏装置的,气源三联体中油水分离器的作用是净化压缩空气,除去压缩空气中的水份及不干净的油,以免以后的元件受到锈蚀,油水分离器在使用若干时间后,要打开底部的开关将分离出来的水放掉,油雾器中加入干净机油,略为打开一点,使压缩空气经过时带去少量的油,用以润滑在此以后的气动元件。油用完后要及时补充加入。
气动元件、气缸等都是高精度的元件,压缩空气的质量好坏都将影响其寿命和性能的稳定性与可靠性。因此建议用户在压缩空气进入气控柜之前装上油水分离装置,以提高压缩空气质量。
气控阀操作必须注意以下事项:
修气缸、气路管道、气控元件时,要先切断压力气源。
控制柜在停车时期要关好锁上,以确保安全。
(10) 真空排液罐
真空排液罐由筒体,封头和气液进出口等组成,其工作原理为液体依靠重力作用克服真空吸力来达到排液目的。
4、设备安装及拆卸工序
(1) 设备安装工序
安装设备下机架,将下胶带托辊安装到位;
将胶带展开,放于设备头部;
将尾轮插入胶带中间,吊起并向尾架拖动;
当尾轮拖至设备中部时,剩余的胶带部分可以较轻松地将头轮插入时,将头轮插入胶带中间;
将尾轮继续向尾部机架拖动,至胶带将要拉紧时停止;
将头轮吊装到机架头部的安装位置,用螺栓固定;
将尾轮安装到位,并将丝杠与尾轮轴承座联接;
将胶带吊起,安装上机架;
安装真空盒及真空盒水路,并将真空盒升降装置安装到位;
安装胶带上支承辊及辊架;
安装真空盒进水水路管,并安装气囊进气管;
调整丝杠将胶带张紧;
安装其它部件(如滤布辊、下料斗、隔离器等)至机架上;
安装滤布。
(2) 设备拆卸工序
拆卸滤布;
从机架上拆卸其它部件(如滤布辊、下料斗、隔离器等);
调整胶带尾轮丝杠,使胶带放松;
将胶带吊起,拆卸真空盒进水水路管和气囊进气管;
拆卸胶带上支承辊及辊架;
拆卸真空盒及真空盒水路,并拆卸真空盒升降装置;
拆卸上机架;
将尾轮向头部拖动至机架中部;
拆卸头轮轴承座固定螺栓,起吊头轮至机架前部;
将头轮从胶带中间取出;
将尾轮连同胶带一同吊至设备前部;
将尾轮从胶带中间取出;
卷起胶带;
拆卸下机架的其它部件;
拆卸下机架。
5、设备的维护、维修、保养
(1) 维护要点
维修程序 |
频率 |
参考资料和备注 |
润滑: -滤布辊 -胶带支承辊 -胶带驱动辊 -滤布纠偏系统控制三联体的润滑 |
150小时或每周一次 |
参见润滑油表 |
- 胶带丛动辊轴承 |
500小时或每月一次 |
参见润滑油表 |
-过滤机驱动减速机 -辅助设备 |
参见厂家说明书 |
参见厂家说明 |
滤布: -检查是否对中和折皱 -检查辊上是否集有固体物 -检查是否堵塞 -检查是否撕破或有孔 |
每天 |
参见“滤布安装、检查和滤布维修”说明 |
-检查滤布纠偏机构 -检查冲洗喷射形式 -清洁冲洗水管线 |
每周和每次启动 |
参见“滤布纠偏系统”说明 |
排水胶带: -检查是否对中 -检查胶带支承辊是否集有固体物 -清洁冲洗水管线 |
每周 |
参见“胶带张力和对中”说明 |
-检查磨擦带的情况 -检查排水胶带的情况 -检查滑动平台和真空盒润滑系统 -检查胶带冲洗 |
每月 |
参见“磨擦带维修”、“排水胶带维修”和“胶带水润滑和水冲洗系统”说明 |
过滤机驱动装置: - 检查电流读数 |
每月(第一周运行时,每天) |
参见“过滤机驱动装置检查”说明 |
过滤机装置: -清洁和检查 -检查部件和接头是否松动 -真空盒 -清洁过滤机周围的过道(不在厂家供货范围) |
每周 |
参见“维修”说明 |
滤布纠编辊: - 检查调节情况 |
每月 |
参见“滤布纠偏”说明 |
真空盒: -检查滑块和磨擦带是否磨损 -检查真空盒升降装置 |
3个月 |
参见“真空盒维护和维修”说明 |
限位开关: -检查安全开关和跳闸线组件 -检查排水胶带限位开关 -检查滤布限位开关 |
每周和每月 |
检查开关的动作情况:安全开关应每周检查一次 |
辅助设备: - 参见厂家说明书 |
必要时 |
见厂家说明 |
(2) 驱动减速机的检查
根据驱动减速机厂家说明书,在运行的第一周每天检查一次驱动电机的电流读数,随后根据驱动减速机的运行情况进行定期检查。
如果出现过载,对以下进行检查:
检查真空盒水润滑系统是否有足够的水。检查真空盒润滑系统是否有最低的水流量。真空盒水润滑系统-要求:在0.3MPA时为4.0M3/h。
胶带托辊转动是否顺畅
排水胶带的胶带冲洗管:从动胶辊内部和驱动辊外部,即就在胶带到达真空平台之前,需要足够的冲洗水量和压力来润滑胶带内部,并在胶带通过驱动辊之后清洁胶带外部。
真空度:真空泵不能超过真空系统所规定的真空压力。
排水胶带和磨擦带:磨擦带可能未对中、断裂或扭曲。排水胶带也有可能过度张拉。胶带驱动辊、从动辊轴承和胶带支撑辊轴承:检查润滑和检查轴承发热情况。
(3) 检查
根据厂家说明书检查驱动减速机和驱动电机。
根据厂家说明书润滑驱动减速机和驱动电机。
每周检查排水胶带是否对中和拉紧。如果需要调节。
至少每月检查一次排水胶带的情况,如果被过滤的材料是磨损料,最好如下每用检查一次或多次:
① 检查胶带是否有凹槽、裂纹或其他损坏。还应检查接头的橡胶外层是否起层及穿透进入增强纤维。必要时根据损坏的严重性,考虑修复或更换胶带。
② 检查胶带的内外表面是否平整或过度磨损。
③ 每月检查胶带的冲洗系统,保证其正确的喷洒方式和足够的压力。胶带冲洗系统的要求压力标注在总布置图上。
④ 每月清洁滤网以防堵塞。
工程师必备
- 项目客服
- 培训客服
- 平台客服
TOP




















