干货|电源工程师必看:各种滤波电路合集
2021年12月23日 14:20一、滤波电路种类
二、滤波原理
图1(a)所示是单向脉动性直流电压波形,从图中可以看出,电压的方向性无论在何时都是一致的,但在电压幅度上是波动的,就是在时间轴上,电压呈现出周期性的变化,所以是脉动性的。
但根据波形分解原理可知,这一电压可以分解成一个直流电压和一组频率不同的交流电压,如图1(b)所示。在图1(b)中,虚线部分是单向脉动性直流电压Uo中的直流成分,实线部分是Uo中的交流成分。
图1:单向脉动性电压的分解
根据以上的分析,由于单向脉动性直流电压可分解成交流和直流两部分。在电源电路的滤波电路中,利用电容器的“隔直通交”的特性和储能特性,或者利用电感“隔交通直”的特性可以滤除电压中的交流成分。图2所示是电容滤波原理图。
图2(a)为整流电路的输出电路。交流电压经整流电路之后输出的是单向脉动性直流电,即电路中的Uo。
图2(b)为电容滤波电路。由于电容C1对直流电相当于开路,这样整流电路输出的直流电压不能通过C1到地,只有加到负载RL上。对于整流电路输出的交流成分,因C1容量较大,容抗较小,交流成分通过C1流到地端,而不能加到负载RL。这样,通过电容C1的滤波,从单向脉动性直流电中取出了所需要的直流电压+U。
滤波电容C1的容量越大,对交流成分的容抗越小,使残留在负载RL上的交流成分越小,滤波效果就越好。
图2:电容滤波原理图
图3所示是电感滤波原理图。由于电感L1对直流电相当于通路,这样整流电路输出的直流电压直接加到负载RL上。
对于整流电路输出的交流成分,因L1电感量较大,感抗较大,对交流成分产生很大的阻碍作用,阻止了交流电通过C1流到负载RL。这样,通过电感L1的滤波,从单向脉动性直流电中取出了所需要的直流电压+U。
滤波电感L1的电感量越大,对交流成分的感抗越大,使残留在负载RL上的交流成分越小,滤波效果就越好,但直流电阻也会增大。
三、π型RC滤波电路识图方法
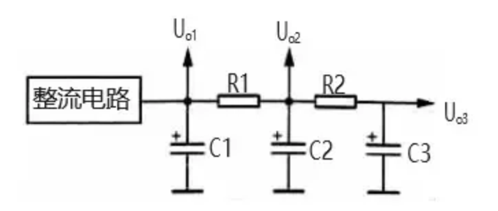
图4所示是π型RC滤波电路。电路中的C1、C2和C3是3只滤波电容,R1和R2是滤波电阻,C1、R1和C2构成第一节π型的RC滤波电路,C2、R2和C3构成第二节π型RC滤波电路。由于这种滤波电路的形式如同希腊字母π并采用了电阻器和电容器,所以称为π型RC滤波电路。
这一电路的滤波原理是:从整流电路输出的电压首先经过C1的滤波,将大部分的交流成分滤除,然后再加到由R1和C2构成的滤波电路中。C2的容抗与R1构成一个分压电路,因C2的容抗很小,所以对交流成分的分压衰减量很大,达到滤波目的。对于直流电而言,由于C2具有隔直作用,所以R1和C2分压电路对直流不存在分压衰减的作用,这样直流电压可以通过R1输出。
在R1大小不变时,加大C2的容量可以提高滤波效果,在C2容量大小不变时,加大R1的阻值可以提高滤波效果。但是,滤波电阻R1的阻值不能太大,因为流过负载的直流电流要流过R1,在R1上会产生直流压降,使直流输出电压Uo2减小。R1的阻值越大,或流过负载的电流越大时,在R1上的压降越大,使直流输出电压越低。
C1是第一节滤波电容,加大容量可以提高滤波效果。但是C1太大后,在开机时对C1的充电时间很长,这一充电电流是流过整流二极管的,当充电电流太大、时间太长时,会损坏整流二极管。所以采用这种π型RC滤波电路可以使C1容量较小,通过合理设计R1和C2的值来进一步提高滤波效果。
这一滤波电路中共有3个直流电压输出端,分别输出Uo1、Uo2和Uo3三组直流电压。其中,Uo1只经过电容C1滤波;Uo2则经过了C1、R1和C2电路的滤波,所以滤波效果更好,Uo2中的交流成分更小;Uo3则经过了2节滤波电路的滤波,滤波效果最好,所以Uo3中的交流成分最少。
3个直流输出电压的大小是不同的。Uo1电压最高,一般这一电压直接加到功率放大器电路,或加到需要直流工作电压最高、工作电流最大的电路中;Uo2电压稍低,这是因为电阻R1对直流电压存在电压降;Uo3电压最低,这一电压一般供给前级电路作为直流工作电压,因为前级电路的直流工作电压比较低,且要求直流工作电压中的交流成分少。
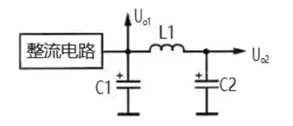
四、π型LC滤波电路识图方法
五、电子滤波器识图方法
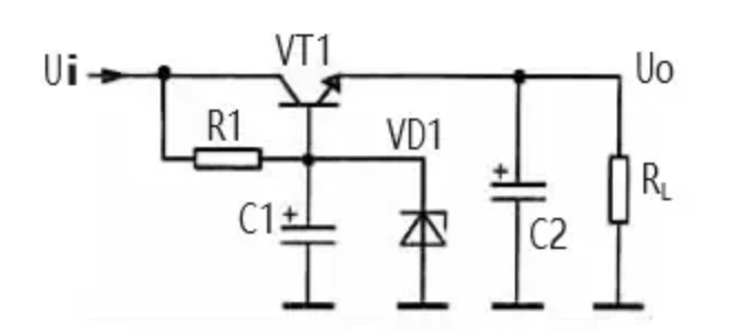
图6所示是电子滤波器。电路中的VT1是三极管,起到滤波管作用,C1是VT1的基极滤波电容,R1是VT1的基极偏置电阻,RL是这一滤波电路的负载,C2是输出电压的滤波电容。
在VT1基极与地端之间接入了稳压二极管VD1后,输入电压经R1使稳压二极管VD1处于反向偏置状态,此时VD1的稳压特性使VT1管的基极电压稳定,这样VT1发射极输出的直流电压也比较稳定。注意:这一电压的稳定特性是由于VD1的稳压特性决定的,与电子滤波器电路本身没有关系。
R1同时还是VD1的限流保护电阻。在加入稳压二极管VD1后,改变R1的大小不能改变VT1发射极输出电压大小,由于VT1的发射结存在PN结电压降,所以发射极输出电压比VD1的稳压值略小。
C1、R1与VT1同样可以组成电子滤波器电路,起到滤波作用。
在有些场合下,为了进一步提高滤波效果,可采用双管电子滤波器电路,2只电子滤波管构成了复合管电路。这样总的电流放大倍数为各管电流放大倍数之积,显然可以提高滤波效果。
六、电源滤波电路识图小结
关于电源滤波电路分析主要注意以下几点:
(1)分析滤波电容工作原理时,主要利用电容器的“隔直通交”特性,或是充电与放电特性,即整流电路输出单向脉动性直流电压时对滤波电容充电,当没有单向脉动性直流电压输出时,滤波电容对负载放电。
(2)分析滤波电感工作原理时,主要是认识电感器对直流电的电阻很小、无感抗作用,而对交流电存在感抗。
(3)进行电子滤波器电路分析时,要知道电子滤波管基极上的电容是滤波的关键元件。另外,要进行直流电路的分析,电子滤波管有基极电流和集电极、发射极电流,流过负载的电流是电子滤波管的发射极电流,改变基极电流大小可以调节电子滤波管集电极与发射极之间的管压降,从而改变电子滤波器输出的直流电压大小。
(4)电子滤波器本身没有稳压功能,但加入稳压二极管之后可以使输出的直流电压比较稳定。
工程师必备
- 项目客服
- 培训客服
- 平台客服
TOP




















