电工识图第三讲:工频与变频切换电路

工频/变频切换电路:正常时为变频控制,必要时可切换至工频运行。
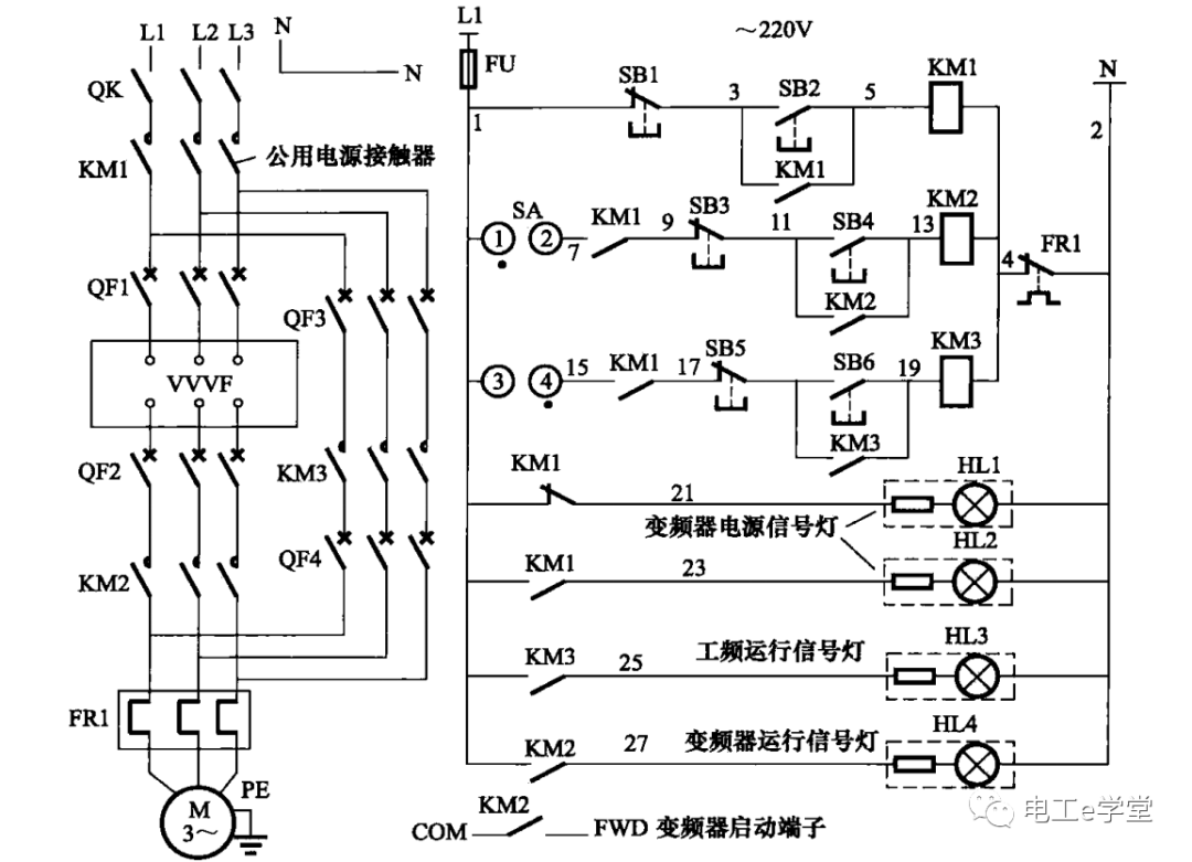
电工识图第三讲:工频与变频切换电路的图1

控制电路图如上图所示:
图中的SA为工频和变频启动的选择开关。KM1为公共电源接触器,即在设备使用前首先要按下设备启动按钮SB2,这样电源接触器KM1线圈得电,主触头闭合,给变频器提供电源,当按下电源停止按钮SB1,则控制回路断电。
1、工频启动方式,首先合上QF3和QF4,当SA选择工频启动,即3、4导通,KM1的常开辅助触点使闭合的,这时按下工频启动按钮SB6,则工频接触器KM3线圈得电,KM3主触头闭合,电机工频运行,当按下工频停止按钮SB5,则电机停止。
2、变频启动方式:收钱合上QF1和QF2,SA选择变频启动,即触点1、2导通,KM1的常开辅助触点使闭合的,这时当按下变频启动按钮SB4,KM2线圈得电,KM2的主触头闭合,常开辅助触点闭合,将变频器的启停端子FOR和COM短接,给变频器启动信号,电机按设定频率运行,当按下变频停止按钮SB3时,电机停止。
登录后免费查看全文
立即登录
App下载
技术邻APP
工程师必备
  • 项目客服
  • 培训客服
  • 平台客服

TOP

1