浮头式换热器结构动画演示
2022年1月21日 13:06浮头式换热器的详细结构
新型浮头式换热器浮头端结构,它包括圆筒、外头盖侧法兰、浮头管板、钩圈、浮头盖、外头盖及丝孔、钢圈等组成,其特征是:在外头盖侧法兰内侧面设凹型或梯型密封面,并在靠近密封面外侧钻孔并套丝或焊设多个螺杆均布,浮头处取消钩圈及相关零部件,浮头管板密封槽为原凹型槽并另在同一端面开一个以该管板中心为圆心,半径稍大于管束外径的梯型凹槽,且管板分程凹槽只与梯型凹槽相连通,而不与凹型槽相连通。
浮头式换热器结构示意图
浮头式换热器浮头端结构由圆筒、外头盖侧法兰、浮头管板、钩圈、浮头盖、外头盖及丝孔、钢圈等组成。钩圈式浮头的详细结构见下图所示。
钩圈式浮头的详细结构
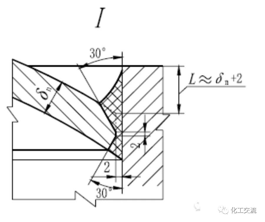
钩圈对保证浮头端的密封、防止介质间的串漏起着重要的作用。钩圈一般都是对开式结构,要求密封可靠,结构简单、紧凑、便于制造和拆装方便。
GB151 给出了两种型式的钩圈,即A 型钩圈和B 型钩圈。见下图。
A 型钩圈特点
A 型钩圈的底部距浮动管板较远,使得浮头端壳程介质的死角增大,减少管束的有效传热面积。且A 型钩圈的厚度比B 型钩圈厚,上紧双头螺柱也比B 型长,稳定性差。
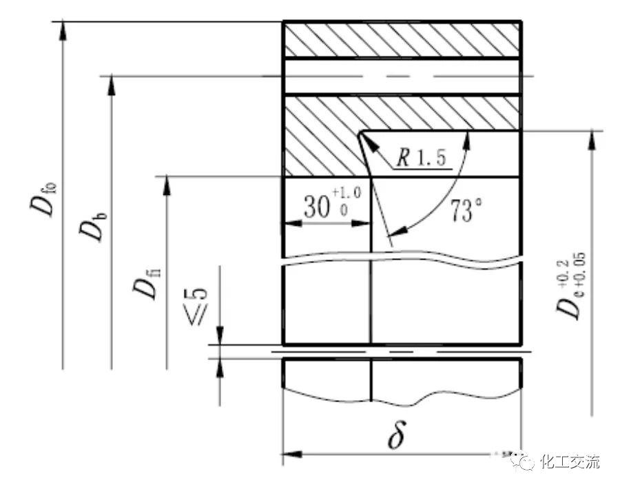
B 型钩圈的特点
B 型钩圈为国外引进型式,其特点是浮头管板和钩圈的斜槽采用不同倾角,在上紧双头螺柱时间隙将消失而使管板对钩圈起到支撑并控制钩圈转角的作用,即保证了螺栓的弯曲变形在允许范围内,又保证了有效密封的作用。
B 型钩圈和浮动管板的结构
B 型钩圈与浮动管板的结构如图所示。
B型钩圈
浮动管板
推荐的B 型钩圈和浮动管板的尺寸
B 型钩圈的推荐尺寸与之相配合的浮动管板的尺寸,供设计参考,详见表1和上图。
表1 B 型钩圈和浮动管板的推荐尺寸(mm)
浮头盖是浮头式换热器浮头端的重要组成部分,浮头盖的结构如下图所示。
浮头盖的结构
多管程的浮头盖,其最小内侧深度应使相邻管程之间的横跨流通面积至少等于每程换热管流通面积的1.3 倍。
单管程的浮头盖,其接管中心处最小内侧深度为接管内径的三分之一。
浮头盖中分程隔板的最小厚度如下表2所示。
表2 分程隔板的最小厚度
固定管板换热器的结构示意图
管箱
管箱结构
常见的管箱结构大致可以分为以下几类,如上图所示。
A 型管箱可用于单管程和多管程,优点是便于清洗换热器的管程;缺点是管箱盖结构用材较多,当尺寸较大时,需要锻件,故建议A 型管箱宜用于DN≤900mm 的场合。
B 型管箱用于单管程和多管程,优点是结构简单,便于制造;缺点是检修和清洗管程的换热管内时,需将管箱上的接管法兰和设备法兰拆开,并取下整体管箱。
C 型管箱该管箱是多管程换热器的返回管箱。
D 型管箱该管箱用于单管程换热器的进出口管箱。
管箱平盖是管箱的重要组成部分,不同的平盖可以根据用途、材料耗费、方便清洁等方面进行选择。
管箱平盖的结构型式如图所示
a) 图1为整体结构的管箱盖,主要用于管箱为碳钢或低合金钢材料的场合。
图1 整体结构的管箱盖
b) 图2 为复合结构的管箱盖,用于管箱为不锈钢或耐蚀合金材料的场合。
图2 复合结构的管箱盖
c) 图3 是采用衬板塞焊的管箱盖,但不适用于真空状态的场合。
图3 衬板塞焊的管箱盖
整体结构管箱盖的有效厚度应等于管箱盖的实际厚度减去管箱腐蚀裕量或管箱腐蚀裕量与分程隔板槽深度的大值。对于复合管箱盖和衬层管箱盖,其复合层或衬层厚度不包括在有效厚度之内。
本平台转载文章内容仅供参考,如涉及版权问题,请及时联系将已删除。转载请注明来源。
工程师必备
- 项目客服
- 培训客服
- 平台客服
TOP




















