直流励磁同步电机和磁阻电机在新能源汽车中的应用
2022年4月11日 08:42一、电机分类
目前车辆上常用的驱动电机种类有异步感应电机IM和永磁同步电机PMSM,其中中国市场以永磁电机为主。
业内今年新增加一个种类是BMW IX3的电励磁同步电机,在宝马沈阳工厂开始了批量生产,似乎诱惑了很多工程师,并且成了很多销售人士的卖点。当然,电励磁同步电机也不是新发明,雷诺ZOE就采用了电励磁同步电机,只是没有普及开来。
电励磁同步电机的原理已经公开很久了,在工业电机产品领域也有很多应用,只是电动汽车这个领域刚刚有批量使用的案例。
但是这个并不新鲜的技术并不代表电励磁同步电机没有门槛、可以随意任性设计和量产,在设计和制造技术上还是有很多挑战,需要新的技术和不断的尝试。
2020年驱动视界白皮书中介绍了永磁同步电机PMSM和异步感应电机IM,这里就不做重复,这篇文章重点介绍电励磁同步电机及其欧美研究中的磁阻电机等内容。
表1:各种类型驱动电机性能对比
以上对比的假设前提条件是驱动电机功率和扭矩相同,也就是在电机电气性能一致的基础上对比各项指标差异,△数量多少代表优劣,由于磁阻电机还没有量产应用,数据只是单纯意义上对比和参照。
至于采用什么种类的电机,各个国家和各个公司都有自己的设计方案,没有绝对的好坏区别,更没有正确错误之分,需要综合考量以及SWOT分析结果,适合自己的才是最好的。
之所以不同国家和不同公司选取了不同类型的驱动电机,原因很多:
1) 国家资源分布的差异,如欧美国家稀土相对稀缺,而中国的储量相对多些,但是也需要珍惜有限的自然资源,需要提高稀土制造利用率,增加高附加值环节的控制。
2) 各个公司产品布局的差异和整体设计的需求,以及改型换代、迭代的差异。
3) 应用领域的需要,比如:异步感应电机IM与永磁同步电机PMSM构成双电机前后桥驱动系统,能很好的发挥组合优势在各种工况下的综合效率,提高能量利用效率。
二、驱动电机选择原则
1) 动力性能:扭矩指标、功率指标。
2) 动态性能:转矩波动小、反应速度快、瞬间加速度灵敏。
3) 高效性:效率高、损耗小、节能,在相同蓄电池kWh条件下,延长续航里程,90%面积效率大于90%。
4) 紧凑:体积小、空间利用率高。
5) 高功率密度: 功率体积比提高使得驱动电机体积更小,2021年新的标准重新定义了。
6) 高扭矩密度:扭矩体积比提高有利于驱动电机更紧凑。
7) 高连续功率比例:相同峰值功率条件下,目前一般水冷电机连续功率/峰值功率在40%-50%,如何通过优化冷却效果提高连续功率,这里仍然有足够空间来改进,逼迫我们有好的思维想法。比如:水冷+油冷策略,可以减小电机体积,提高连续功率/峰值功率达到70%。
8) 冷却性:提高此性能用以实现上述性能指标
9) 鲁棒性:可靠性、容错性、过载能力。
10) NVH指标,降噪降振、阶次分析、共振点分析、瀑布图解析
11) 耐久性:使用公里数、小时、或者免维护(异步电机)
12) 安全性:ISO26262中功能安全的要求、ASILD等实施,对于电机容错性、防错性、安全性要求进步提高。
13) 经济性:RMB/kW、RMB/kg,这是我们必须面对的挑战。
受疫情导致的产出及美国量化宽松货币政策的影响,2020年以来有色金属、黑色金属和塑料件价格大幅上涨30%以上,电机制造商成本压力空前;而销售端产品价格受压,出口汇率下降;压力都在电机制造者身上,如何提高电机制造者利润、如何生存下来,是摆在电机厂商面前的一道难题,只有坚持理念创新、设计创新、制造工艺创新,才有机会在竞争激烈的市场中存活下来。
三、电机基本原理
3.1电励磁同步电机
3.1.1 电机控制器简单示意图,控制电机定子三相绕组电流电压、相位角及其电流波形优化,谐波电流的控制,降低NVH指标。
3.1.2 反电动势的示意图,三相电流也是类似曲线在绕组中,需要考量IGBT最高允许工作电压,并且保留安全余量,特别是最高工作转速的时候,反电动势过高,弱磁控制时需要直轴电流越大,影响扩速范围。 通过FFT谐波分析来优化反电动势波形,优化NVH指标。
3.1.3 电机电磁仿真剖视图,48槽8极,每槽4导体;转子绕线单极集中绕线。工艺简单,容易实现自动化绕线。不必考虑稀土磁钢粘结强度,退磁等因素的失效。
3.1.4 电励磁同步电机:当定子三相绕组通入三相交流电流时,产生旋转的对应转子极数的磁场,此时,转子需要通入直流电流在励磁绕组中,也会产生相同极数的磁场,根据NS磁性原理,转子也会跟随定子旋转的磁场同步转动,实现电能到机械能的转化,此时是驱动电动机。反之,机械能也可以转化成电能,成为发电机,能耗制动等等。
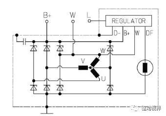
3.1.5 目前汽车交流发电机原理也是这样的电励磁同步发电机,如图:
▲发电机电气原理图
图中包括整流桥、调节器、定子总成、转子总成、集电环、电刷等等。
3.1.6 关于直流电流导入转子绕组,基本上有2种方式,其一,集电环结构,配合电刷在旋转的集电环上把电流输入到转子绕组(如图)
▲黄色:电刷;红色:集电环
其二,通过无线传输方式,通过磁场与磁场的相互感应作用,实现电能的传递,目前市场上很多类似设计,如:无线充电、无线测温等等,如下图,转子也可以据此实现电能转化。
转子无线励磁原理示意图:
3.1.7 电励磁同步电机的最大优势是磁场可控,通过控制转子绕组电流大小,从而控制转子磁场大小,实现主动控制磁场;特别是高速区域,达到提高效率、降低温升、增大输出功率轴向宽度的目的;而不是永磁同步电机的被动、不得不FOC增加直轴电流分量、达到增加直轴磁场的目的。从而降低高速区的相端电压。转子绕组电流可以通过PWM控制,调节不同占空比,调节平均励磁电流大小,从而控制励磁磁场。
3.1.8 从扭矩-转速特性案例可以看出,在高速区域,输出功率并没有下降太多,基本保持水平,这个原因就是因为电励磁绕组的磁场可以主动控制,根据需要控制励磁电流大小;而永磁同步电机需要FOC弱磁被动控制直轴磁场,产生多余的电能损耗,高速区和输出功率下降幅度较大。
3.2 磁阻同步电机
3.2.1 “控制器示意图,三相电流示意图”见“3.1 电励磁同步电机”。
3.2.2 电励磁同步电机与同步磁阻电机区别:
1) 转子结构不同,电励磁是绕组线圈产生磁场;而磁阻同步电机的转子没有任何稀土和绕组,只有硅钢片铁芯。
2) 原理上类似,只是磁阻同步电机完全依靠磁阻转矩产生扭转的驱动力矩,能量来源于定子绕组产生的旋转磁场,根据磁场能力(磁力线)总是尽力流过磁阻小的转子磁路路径,对应的在转子中产生了同等极数的旋转磁场,伴着定子旋转磁场同步转动,实现电能到机械能的转化。
3.2.3 电机剖视图、磁化曲线磁路图。
3.2.4 磁阻同步电机有其先天的劣势:转矩脉动大、影响NVH效果。如下图是转矩脉动示意图。径向磁拉力波动较大;这些需要通过几何形状优化,控制器控制策略优化,更好地降低转矩脉动。
四、电机结构介绍
4.1电励磁同步电机: ZOE
1) 壳体:外铝壳、内水道铝壳
2) 主要零部件:定子、转子、轴承、旋变器、温度传感器
3) 其他:漆包线、轴 、转子铁芯总成、集电环、电刷等等
4.2 电励磁同步电机: BMW IX3
1) 壳体:外铝壳、内水道铝壳
2) 主要部件:定子、转子、轴承、旋变器、温度传感器
3) 其他:漆包线、轴、转子铁芯总成、集电环、电刷等等
400Nm、 210kW、5075rpm,综合效率大约 93%, 功率密度提高30%多。
BMW IX3 绕线转子, 6极、单齿集中绕组绕线,槽口很宽是为了绕线针进入槽中,上下来回绕线。槽满率不高,可以通过改进铁芯的结构设计改变绕线方式提高转子槽满率,提高电机整体的功率密度。
转轴液态氮冷却,压装进入铁芯总成:
扁线定子总成,线型自动成型,自动插线、扭头、激光焊接:
五、电机开发关键技术
5.1电机设计方面
1) 高功率体积比、高功率质量比,追求小体积大输出、小质量大功率。
2) 高扭矩体积比,特别是峰值扭矩体积比的提高。
3) 高效率,90%面积大于效率90%,并且高效区要与工况配合,真正把高效率使用在长期运行的车速范围。
4) 高可靠性、轴承寿命、高温退磁等等因素考量。
5) 少稀土化的降成本措施。
6) 低NVH,优化高次气隙磁场谐波的影响,降低低阶次径向力波幅值,降低振动。
7) 额定持续功率的宽范围,高速区功率下降幅度的减少措施。
8) 热温度场分析,冷却能力提高的相关设计。提高持续功率/峰值功率的比值、降低损耗。
5.2 工艺制造技术
1) 扁线生产设备开发能力、批量生产的质量保证能力。
2) TIG、激光焊接设备、质量监控。
3) 定子浸漆量、饱满度、均匀度控制。
4) 转子注塑过程质量控制、温度监控。
5) 轴液态氮冷却技术应用。
6) 整机气密测试、铝壳气密测试(特别是在热套后)。
7) 综合检测EOL试验、设备能力监控、控制参数的确定。
8) 动态NVH测试、变负载变转速下频谱分析、阶次分析。
9) 二维码追踪、MES系统与客户联机、时时在线交换信息。
六、客户关切
客户关注的主要是:成本、性能、安全、NVH、体积五个方面。
分别从性能、安全、NVH、体积、成本五个方面阐述客户关切的重点,下面表格列举了这些内容,供参考,不是具体某一款电机参数。
表格中,数字只是参考说明使用,不代表具体电机参数。
典型应用:电励磁同步电机 BMW IX3
怎样获取本报告的PDF版本资料?
请百度“无锡胜鼎”,进入官网-技术文档,注册后即可免费下载。
(上传有时会有几天延迟,请耐心等待)
工程师必备
- 项目客服
- 培训客服
- 平台客服
TOP




















