机械零件图纸,你都看的懂吗?

机械零件图纸,你都看的懂吗?的图1
▌ 正投影法
投影时投影线都相互平行,投影线与投影面相垂直的平行投影法。
机械零件图纸,你都看的懂吗?的图2
1. 基本视图
机械零件图纸,你都看的懂吗?的图3
机械零件图纸,你都看的懂吗?的图4
2. 向视图
机械零件图纸,你都看的懂吗?的图5
3. 局部视图 
机械零件图纸,你都看的懂吗?的图6
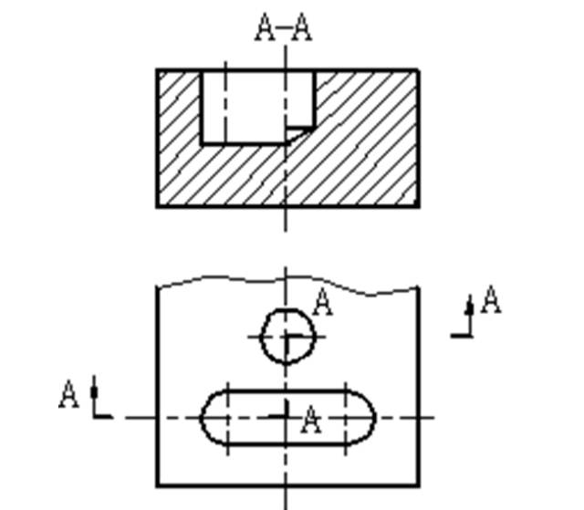
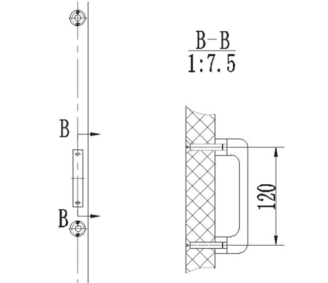
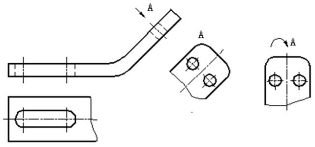
4. 斜视图
机械零件图纸,你都看的懂吗?的图7
5. 剖视图
机械零件图纸,你都看的懂吗?的图8
1)全剖视图 
机械零件图纸,你都看的懂吗?的图9
2)半剖视图
机械零件图纸,你都看的懂吗?的图10
3)局部剖视图 
机械零件图纸,你都看的懂吗?的图11
4)阶梯剖 
机械零件图纸,你都看的懂吗?的图12
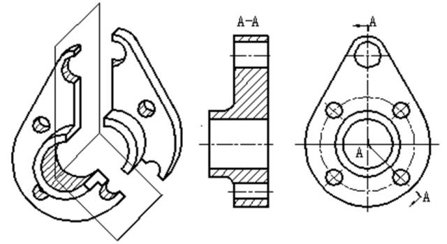
5)旋转剖 
机械零件图纸,你都看的懂吗?的图13
6. 断面图 
假想用剖切平面将机件在某处切断,只画出切断面形状的投影并画上规定的剖面符号的图形,称为断面图,简称为断面。
机械零件图纸,你都看的懂吗?的图14
▌识读零件图的一般方法和步骤  
1)首先看标题栏,概括了解零件
看标题栏,了解零件名称、材料和比例等内容,从而大体了解零件的功用,从名称判断该零件属于哪一类零件。从材料判断该零件大致的加工方法。从比例判断该零件的实际大小,从而对零件有初步的了解。
2)分析研究视图,想象结构形状
看视图,分析零件各视图的配置及视图之间的关系,采用的表达方法和表达的内容。
运用组合体的读图方法,形体分析法和线面分析法来读懂零件各部分的结构,想象出零件各部分的形状、相对位置及其作用。
3)分析所有尺寸,弄清尺寸要求
综合分析视图和形体,分析零件的长、宽、高三个方向的尺寸基准,然后从基准出发,以结构形状分析为线索,再了解各形体的定形和定位尺寸,弄清各个尺寸的作用,图形和尺寸表达的是零件的形状和大小,读图时应把视图、尺寸和形状结构三者结合起来分析。
4)分析技术要求,综合看懂全图
读图时应弄清表面粗糙度、尺寸公差、形位公差等技术要求。了解其代号含义。必要时还要联系与该零件有关的零件一起分析。
声明:本文所用视频、图片、文字如涉及作品版权问题,请第一时间告知,我们将根据您提供的证明材料确认版权并按国家标准支付稿酬或立即删除内容!
登录后免费查看全文
立即登录
App下载
技术邻APP
工程师必备
  • 项目客服
  • 培训客服
  • 平台客服

TOP

5
1
1