尺寸链计算中组合位置度如何处理?
2022年8月12日 18:04在尺寸链计算过程中,我们会遇到一些孔组的位置度公差是由多行的位置度来标注的,每一行的位置度公差数值也不同,这时很多工程师不清楚该选取哪一行的公差数值进行计算。
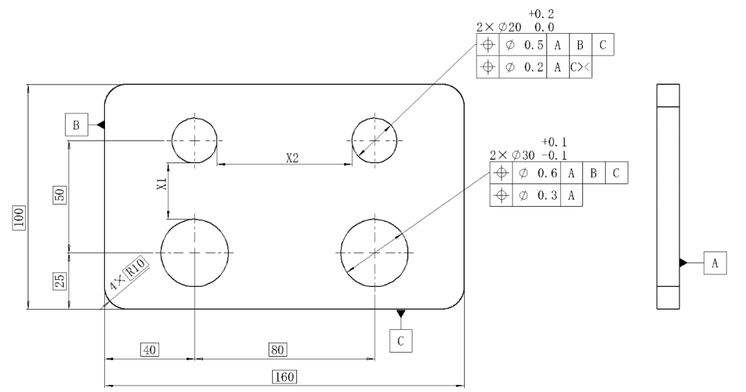
下面我们通过一个简单的案例介绍一下尺寸链计算中组合位置度公差该如何处理。产品结构如下图1所示,需要计算小孔与大孔之间的壁厚X1,以及两个小孔之间的壁厚X2。
图1
小孔有两行位置度公差标注,公差带形状如图2所示:
第一行带ABC基准的Ф0.5位置度(蓝色圆)限定了小孔的公差带圆心相对于A、B、C基准的位置,中心线只能在Ф0.5的范围内变化,公差带圆心在ABC基准体系中的位置是固定的;
第二行带AC基准的Ф0.2位置度(黄色圆)限定了两个小孔中心线的公差带圆心之间的距离为理论正确尺寸,两孔中心线分别能在Ф0.2的范围内变化;因为C基准带有 “><”符号,C基准只约束方向自由度不约束位置自由度,所以两黄色圆的圆心的连线必须与C基准保持平行,两黄色圆可以圆心保持理论正确尺寸作为一个整体在蓝色圆范围内平移但不能旋转,公差带相对于ABC基准的位置是浮动的。
图2 小孔公差带示意图
两个大孔也有两行位置度公差标注,公差带如图3所示:
第一行标注解读与小孔是相同的,不再赘述。
第二行带基准A的Ф0.3位置度(黄色圆),它限定限定了两个大孔中心线的公差带圆心之间的距离为理论正确尺寸,两孔中心线分别能在Ф0.3的范围内变化;基准A限制了3个自由度,两黄色圆可以圆心保持理论正确尺寸作为一个整体在蓝色圆范围内平移、旋转,公差带相对于ABC基准的位置是浮动的。
图3 大孔公差带示意图
理解了组合公差标注的含义,尺寸链的计算是相对比较简单的,下面我们用重庆诚智鹏的DCC尺寸链计算及公差分析软件来计算X1和X2的范围。
X1计算大孔与小孔之间的壁厚,需要计算的是两组组合公差之间的位置关系,他们的位置关系是通过A、B、C三个基准联系起来的,所以应分别选取两组组合公差的第一行来进行计算,极值法计算结果如图4。
图4
X2计算两个小孔之间的壁厚,需要计算的是同一组组合公差内部的位置度,他们的位置度关系是组合公差第二行确定的,所以应同时选取组合公差的第二行来进行计算,极值法计算结果如图5。
图5
往期推荐
公差匹配系统解决方案提供商
专注公差匹配仿真(CAT)20年
诚丨智丨鹏
www.chengzhipeng.com.cn
工程师必备
- 项目客服
- 培训客服
- 平台客服
TOP




















