风机喘振,看一下!
2022年9月26日 15:10前段时间在贴吧上看到一个新手哭诉工厂的风机发生喘振,结果因为自己还不了解喘振是什么,错过了最佳的维修时间,导致了设备和轴承损坏,造成了事故,直接影响到了设备得安全运行。
老板一气之下,扣了他的奖金。虽然小伙子心里气不过,但是错误确实是由于他的疏忽引起的,也只能认了。
看来行业里还是有很多新人不懂得自行诊断设备病症,设备出了问题也不懂得怎么处理,结果导致了一连续的问题,从而酿成大祸。那么今天就给大家科普一下风机喘振的相关问题,可以先收藏起来,留着有空的时候看。或者你有什么好的处理方式和判断方法,可以告诉我们!
引起风机喘振这些原因还不够你重视吗?
1、叶片上积灰或者是叶片局部出现剥落层引起的转动不平衡导致的振动值增大;
2、叶轮磨损引起的不平衡;
3、轴承游隙太大或者是轴承磨损及失效而造成的振动;
4、联轴器左右张口、上下张口超过允许偏差值;
5、风机基础地脚松动或者是地基下沉造成水平度超过允许值;
6、风机转动机械部分产生摩擦(动静部分)引起的振动;
7、风机内部支撑部件出现断裂或者是连接部件松动造成刚性不足引起振动。
8、动叶片开关不同步引起的振动。
9、运行中引风机入口前设备严重堵塞或者是并列风机调整偏差大也将引起风机喘振。
说明:叶片开度倾角误差大而引起振动,在风机运行过程中部分滑块会发生摩擦逐渐磨损,滑块在调节盘内有较大的活动空间;调节装置部分曲柄弯曲:叶柄轴承发生锈蚀,使得叶片调节困难,部分叶片因卡滞出现角度不一致;叶片受到外力撞击而使叶片变形,使得部分叶片在运行过程中角度不协调。在其它条件相同的情况下,每个叶片倾角每增加1°,风机振幅增加近1丝。
1、轴流风机的失速与喘振现象
轴流式风机当调节叶片(动叶调节风机为动叶片,静叶调节风机为入口调节叶片)角度固定在某一位置时,在正常工作区域内,风机的压力随风机流量的减小而增加,当流量减小到某一值时压力达到最大、当流量进一步减小时,风机压力和运行电流突然降低,振动和噪音增大这一现象被称为风机失速。
风机失速后有两种不同表现,一是风机仍能稳定运行,即压力、风量、电流保持相对稳定,但噪音增加;风机及其进、出口气流压力承周期性脉动;风机振动常常比正常运行高。这种现象称之为旋转失速。另一是风机即压力、风量、电流大幅度波动,噪音异常之大,风机不能稳定运行,风机可能很快遭受灭性损坏,这种现象称之为喘振。
2、失速喘振机理
轴流风机是据机翼理论进行气动设计的,叶型上的压升取决于翼型的升力,而翼型的升力除与翼型的形状有关外,主要取决于冲角α,当叶型确定后,翼型的升力随着冲角的增加开始成正比的增长,直到临界冲角值αk时压力达到最大值。若冲角继续增大,升力会突然下降。这是由于气流气流突然脱离叶型的凸面(吸力面),产生很大旋涡所致。
3、轴流风机压力特性曲线的由来
轴流风机压力特性为马鞍形状。这是因为轴流风机的压力遵循机翼升力理论的缘故。如下图所示。轴流式风机动叶片的冲角随流量的减小而增大。
4、轴流风机的旋转失速
由于轴流风机叶栅中各叶片的形线总是有些差异,安装角度也不可能完全一致。因此,一般不是所有叶片都同时失速,而是一个或多个叶片组成的一个或多个失速区先失速。且失速区不是静止不动的,而是沿着叶片移动。
如上图所示,若叶片2、3或4失速,则在这些叶片间的空气流动减少或完全停止。随之造成在这些区域里沒有压升,这会造成向风机叶轮进口测的逆向流。从而在这些叶片的周围形成一个气流变化很大的区域。这个区域就是图上的阴影区。叶片5在进入这区域后冲角α将增加,随之叶片失速。相反叶片2的α角将减少,这样会造成这个叶片脱离失速。这种现象称之为旋转失速。由于失速区在叶轮内环绕移动的速度总是小于叶片的移动速度,因而相对于定子来说,失速区的移动方向与风机的旋转方向相同。
由于失速区的不稳定,风机的运行点也不稳定,可能在图1中的c和c,间移动。如果流量继续减小,则失速区将增加,直到所有叶片顶部都失速,风机运行在图1中的D点。
如果流量再继续减少,那么失速区的径向范围将增加(即失速区从叶片顶部向根部发展),直到全部叶片都失速时,风机运行在0流量的E点。
5、失速的危害
1)失速可导至风机损坏 由上可知轴流风机失速后,通常表现为旋转失速。由于旋转失速使风机各叶片受到周期性力的作用,若风机在失速区内运行相当长的时间(或失速频率与叶片自振频率相当时的短时间内),会造成叶片断裂,叶轮的其元机械会损害。
2)失速可能导至喘振 若管道系统的容积与阻力适当,在风机发生失速压力降低时,出口管道内的压力会高于风机产生的压力而使气流发生倒流,同时管道内压力迅速降低,风机又向管道输送气体,但因流量小风机又失速,气流又倒流。这种现象循环发生,称为喘振。伴随喘振的发生,风机电流也大幅度波动,噪声惊人。风机发生喘振的破坏性很大,可在很短时间内损坏风机,必须立即停止风机运行。
可见,失速与喘振是两个不同概念。失速是喘振的必要条件,但不是充分条件。
3) 失速可能造成并列运行风机间相互“抢风”,给发电机组安全运行带来威胁。两台并列运行的风机中的一台发生失速后,两台风机间可能出现相互“抢风”现象而无法并列运行;或虽两台风机能并列运行,但两台风机的总出力可能达不到需要值而影响其带负荷能力。
6、轴流风机的失速报警装置
由于轴流风机的失速区域大,当风机选型不当,或所在风(烟)系统阻力增加较多和漏风变化较大时,很可能落入风机失速区运行。为保护风机自身安全,目前电站轴流式风机的制造厂都配有失速报警保护装置。当风机发生失速时,让远行人员及时知晓,并立即进行调整,避免长期在失速状态下运行。
7、运行中如何判断风机失速
1)安装有失速报警保护装置的风机,应保持其管路畅通,装置动作准确。
2) 在运行调整过程中,若发现一台风机的电流、压力有突然大辐度的变化,则该风机失速。
3) 两台风机并列运行时,并未进行调节而一台风机的电流等参数突然大幅度降低,则该风机失速。
4) 两台风机并联运行时,两台风机的开度和电流应基本相同,若未进行调整操作,而两台风机的电流却相差较大,且调整电流小的风机出力不起作用,则该风机失速。
8、如何防止轴流风机的失速
1)风机选型设计时留足失速裕量。
2)在轴流风机的进出口之间加旁路再循环风(烟)道;当风机失速时,打开旁路风道门,使一部分风(烟)量从风机出口流向风机入口,即使一部分风(烟)量在风机内循环,以增加风机的风(烟)量,使风机脱离失速区运行。但这增加了风机的耗功,是很不经济的。
3)加装防失速装置。
有无防失速装置性能曲线比较
9、防止运行中轴流风机失速措施
1)运行人员应了解风机所在系统的阻力构成,特别是那些阻力较大又易于堵塞的设备(如预热器、暖风器、消声器等)的正常阻力范围。
2)在实际运行中若这些设备阻力超出了范围可能导致风机失速时,应控制该风机的出力,并及时采取措施消除堵塞。
3)运行人员应了觧当风机调节装置固定在某一位置时,风机流量的变化范围,即从正常运行流量到该角度(动叶角度或调节静叶的角度)下的失速流量之间允许的流量变化。在操作风机所在系统的其它设备时(如一次风机所在系统的磨煤机时),避免瞬时流量减小过大,引起风机失速。
4)加装风机运行点监视装置,使运行人员能看见风机运行在性能曲线上的位置。
锅炉圈的朋友们这是我的一点建议和对振动的初步认识,给以下分析和判断!有不足之处,请告诉小编微信(lbh890510)
下面我再具体看一下:
1、叶片上积灰或者是叶片局部出现剥落层引起的转动不平衡导致的振动值增大;
2、叶轮磨损引起的不平衡;
3、轴承游隙太大或者是轴承磨损及失效而造成的振动;
4、联轴器左右张口、上下张口超过允许偏差值;
5、风机基础地脚松动或者是地基下沉造成水平度超过允许值;
6、风机转动机械部分产生摩擦(动静部分)引起的振动;
7、风机内部支撑部件出现断裂或者是连接部件松动造成刚性不足引起振动。
8、动叶片开关不同步引起的振动。
9、运行中引风机入口前设备严重堵塞或者是并列风机调整偏差大也将引起风机喘振。
说明:叶片开度倾角误差大而引起振动,在风机运行过程中部分滑块会发生摩擦逐渐磨损,滑块在调节盘内有较大的活动空间;调节装置部分曲柄弯曲:叶柄轴承发生锈蚀,使得叶片调节困难,部分叶片因卡滞出现角度不一致;叶片受到外力撞击而使叶片变形,使得部分叶片在运行过程中角度不协调。在其它条件相同的情况下,每个叶片倾角每增加1°,风机振幅增加近1丝。
附录:
一
喘振定义
喘振,顾名思义就象人哮喘一样,风机出现周期性的出风与倒流,相对来讲轴流式风机更容易发生喘振,严重的喘振会导致风机叶片疲劳损坏。
流体机械及其管道中介质的周期性振荡,是介质受到周期性吸入和排出的激励作用而发生的机械振动。例如,泵或压缩机运转中可能出现的喘振过程是:流量减小到最小值时出口压力会突然下降,管道内压力反而高于出口压力,于是被输送介质倒流回机内,直到出口压力升高重新向管道输送介质为止;当管道中的压力恢复到原来的压力时,流量再次减少,管道中介质又产生倒流,如此周而复始。喘振的产生与流体机械和管道的特性有关,管道系统的容量越大,则喘振越强,频率越低。一旦喘振引起管道、机器及其基础共振时,还会造成严重后果。为防止喘振,必须使流体机械在喘振区之外运转。在压缩机中,通常采用最小流量式、流量-转速控制式或流量-压力差控制式防喘振调节系统。当多台机器串联或并联工作时,应有各自的防喘振调节装置。
二
风机喘振的现象
风机抽出的风量时大时小,产生的风压时高时低,系统内气体的压力和流量也发生很大的波动。
风机的电动机电流波动很大,最大波动值有50A左右。
风机机体产生强烈的振动,风机房地面、墙壁以及房内空气都有明显的抖动。
风机发出“呼噜、呼噜”的声音,使噪声剧增。
风量、风压、电流、振动、噪声均发生周期性的明显变化,持续一个周期时间在8s左右。
三
喘振原因
根据对轴流式通风机做的大量性能试验来看,轴流式通风机的p-Q性能曲线是一组带有驼峰形状的曲线(这是风机的固有特性,只是轴流式通风机相对比较敏感),如左图所示。当工况点处于B点(临界点) 左侧B、C之间工作时,将会发生喘振,将这个区域划为非稳定区域。发生喘振,说明其工况已落到B、C之间。
离心压缩机发生喘振,根本原因就是进气量减少并达到压缩机允许的最小值。理论和实践证明:能够使离心压缩机工况点落入喘振区的各种因素,都是发生喘振的原因。
进气温度升高,空气密度减少,夏季比冬季易发生喘振。
进气压力下降,如入口过滤器堵塞或吸气负压值高。
出口系统管网压力提高,即排气不畅造成出口堵塞喘振。
离心压缩机出口工作压力值设定在喘振区边缘。
离心机转速降低时易发生喘振。
四
喘振的危害
1. 喘振现象对压缩机的危害
喘振现象对压缩机十分有害,主要表现在以下几个方面:
喘振时由于气流强烈的脉动和周期性震荡,会使供气参数(压力、流量等)大幅度地波动,破坏了工艺系统的稳定性。
会使叶片强烈振动,叶轮应力大大增加,噪音加剧。
引起动静部件的摩擦与碰撞,使压缩机的轴产生弯曲变形,严重时产生轴向窜动,碰坏叶轮。
加剧轴承、轴颈的磨损,破坏润滑油膜的稳定性,使轴承合金产生疲劳裂纹,甚至烧毁。
损坏压缩机的级间密封及轴封,使压缩机效率降低,甚至造成爆炸、火灾等事故。
影响与压缩机相连的其他设备的正常运转,干扰操作人员的正常工作,使一些测量仪表仪器准确性降低,甚至失灵。
一般机组的排气量、压力比、排气压力和气体的密度越大,发生的喘振越严重,危害越大。
2. 轴流风机发生喘振时的危害
当风机发生喘振时,风机的流量周期性地变化,变化幅度比较大,可能出现零甚至负值。风机流量的这种剧烈的正负波动,会发生气流的猛烈撞击,使风机本身产生剧烈振动,同时风机工作的噪声加剧。大容量、高压头风机发生喘振的危害很大,可能导致轴承和设备的损坏。
五
影响压缩机喘振的因素
1. 压缩机转速
当离心压缩机转速变化时,其性能曲线也将随之改变,当转速提高时,压缩机叶轮对气体所做的功将增大,在相同的容积流量下,气体的压力也增大,性能曲线上移。反之,转速降低则性能曲线下移。
2. 管道特性对喘振的影响
离心压缩机的工作点是压缩机性能曲线与管网特性曲线的交点,只要其中一条曲线发生变化,则工作点就会改变。管网阻力增大(如压缩机出口阀关小), 其特性曲线将变陡,致使工作点向小流量方向移动,如图所示:当工作点由A移至A时便进人了喘振工况区。管网容量越大,喘振的振幅越高,频率越低,喘振越严重,破坏性越强。喘振的频率大致与管网容量的平方根或容量的0.56次方成反比。另外,管网的容量对压缩机的喘振流量也有影响,戴冀等对一小型低压离心压缩机的喘振试验表明:管网的容量对喘振点的影响很大, 容量大时喘振点流量也增大,压缩系统稳定性变差。
3. 影响喘振的其他因素
压缩机的参数结构:入口导叶开度、叶轮结构、扩压机的结构
压缩机的进气状态:进气温度、压力、气体组成。
六
防止喘振的具体措施
1. 针对轴流式风机喘振采取的措施
使泵或风机的流量恒大于QK。如果系统中所需要的流量小于QK时,可装设再循环管或自动排出阀门,使风机的排出流量恒大于QK 。
如果管路性能曲线不经过坐标原点时,改变风机的转速,也可能得到稳定的运行工况。通过风机各种转速下性能曲线中最高压力点的抛物线,将风机的性能曲线分割为两部分,右边为稳定工作区,左边为不稳定工作区,当管路性能曲线经过坐标原点时,改变转速并无效果,因此时各转速下的工作点均是相似工况点。
对轴流式风机采用可调叶片调节。当系统需要的流量减小时,则减小其安装角,性能曲线下移,临界点向左下方移动,输出流量也相应减小。
最根本的措施是尽量避免采用具有驼峰形性能曲线的风机,而采用性能曲线平直向下倾斜的风机。
2. 防止离心式压缩机喘振的条件
防止进气压力过低、进气温度高和气体分子量减少等
防止管网堵塞使管网特性改变。
要坚持在开、停车过程中,升降速度不可太快,并且先升速后升压和先降压后降速。
开、关防喘振阀时要平稳缓慢。
知道这些,轴流风机运行多个心眼:
1、轴流风机一般情况下建议前导叶开度在20%以上运行。在小开度运行时,应注意监视风机振动速度(或振幅)的变化情况,若振动异常(超过报警值),则应调节前导叶,直至振动正常为止。
2、绝对不允许在前隔绝门或后隔绝门关闭状况下运行(会造成风机喘振),在隔绝门关闭状况下启动风机是可以的,但是,起动完成后应迅速打开隔绝门。
3、停机时,不允许在关断主电机后马上关闭前后隔绝门,应等到风机停止运行后(或主电机断电5-10分钟后)才关闭前后隔绝门。
4、轴流风机在用作脱硫增压风机时,若要单独调试脱硫系统,则应关闭增压风机进口烟道隔绝门,并在增压风机进口与进口烟道隔绝门之间取掉一段管道,其环形通流面积不得小于管道的正常通流面积。
5、增压风机进、出口管道上需设置前后隔绝门,如未设置后隔绝门,一旦脱硫岛停运,脱硫系统的冷凝汽倒灌入增压风机内,形成腐蚀酸液,导致增压风机的重要零部件(如前导叶、叶轮等)被腐蚀,将造成严重后果。
6、增压风机每次停运后再启动前,一定要对风机可调前导叶进行清理(清淤),并检查其磨损和腐蚀情况。
7、轴流风机一般情况下建议前导叶开度在20%以上运行。
8、绝对不允许在前隔绝门或后隔绝门关闭状况下运行(造成风机“喘振”)。
9、停机时不允许在关断主电机后马上关闭前后隔绝门,要等风机停止运行后才关闭前后隔绝门。
案例分析风机喘振事故处理过程和分析:
案例一:
运行工况:负荷585MW,AGC投自动,22磨煤机列备用,21.23.24.25.26磨运行,21.21汽泵运行,电泵列备用
1、事故经过:
9:20 AGC指令由520MW涨至585MW,画面上两引风机开度均至85%,且22引风机电流比21引风机电流大30A,正准备解手动调节之际,画面上22引风机电流由319A涨至452A,21引风机电流由329A降至239A,大屏发炉膛负压高报警,DCS上显示负压突升至908PA,炉膛火焰摆动剧烈,21引风机开度89%,22引风机开度88%,21引风机入口压力显示由-4.2KP升至-2.4KP,22引风机入口压力显示由-4.2KP升至-2.9KP,21送风机动叶由57%降至42%,22送风机动叶由60%降至49%,总风量由2006T/H突降至1773T/H。
发现两引风机电流偏差大,负压发高报警,立即解除两引风机静叶至手动调整并令停止锅炉吹灰,同时关小两引风机静叶,待两引风机出力平衡,炉膛负压稳定后派巡检至就地检查炉膛四周,就地发现在炉左和炉前共发现有三处漏孔,汇报值长,通知发电部领导。联系检修处理。
2、事故原因:
由于空预器长期堵灰至使引风机电流和开度比对应负荷下应该的开度大,加上当天煤质不好(600MW对应307T/H),送风量偏大,加上当时锅炉正在吹灰,负荷至585MW,两台引风机开度均已经开至85%,达到了引风机调节出力的最大值,当时的开度对应的引风机运行驼峰曲线已经到了准平衡点,加上两台引风机的正常调节偏差,稍有大的扰动就会使风机进入不稳定工况区域,使风机出现抢风现象,所以才有出现上述的21引风机没有出力,由于炉膛负压偏高,使送风机出力降低,总风量迅速减少,空预出口二次风压力显示偏高,使得指令减小送风机动叶开度,引风机入口压力也由于炉膛负压原因由-4.2KP升至-2.9KP。
3.防范措施:
(1)在正常运行中要严密监视两引风机电流显示偏差,大于20A以上应该解静叶自动调整至电流平衡,同时要注意两空预器烟气侧差压变化情况。
(2)在高负荷(550MW以上)时,特别是煤质不好的情况下,注意两引风机的开度,可以在保证燃烧的前提下,适当的降低送风量,控制引风机开度600MW对应82%,二次风量1600T/H以下。
(3)在高负荷(550MW以上)时,如果两引风机投自动调节不好,可以解出两引风机静叶自动,手动调节,负荷降至(550MW)以下后,引风机开度75%左右投入自动。
(4)当发生上述事故情况下,应该立即解除两引风机静叶自动,手动适当回关不出力风机静叶开度,之后大关出力风机静叶开度,注意两风机电流显示,待不出力风机电流增大开始出力后再开大出力风机静叶开度至两风机电流调平,同时要注意两台送风机的跟踪调节情况。
案例二:
一、事件经过:
2018年8月15日白班,#6增压风机突发失速,电流下降,增压风机入口压力上升。当时机组正在降负荷,汇报值长、专工。在专业指导下,经机组人员精心操作,最终,#6增压风机脱离失速区,进入安全运行状态。
事发前机组处于协调降负荷:10:45开始降负荷,速率2.2MW/min,目标负荷为245MW。经9分钟后,增压风机电流由318A突降至295A,结合增压风机静叶在9分钟内没有调整,而且增压风机的振动明显增大,由2.4mm/s突升至4.0mm/s;增压风机入口压力由-13Pa突升至536Pa。种种异常,引起运行人员注意。风机应该是工作在不正常状态,巡检汇报就地有异音,所以判断风机失速。为了脱离失速区,立即手动点关风机静叶,在8分钟内由63%点关至48%。风机电流由280A下降至278A,几乎没有变化。增压风机入口压力在460Pa左右也没有什么明显变化。所以又开大增压风机静叶至56%,增压风机入口压力下降至344Pa,此过程中风机电流没有变化。11:10负荷降至245MW。由于引风机此时差压变小,并且增压风机工作状态还不正常,所以手动关小静叶,关的过程中,风机电流在缓慢变小,入口压力在缓慢变大,当静叶关至40%时,发生电流由260A突升至281A,风机入口压力由585Pa突降至186Pa。可以认为此时风机进入稳定工作区。至12:45升负荷时,按制订的计划,速率为0.5MW/min,10MW为一个阶段,稳定后再继续,先控制二次风不要增长,观察正常后再加二次风。在此操作措施下,最终机组负荷稳定在275MW,增压风机工作正常。
二、原因分析:
1.降负荷时出现的失速是因为风机的压升不变的情况下,风机通过的烟气流量减少,这样风机的工作点就会向左偏移,不断的靠近理论失速线,所以9分钟后风机的工作点进入了失速区。
2.风机静叶没有调整的原因。当时静叶未调整的原因是6B引风机在降负荷前的差压为3.5kPa,所以在降负荷时,考虑先保持增压风机静叶不动,优先减少引风机出力,以避免引风机失速。
3.当时引风机、增压风机的出力均接近最大值,主要原因为当天脱硫除雾器的差压由平时的1200Pa突然涨至1500Pa。
4.发生失速处理过程中当关小静叶出现电流增大,可认为是增压风机脱离失速区。而入口压力高达700Pa,是因为静叶关的小,增压风机的出力太小。
5.考虑烟道阻力系数特别大,在增加烟气流量时,风机压升增加幅度会远大于烟气流量增大幅度,工作点会接近于垂直方向向上移动,所以升负荷时控制二次风先不加,使烟气阻力不至于增加太快,减小风机压升,升负荷率低也是同样的原因。
三、防范措施:
1.当烟道阻力远大于设计值时,负荷变化应保持增压风机静叶和负荷同步变化。负荷率大,相应的静叶变化的也要求快,反之亦然,否侧可能会就会失速。
2.增压风机发生失速的过程相比引风机来还是比较缓和,并且危害也没有引风机大,引风机失速将会影响另一台引风机工作,且直接影响炉膛负压,所以在处理和做事故预想时,要以引风机为主,处处以保引风机正常为先。
3.增压风机失速是因为风机出口管路阻力大,如果环保排放允许,可以考虑停运一台浆液循环泵,这会取得立竿见影的效果。
四、经验总结:
1.现阶段由于空预堵的厉害,为了满足引风机差压在规定范围内,增压风机静叶开度都比较大,风机入口压力较低。高负荷时,增压风机差压只要在规定范围内,各参数正常,静叶开的大点风机入口压力低点没有关系,发生失速的几率很小;低负荷时,就要注意风机入口压力不能太低,以防二次风量减小,致使总烟气量减少,风机叶片进入失速区,发生喘振。
2.日常运行中,使增压风机运行在最佳工作点。最佳工作点因负荷高低、烟气量的变化而时刻变化,这需要运行人员长期摸索,用心去找。
3.此次增压风机喘振,炉膛负压变化并不明显,负压只是稍微升高,这是因为风机叶片部分进入失速区。
4.高、低负荷,增压风机都要加强监视。增压风机现在基本上都在手动方式,这就容易使人麻痹,误认为其不动、不调节,是安全的,但由于外界阻力突然变化、烟气流量变化都会使工作点发生变化。
案例三:
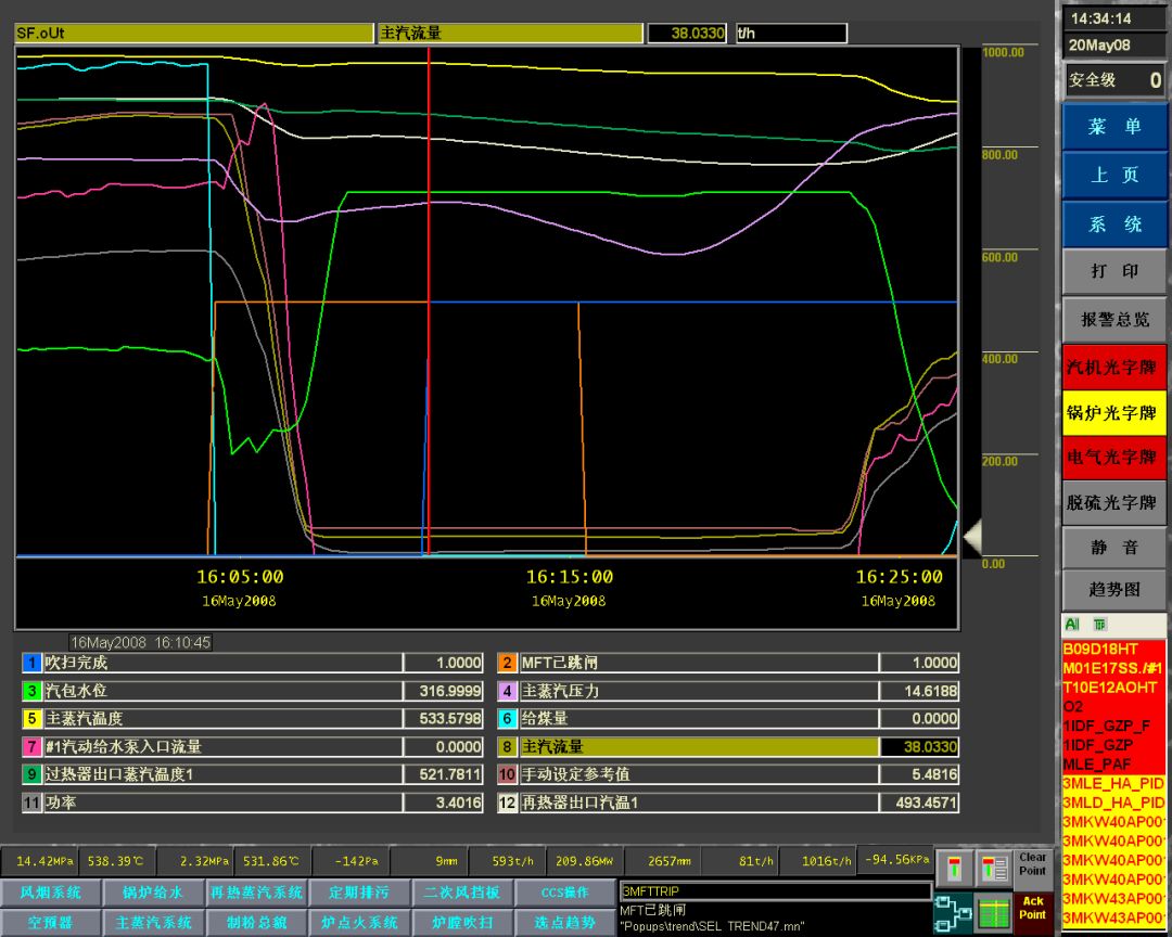
送风机喘振导致锅炉MFT,了解一下!
第一部分:事故前工况
文章来源:锅炉圈
工程师必备
- 项目客服
- 培训客服
- 平台客服
TOP




















