列车运行图最新理念与调图为什么频繁
2022年11月28日 15:04铁路列车运行图(以下简称列车运行图)是用以表示列车在铁路区间运行及在车站到发或通过时刻的技术文件,是全路组织列车运行的基础。
列车运行图是根据国民经济发展的需要和铁路运输能力的情况而编制的。它体现着铁路工作的各种质量指标和数量指标。在编制运行图时充分考虑人民铁路为人民服务的方针,如安排列车运行线时,首先考虑旅客列车,并尽量安排开往大城市的客车在白天到达,在下午或夜间发车。与此同时,安排好货物列车的运行线。列车运行图规定了列车占用区间的次序,列车在每一个车站出发、到达或通过的时间,在区间的运行时分,在车站的停车时分以及列车的重量和长度等。这样一来,列车运行图也就规定了铁路线路、站场、机车、车辆和通信信号等设备的运用和与行车有关各部门的工作。因此,列车运行图是铁路运输工作的综合计划、铁路行车组织的基础,是协调铁路各部门、单位按一定程序进行生产活动的工具。
一、概念
它规定各车次列车占用区间的程序,列车在每个车站的到达和出发(或通过)时刻,列车在区间的运行时间,列车在车站的停站时间以及机车交路、列车重量和长度等。是列车运行时刻表的图解,规定各次列车按一定的时刻在区间内运行及在车站到、发和通过。列车运行图是列车运行的时间与空间关系的图解,它表示列车在各区间运行及在各车站停车或通过状态的二维线条图。
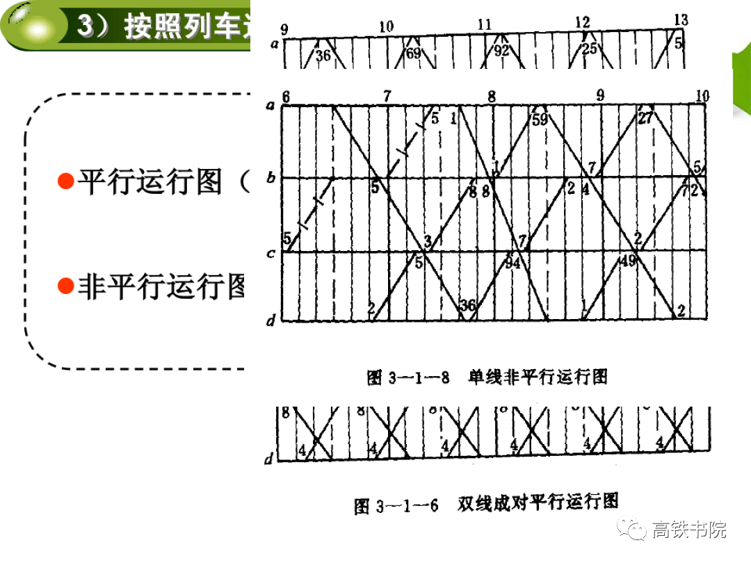
列车运行图是运用坐标原理描述列车运行时间、空间关系,表示列车在铁路各区间运行时间及在各车站停车和通过时间的线条图。横坐标表示时间,纵坐标表示各分界点(车站),如甲、乙、丙、丁。斜线表示列车,斜线上的数字表示车次。列车运行图按时间坐标,根据不同用途,可分为2分格运行图(即垂直线每格表示2分钟)、10分格运行图、小时格运行图。按列车运行图的特点可分为平行运行图和非平行运行图,以及单线运行图、双线运行图、单双线运行图,成对运行图和不成对运行图,连发运行图和追踪运行图。
①以横轴表示时间,纵轴表示距离(图1)。图1上的水平线表示各车站的中心线,水平线和水平线之间的间隔表示站间距离;垂直线表示时间;斜直线表示列车的运行,称为列车运行线(图1中粗斜线为旅客列车运行线,细斜线为货物列车运行线,点划线为摘挂列车运行线);图1中数字为列车在车站的停车时分。这种形式的运行图为中国、苏联、日本等多数国家铁路所采用。
②以纵轴表示时间,横轴表示距离,为联邦德国和民主德国等少数国家铁路部门所采用。实际上列车在各区间内运行,由于线路纵断面的不同,列车在车站起车和停车速度变化较大,列车运行线本应划成曲线,但为了运行图铺划的方便,均以斜直线表示。
二、运行图分类
按使用范围
(1)铁路内部使用的列车运行图。它是铁路组织运输生产的依据,是实现“按图行车”的技术组织措施,是确保铁路运输产品质量的基础。在我国,通常以图形的列车运行图形式提供使用。
(2)社会使用的列车运行图。它对铁路来说是铁路运输产品的供销计划,而对社会用户来说,则是旅客安排旅行计划、货主安排货物销售计划的依据。在我国,有旅客列车时刻表和“五定”班列时刻表两种列车运行图供社会使用。旅客列车时刻表和班列时刻表都应在新运行图实行之前向社会公布。
按区间正线数
(1)单线运行图。在单线区段,上下行方向列车都在同一正线上运行,因此,两个方向列车必须在车站上进行交会。
(2)双线运行图。在双线区段,上下行方向列车在各自的正线上运行,因此,上下行方向列车的运行互不干扰,可以在区间内或车站上交会。但列车的越行必须在车站上进行。
(3)单双线运行图。在有部分双线的区段,单线区间和双线区间各按单线运行图和双线运行图的特点铺画运行线。
按列车运行速度
(1)平行运行图。在同一区间内,同一方向列车的运行速度相同,且列车在区间两端站的到、发或通过的运行方式也相同,因而列车运行线相互平行。
(2)非平行运行图。在运行图上铺有各种不同速度的列车,且列车在区间两端站的到、发或通过的运行方式不同,因而列车运行线不相平行。
按上下行方向列车数
(1)成对运行图。这是上下行方向列车数相等的列车运行图。
(2)不成对运行图。这是上下行方向列车数不相等的列车运行图。
按同方向列车运行方式
(1)连发运行图。在这种运行图上,同方向列车的运行以站间区间为间隔。
单线区段采取这种运行图时,在连发的一组列车之间不能铺画对向列车。
(2)追踪运行图。在这种运行图上,同方向列车的运行以闭塞分区为间隔,在装有自动闭塞的单线或双线区段上采用。
上述分类都是针对列车运行图的某一特点而加以区别的。实际上,每张运行图都有多方面的特点,例如某一区段的列车运行图,它既是双线的、非平行的,又是追踪的。
三、运行图结构
列车运行图的组成要素有下列各项:
图2 列车运行图—结构
①列车在区间的运行时分:各种列车运行于两个站间所需要的时间。是按每一区间并分别上下行方向确定的。各种列车的区间运行时分,一般除按照列车通过车站的条件查定以外,由于列车在车站起车、停车和通过速度有变化,还要查定列车在各车站起车和停车的附加时分。
②列车停站时分:列车在车站上进行各种作业及列车会车、越行等所需要的最小停车时分。上述作业主要包括旅客乘降,行李、包裹、邮件装卸,车辆摘挂,零担货物装卸,快运货物列车加冰和上水,以及机车上水、更换机车、摘挂补机、检查车辆等。
③列车在车站的间隔时间:车站为保证列车运行安全,办理列车到发和通过作业所需要的最小间隔时间。主要有相对方向列车不同时到达的间隔时间,会车间隔时间,同方向列车连发间隔时间(图2)。
④自动闭塞区间追踪列车间隔时间:在装有自动闭塞的区间同方向追踪运行的两列车彼此间以闭塞分区相间隔所需要的最小间隔时间。
⑤机车在本段、外段和车站的停留时间:客、货运机车在本段或外段及其所在站,从到达车站时起至由车站出发时止的全部停留时间标准包括三部分:机车在车站到发线的停留时间;机车出入段走行时间;机车在段内整备作业时间。
⑥列车在编组站、区段站及客、货运站的技术作业时间:主要包括到达解体列车和编组出发列车在到发线上的停留时间;无改编作业列车在到发线上的停留时间;客车底在客车本外段及其所在站的停留时间。
四、调图为什么这么频繁(以下选自我写的小说《高铁之上——像青春一一样怒放》)
线网列车运行图协同编制是高速铁路运营网络化运营组织的核心问题,其编图质量直接影响系统服务水平。结合我国协同、智能的高速铁路发展理念,探讨高速铁路通成网条件下列车运行图编制的实际功能需求,并对数据管理、自动编图与调整、应急运行图编制、运行图协同接续优化、列车群运行仿真、线网运输计划评估以及乘客行程规划等关键功能进行设计,实现全网范围内各线路列车运行图的智能化编制、各线路间的运力协调和合理高效运输,有效满足运营单位与乘客的实际需求,为成网线路列车运行图编制系统的开发提供平台和工具。
我与徐老师、小施等几个人探讨铁路调图缘何越来越频繁?调图的原则是什么?
我分析了好久,然后提笔回答:作为广大旅客外出旅行的首选交通方式,铁路对于全国资源的配置作用明显,铁路也与人们生活息息相关,铁路的调图一如既往地引起了民众的极大关注。随着铁路迅猛发展、新线建设投入、列车增开及新站开通运营,可以说铁路部门每一次调整运行图,都是原有基础上优化、提速、升级,对经济社会高质量发展起到有效推动,释放出更多惠民利民的信号。
过去铁路发展滞后、运能严重不足,铁路部门市场意识淡薄,很少考虑调整列车运行图,一般是以一个基本图为主,每两年编制一次,中间只有一两次小的微调。近年来,“调图”一词总是被提及,为何铁路又开始调图了呢?铁路的频繁调图,是最大限度的挖掘铁路运能,为人们提供快捷方便的交通条件。随着时代的发展,铁路也在发展,而随着铁路的发展,旧的运行图未必就能跟上时代的变化,所以变化运行图就成为铁路进一步发展的风向标,高铁线路越来越密,越来越长,要把硬件设施利用好,让铁路网络高效运行,就需要充分考虑市场需求,科学配置、精确调度,这就需要通过软件、管理来实现。“调图”就变得异常重要了。“调图”是铁路部门依据市场需求变化,通过增减列车对数、改变径路、调整运行时刻及停开站等来合理调整运能、运力,更方便老百姓出行的一种举措。
中国铁路的调图从1993年开始,起初是4年调整一次,但近年来频率开始增大,铁路调图步伐明显加快并逐渐进入“常态化”,“常态化”调图就是铁路部门为更好适应市场化需求,通过增减列车对数、改变径路、调整运行时刻等来合理调整运能、运力,使列车的运行更加科学,旅客出行更加方便。中国铁路总公司在春运前、暑假前以及每个季度都会根据情况进行调整,让线路的运行更加合理高效,更好满足客运、货运的需求。特别是在部分地区高铁线路开通后,怎么安排列车对旅客出行更方便?这就需要通过调图来进行优化。同时,编图的智能技术也发展起来,才使得近年来历次的铁路调图成为可能。可见,铁路调图,着眼于两个方面的需要,一方面是为了适应新线开通的运行需求,另一方面也是为了适应铁路部门新的改革举措。
铁路建设是调图的基础。从铁路调图频率中不难发现,我国铁路建设发生了翻天覆地的变化,全国铁路新线不断建成投运,尤其是高铁建设。铁路调图是铁路部门对于现有运力资源的优化重组。每次调图都是铁路服务的一大进步,都会让人们出行变得更方便,乘车的选择更多,乘车的时间更短,乘车的环境更好。通过调图,实现铁路客运“快速化、公交化、便捷化”服务,改善人民群众出行体验。调图后,重点客流区段列车开行密度显著增加,公交化程度提升。大密度开行呈现列车公交化运输特点,给旅客出行提供了极大方便。
拉动社会经济快速发展的需要,得益于国家对铁路建设的高度重视和大力支持,每年全国都有新建或改建的铁路线投入运营以及新购置动车组,需要通过及时调图来统筹新增运力资源安排,以充分发挥铁路拉动社会经济快速发展的作用。
主动适应运输市场变化的需要。铁路部门结合季节性、节假日、周末高峰等客货运输市场变化规律等特点,通过大数据分析,组织实施“一季一图”、“一日一图”,淡季停运加强设备检修、旺季增开用足运能,优质高效地适应市场变化和需求。
满足人民对美好生活向往的需要。一直以来,铁路部门围绕深化运输供给侧结构性改革,持续优化列车开行结构,增加开行方向,提升列车开行品质,不断满足广大旅客日益增长的便捷出行需求。
那么,铁路调图的基本原则又是什么呢?
第一,以出行需求为导向,提升人民出行幸福指数。为兼顾民众周末出行需求,铁路部门精细布局,最大程度满足旅客出行感受。除了时空距离缩短,更好地满足了人民群众对出行的安全性、便捷性、舒适性、时效性等多元化的需求,最大限度地实现旅游资源的互通有无,让民众从“走得了”到“走到好”,幸福指数跟着节节攀升。
第二,以市场变化为导向,助力运输能力持续提升。调整列车运行图,是铁路部门根据市场需求,适时改变供需关系的系列操作。直观地讲,调图就是优化调整列车运行时间,提高运输服务质量,最大限度符合市场需求,进而实现社会持续发展。从“面面俱到”到“精心雕琢”,铁路根据货物运输结构和增量需求变化,充分释放铁路成网背后运输能力。在科学合理利用运力运能的同时,优化运输资源配置,让有限的资源发挥出更大优势,更好的服务区域经济社会发展。
调图是个系统工程,涉及面广,牵一发而动全身。铁路部门编图是在调查分析客流、跟踪市场、广泛听取各方面意见的基础上进行的。除了前期浩繁的调研,每次新旧图交替期间,是最忙最紧张的,各部门往往要加班加点,通力协作,还要合署办公,密切监控交替情况,及时处理突发问题。铁路运输部门要根据新图的变化,精细调整客货列车编组,精心组织车站作业,制定严密细致的作业流程和计划,编制调度日班计划,保障正常的运行秩序;客运部门要同步做好票额分配,加强旅客售票、乘降组织,做好站车服务,最大限度地便民利民;机务部门要做好乘务人员的学习和培训,提前熟悉担当区段乘务线路,掌握运行径路和行车组织办法,全面提高乘务人员的平稳操纵水平,严格执行调度命令的接收、复核、编辑、出示、传达等规定,把好每个关口,服从调度的统一指挥,严格按图行车,提高列车正点率;车辆部门要加强车辆检修和管理,确保车辆运行安全;宣传部门则要及时做好调图信息的对外发布和宣传工作。
总之,铁路部门调图频率不断增加,调的是发展,体现的是铁路部门的责任与担当。铁路部门不断适应我国经济社会秩序发展的新形势,精准预测客货运输需求,灵活增减列车,有效进行运行图调整,不断满足我国经济发展以及人民出行的需求。铁路调图,快的不仅是速度,更是民众对优质出行的期望与期许。新时代的中国铁路定能肩负起交通强国、铁路先行的伟大使命,为“十四五”开好局起好步贡献“交通力量”。相信在铁路部门不断的努力下,人民群众的出行一定会变得更加便捷,更加美好!
五、如何编制调整运行图
接下来,我们几个又聊到了运行图的编制情况。接下来,我就以开通的湖杭高铁为例,简要的说明一下调图的整个过程。新线开通需要新增开行列车,就需要进行调图。首先,由客运营销部门对新线客流做一个市场调查,主要有新增客流数量,结构,出行的习惯,出行的目的地等等,根据市场调查,做一个初步开车方案,假设日均新增客发3万人,按1列动车运载1千人计算,那么需要新增30列动车组。这30列车需要明确始发终到站,担当和交路,比如杭州西-北京日均有2千人,那么杭州西-北京南新增动车组2对,考虑均衡性上午、下午各1对,上午1对由上海局担当,早上由杭州西始发,下午到北京南折返回杭州西;下午1对由北京局担当,早上由北京南始发,到杭州西是下午,折返回北京南。初步方案做成后报国铁集团,国铁集团开会对各局上报方案进行平衡后确定最终的编图方案。
之后国铁集团组织18个铁路局集中编图,那是一个很大的会场,一般每个局的运输、客运、机务、车辆等专业人员加起来有十多人,每个局围成一个大圆桌,有18个大圆桌,再加国铁集团的,一共有二三百人,像个自由市场一样。
编图从能力最困难的地方开始,还是以杭州西-北京南的列车为例,这个车要画成主要有2大难点,一是杭州西往北京开车,先经过宁杭,到南京南以后上京沪高铁,京沪高铁是全国最繁忙的高铁,徐蚌段的列车对数达到了162对,白天的有效开行时段能力接近饱和。二是北京枢纽的接发车能力非常紧张,京沪高铁接入北京南站,北京南白天的大部分时段都处于满负荷状态。因此,想要画成新增杭州西-北京南的2对列车,就必须打通这2个关节。
可以先从徐蚌段入手,挑选一个合适的时段,比如10点-11点(反推至杭州西始发大约是8点左右,至北京南大约是13点左右,始发终到点都比较合适),通过调整其它列车来掰开一个线位(所用的方法主要有调整停站、与其它列车置换线位、压缩间隔时间等,不管用哪种方法,都需要与相关局沟通协调),徐蚌段过了之后,推至北京南是13点,但这个时段北京南是高峰期,站内的接发能力出于满负荷状态,也就是接不了,怎么办?无非2个办法,一是北京南13点接不了,14点能不能接,如果14点能接,对前面的方案进行修正,那么就需要晚1小时来。二是将北京南站内13点左右调走1趟列车,把新增列车接进去,相对与置换。不管采用哪种方法,这都是通过各相关专业沟通、协调、再沟通、在协调,不断的反复之后,把线条落到图中。跟大家讲了这么多,主要就是说明一点,其实,调图的过程,在大的原则之下,就是一个不断的发现问题,通过沟通协调,不断的解决问题的过程。所以,有人说调图是一门沟通的艺术。
列车运行图是行车组织工作的基础,列车运行图编制不精细、调图新旧交替关键不清晰、基础数据维护不到位,均会存在严重的安全隐患,甚至酿成事故。
调图的过渡期间,重点围绕列车车次变化情况(新增、停运、变更等),列车运行区段变化情况(区段延长或缩短、运行径路或方向变化等),旅客列车在站作业变化情况(办客、上水、行包和邮政、吸污、车底交路等),动车组车底夜间站内存放变化(存放车次、股道变化),机车换挂、换乘及机车属性(“电力”或“内燃”、机车直供电、双管供风)等新旧交替安全关键事项,加强防错办、防止电力机车进入无电(网)区风险研判,细化制定调图实施方案。切实抓好主要行车工种、关键岗位人员的学习培训,明确安全关键和控制措施,确保管理人员、作业人员全面掌握,同时加强对重点行车岗位新图相关内容掌握情况的检查抽问,确保新图过渡期现场作业安全受控
六、运行图编制技术发展趋势
我下面对列车运行图的编制情况以及发展趋势加以分析。近数十年来,国内外学者在运行图编制方法方面进行了大量的研究,其中较为主流的方法是采用数学模型方法,利用逻辑代数、线性规划等方法研究列车运行图编制的优化。目前,在数学模型方法编制运行图方面,学界常用的理论方法主要包括粒子群优化算法、遗传算法、分支定界法、拉格朗日松弛算法等,多通过建立整数规划模型解决相关问题。不论是周期运行图还是非周期运行图,由于列车运行图编制问题涉及领域多、牵涉因素复杂,属于NP问题,因此运行图优化问题现阶段主要是进行局部优化。但列车运行图编制存在的主要问题有:
一是行车类多种计划一体化编制的综合性欠缺。现有运行图编制理论和方法在解决列车运行线间的相互限制、行车间隔、越行方案等方面已经较为成熟,能较好支撑既有铁路列车运行图编制工作,但运行图并不是行车计划的全部,在高铁网络迅速扩张、运营场景趋于复杂背景下,还必须同时考虑到发线运用、进路选择、动车组运用等关键计划,以提高列车运行图的可实施性。因此,列车运行图编制工作不应只局限于到发及通过时刻的确定,而应实现列车运行图、到发线运用方案、动车组运用方案、车站进路使用方案等计划的一体化综合编制。
二是列车运行图编制与调整的智能化程度仍然偏低。现阶段的列车运行图编制系统为编图人员提供了较为方便的工具,将编图人员从繁重的手工绘图工作中解放出来,在早期提高运行图铺画效率方面发挥了关键作用,但列车运行图编制系统不应仅作为运行图铺画的工具,还应发挥计算机在运算能力方面的优势,为编图人员提供辅助决策功能,尤其是在目前高铁成网运行条件下,运营方案复杂多变,完全靠人来做运行图编制的各种决策往往顾此失彼。因此,应充分利用先进信息技术、模型与算法,重点解决列车运行图编制过程中的跨线列车协调、运行线调整等长期存在的关键难题,提升列车运行图编制与调整的智能化水平。
三是列车运行图编制效率亟待提高。现阶段的列车运行图编制系统已完全实现按照区段编制详图的要求,并较好实现了分界点交接时刻约束下的区段运行图编制,下一步应重点针对高速铁路动车组全线(方向)运行的新特点、新常态,从我国跨线列车占较大、客流时空需求差异突出的实际情况出发,研究满足全线(方向)与区段同步编制详图、运行图频繁调整(“一日一图”)与多线路协同编制需求的编图方法与系统实现技术。
四是列车运行图编制系统的操作便捷程度仍可提升。现阶段的列车运行图编制系统总体来说具备较好的用户友好度,使用便利,但从用户使用便捷性的角度出发,还有两方面可以优化:如用户的操作界面与操作手段上可以持续优化;与其他系统对接与输出方面,应考虑与其他系统(如CTC)的接口及数据传输需求,以及面向路局各岗位的多形式、多格式、高效率的列车运行图文件生成与输出。
五是由于铁路运输供需关系的长期紧张,列车运行图编制的首要目标通常是在满足各项技术标准的前提下实现运输能力的最大化,因此也导致了部分客运产品以及列车出行服务与旅客的实际需求出现一定的偏差。近年来随着运输市场竞争压力的不断增大,旅客服务水平逐步得到铁路运营管理部门的重视并被纳入到列车运行图编制质量的评价体系当中,以期更好实现运输成本与服务质量间的均衡从而满足行业的高质量发展要求。
发展智能运行图编制的思路和技术主要有:
一是计算机编制运行图的模型难度。列车运行图编制问题本身属于NP难解问题,存在“组合爆炸”,其算法复杂度非常之高。列车运行图编制问题的难度随着列车、车站数量的增加呈指数级增长,寻找具有多项式复杂性的最优算法是不可能的。
二是多部门协同动作的需求。列车运行图是协调铁路各部门、单位有序进行生产活动的核心计划,其编制工作并不是孤立的,而是与其它计划包括列车运行计划编制、车底/动车组交路计划编制、车站作业计划编制等紧密地联系在一起,但这些协同也成了列车运行图编制的互为制约,一体化编制是提升铁路运输组织水平的重要途径,同时也极大地增加了计划编制的难度。在现有的列车运行图编制工作组织模式下,需要大量的编图、车站、客运、机务人员集中进行编制、讨论和协商,这种方式能够提升编制效率和沟通效果,但是面对极端(天气、疫情)情况,无法集中办公的情况下,需要提供稳定、快捷的网络平台实现在线办公、开会、讨论。
三是提高列车列车运行图编制质量。运行图编制质量是市场需求和能力供给的匹配度和整个铁路系统运输效率和资源运用效率的直接体现,关系到铁路运输组织生产的投入和产出,特别是在大规模路网、大数量列车需求的情况下,依靠人的智慧编制已无法满足市场需求与运力资源统筹优化的需求,所以要实现列车运行图高质量编制。列车运行图涉及到列车开行方案、列车运行线、到发线、动车组交路、列车停站等诸多要素的编制,在编制过程中还需考虑线路、车站能力的充分运用,列车开行频率和停站方案的均衡、各路局诉求的保障等因素,为保证列车运行图高质量的铺画,需要统筹在众多要素和影响因素,以满足旅客需求、运力资源运用充分为目标,对列车运行图的时空分布、停站设计、冲突调整进行智能化的设计和编制,最终形成编制要素整体优化的一体化设计方案。
很多数量指标计算和分析客运实现自动化,但一些潜在的而且对运行图编制质量有参考价值的指标更需要深化分析,如列车运行图的可靠性、可操作性也是列车运行图编制质量的影响因素,在人工编制阶段,难免会出现进路交叉、间隔不够等情况,在运行图编制完成后,需要大量的人工核对,甚至在运行过程中都出现过列车冲突的情况,所以提出基于列车运行图冲突判定的列车运行仿真需求,实现列车运行图的可靠性、可操作性评价。再如,运行图编制参数是列车运行图编制的主要约束,包括区间运行标尺、起停车附加时分、列车追踪间隔时间等,随着运营经验的不断积累,现有运行图同一参数标定的体系,已无法满足精细化编图需求,如不同规模车站的起停车附加时分、枢纽车站不同股道间的追踪间隔时间等,均需要在运行图编制参数中精细确定,从而实现通过能力的充分运用。
另外,还需要从综合效能发挥的角度对列车运行图进行评价。一是列车运行图经济性评价需求。列车运行图是运输组织计划的核心,也是运输生产收益根本。列车运行图中含有列车运行线、走行径路、动车组运用等基本信息,在客流预期下,可以针对列车运行成本、客票收入进行测算,实现列车运行图经济效益的预判。二是列车运行图动态推演及弹性评价需求。列车运行图在执行过程中,势必会遇到恶劣天气、设备故障等应急事件,对运营秩序产生干扰,针对不同的应急事件和故障时间,列车运行秩序能够在多长的时间内恢复,需要对列车运行图进行全图动态仿真,推演故障应急情况下的列车运行秩序恢复情况,对运行图弹性进行分析和评价。三是基于客流选择的列车运行图后评价需求。旅客的选择评价列车运行图、列车开行方案编制质量的最直接的体现,通过列车运行线和列车OD密度表融合,形成每一个车次的、每一个运行区段的客流密度,分析客运产品与客流需求的适应性,为下阶段的列车运行图铺画提供决策。评价需要列车运行图与相关系统数据共享需求。列车运行图是运输生产计划的核心,与客运系统、调度系统、动车组管理系统、值乘管理系统、天窗管理系统等有着数据交互和融合,由于当前系统“孤岛”状态,导致大量的数据需要人工处理,影响数据传输的安全和效率。
目前,人工编制虽然能够灵活地利用编制规则,更有效地疏解运行图中的冲突,但是面对路网大规模列车运行线铺画需求下,编制强度和难度将大幅增加,其编制效率与计算机自动化编制相比肯定存有差距,所以在能够明确操作目标的前提下,尽量由计算机自动化完成列车运行图整体部分的铺画,再由人工进行必要的调整,最终形成完整的列车运行图。
研究思路和方法。一是启发式搜索技术应用于运行图编制的思路。由于列车运行图编制是多目标规划问题且属于NP难问题,传统的搜索和数学优化方法难以在有限时间内求解,项目拟构建列车运行图编制问题分层决策模型,即把列车运行图编制问题看成是由多个子问题构成的集合,从而通过求解一系列相对简单的子问题达到求解复杂问题的目标。二是深度学习应用于运行图编制的思路。在列车运行图中所有列车共享时空资源,合理地安排各条列车运行线以避免列车冲突并快速完成旅途是编图工作的主要目标。从博弈论的角度而言,列车之间在时空资源占用方面存在一定程度的竞争关系,然而所有列车的目标是一致的,即安全快速地完成旅途,令各列车之间又存在着合作关系。因此,列车运行图编制问题在深度强化学习领域中属于多智能体问题的范畴。三是基于深度强化学习的列车运行图智能编制方法。对列车运行图及相关运输计划的影响因素、目标与约束进行分析、提取和量化;基于强化学习方法论建立准确刻画运行图及相关计划一体化编制过程的模拟环境;基于深度学习方法论从深度神经网络的类别(前馈神经网络、卷积神经网络和循环神经网络)和结构(由隐藏层数、神经元数、学习率、优化器、Dropout率等超参数决定)两个维度寻找最佳的智能体架构;基于多智能体深度强化学习的运行图一体化编制方法的提出和基于异步、分布式技术的算法并行化部署。
相关关键支持技术有:新增列车条件下运行线智能调整理论与方法;车站到发线运用计划优化理论与方法;列车进路优化使用的理论与方法;多线分布式智能编图的协同控制技术;考虑不同调度台协同的列车运行图优化与运行调整技术;成网条件下新建高铁线路列车开行方案编制方法研究等。
文章来源:高铁书院
工程师必备
- 项目客服
- 培训客服
- 平台客服
TOP




















