AMESim仿真优化实例:基于AMESim的汽车制动踏板感觉仿真及优化

【摘要】为研究与优化汽车制动踏板感觉,对汽车制动系统进行动力学理论分析,基于AMESim 建立制动踏板感觉仿真模型,利用实车动态试验验证了模型的准确性,基于建立的模型研究了汽车制动系统各部件参数和踏板踩踏速度与制动踏板感觉的关系,引入制动踏板感觉指数(BFI)对试验车进行了客观评价,并提出制动系统的改善方案。试验结果表明,调整踏板杠杆比、制动器等效弹簧刚度等制动系统参数能够显著提升车辆的制动踏板感觉。

1 前言

制动踏板感觉直接影响驾驶员对车辆品质的评价,良好的制动踏板感觉可以提高驾驶员的操作舒适性与制动信心。制动踏板感觉的主观评价无法量化和统一,因此采用客观评价体系显得尤为重要。美国通用公司通过对大量试验数据进行分析,建立了制动踏板感觉指数(Brake Feeling Index,BFI),将主观评价指标转化为客观测量指标,从而对踏板感觉进行客观的评价[1]。英国莲花公司、福特公司也提出了各自的制动踏板感觉评价方案,但踏板力、踏板行程、汽车减速度3个关键参数仍是重要评价参数[2]。同济大学林志轩等采用实车道路试验研究了制动踏板感觉影响因素,得到了制动踏板感觉曲线[3]。同济大学的孟建德等开发了乘用车制动踏板感觉试验台架,并制定了台架试验评价方法,研究了关键因素对制动踏板感觉的影响[4]。这些研究表明,在制动过程中,制动踏板感觉主要由驾驶者施加的踏板力、踏板行程和汽车反馈的制动加速度之间的动态特性构成。在车辆制动过程中,制动踏板的运动状况是驾驶员感知车辆制动情况的主要途径,直接关系到车辆的制动安全。因此,智能汽车制动过程中,驾驶员所获得的踏板感觉与传统制动过程中的踏板感觉相差无几是十分必要的。
本文对汽车制动系统进行动力学分析,在AMESim上建立相关的制动踏板感觉仿真模型并结合实车试验验证模型的准确性,基于模型研究制动踏板、真空助力器、制动主缸、制动软管和制动器等的参数与制动踏板感觉的关系,并引入BFI对试验车踏板感觉进行客观评价,提出改善措施。

2 动力学建模

2.1 制动踏板模型

本文主要研究吊挂式制动踏板,不考虑踏板惯性量,将制动踏板模型简化为静力学杠杆模型,如图1所示。
AMESim仿真优化实例:基于AMESim的汽车制动踏板感觉仿真及优化的图1
图1 制动踏板静力学模型
对制动踏板进行受力分析和运动分析,推导出制动踏板力学理论模型:
AMESim仿真优化实例:基于AMESim的汽车制动踏板感觉仿真及优化的图2
式中,xpedal为制动踏板位移;xspring为制动踏板回位弹簧压缩量;xs0为制动踏板回位弹簧预紧长度;xbooster为真空助力器控制阀推杆位移;L1L3分别为制动踏板输入力、制动踏板回位弹簧、真空助力器控制阀推杆到踏板支点的垂直距离;F1为制动踏板回位弹簧预紧力;F2为真空助力器推杆阀推杆输出力;F3为制动踏板输入力;Fs0为制动踏板回位弹簧预紧力。

2.2 真空助力器模型

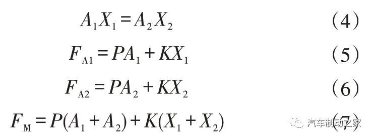
真空助力器真空腔和大气腔间压差产生的伺服力与作用在制动踏板上的力共同作用在橡胶反作用盘上,以达到放大踏板力的效果[5]。橡胶是一种不可压缩的柔性材质,具有像液体一样传递压力的性质,因此,将其简化成具有2 个活塞的液压缸。如图2 所示,2 个活塞的横截面分别为圆形与圆环形,面积分别为A1A2
AMESim仿真优化实例:基于AMESim的汽车制动踏板感觉仿真及优化的图3
图2 橡胶反作用盘工作示意
根据质量守恒定律及力的平衡方程,可得到下列方程:
AMESim仿真优化实例:基于AMESim的汽车制动踏板感觉仿真及优化的图4
联立上述方程解得:
AMESim仿真优化实例:基于AMESim的汽车制动踏板感觉仿真及优化的图5
式中,FM为橡胶反作用盘输出力;FA1为柱塞作用在橡胶反作用盘的力;FA2为真空助力器双腔压力差产生的伺服力;X1X2分别为圆形、圆环形主面变形量;K为橡胶反作用盘刚度;P为橡胶反作用盘内部压强[6]

2.3 制动主缸模型

本文采用的制动主缸模型忽略用于避免腔内汽蚀的回流部件、压力和摩擦力,考虑主缸活塞惯性量和补偿孔位置的影响,根据流体动力学理论与机械动力学理论,建立制动主缸简化模型如图3所示[7]
AMESim仿真优化实例:基于AMESim的汽车制动踏板感觉仿真及优化的图6
图3 制动主缸简化模型示意
制动主缸模型动力学方程为:
AMESim仿真优化实例:基于AMESim的汽车制动踏板感觉仿真及优化的图7
由流体力学分析可得,容器中压力与流量的关系为:
AMESim仿真优化实例:基于AMESim的汽车制动踏板感觉仿真及优化的图8
式中,Q 为液体体积流量;V 为容器中液体体积;K 为液体体积弹性模量;p为容器中液体的压力。
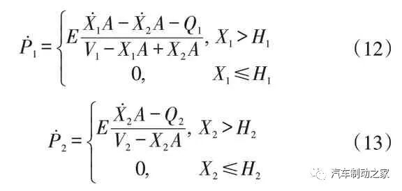
结合式(9)和式(10),可以得到两个腔体的连续流量方程为[8-9]
AMESim仿真优化实例:基于AMESim的汽车制动踏板感觉仿真及优化的图9
式中,E 为制动液体积弹性模量;A 为主缸双腔活塞截面积;C 为主缸双腔阻尼系数;F0为真空助力器作用在主缸活塞推杆上的力;M1M2分别为第1 腔和第2 腔活塞的质量;X1X2分别为第1腔和第2腔活塞的位移;K1K2分别为第1腔和第2腔回位弹簧刚度;F1F2分别为第1 腔和第2 腔回位弹簧预紧力;P1P2分别为主缸第1 腔和第2腔压强;Q1Q2分别为第1腔和第2腔与制动管路间的阀体流量;V1V2分别为第1 腔和第2 腔初始体积;H1H2分别为第1 腔和第2 腔初始状态补偿孔与活塞前端距离。

2.4 制动软管与制动轮缸模型

根据流体动力学可知,制动液动力学方程为:
AMESim仿真优化实例:基于AMESim的汽车制动踏板感觉仿真及优化的图10
式中,QR1QR2分别为制动软管输入、输出流量;V0为制动软管容积;K0为等效体积弹性模量。
本文采用浮动钳盘式制动器,忽略活塞因密封而收缩的回滚效应,轮缸动力学模型为:
AMESim仿真优化实例:基于AMESim的汽车制动踏板感觉仿真及优化的图11
对制动液进行分析可得液体压缩公式为:
AMESim仿真优化实例:基于AMESim的汽车制动踏板感觉仿真及优化的图12
式中,C1为活塞阻尼系数;ML为制动块质量;XL为制动块位移;PL为制动轮缸腔内制动压强;AL为制动轮缸活塞截面积;KL为制动轮缸活塞橡胶密封圈等效弹簧刚度;FL为制动块与制动盘接触力;Qr为制动轮缸输入流量;VL为制动轮缸初始容积[10-11]

3 制动踏板感觉仿真

3.1 AMESim制动踏板感觉仿真模型建立

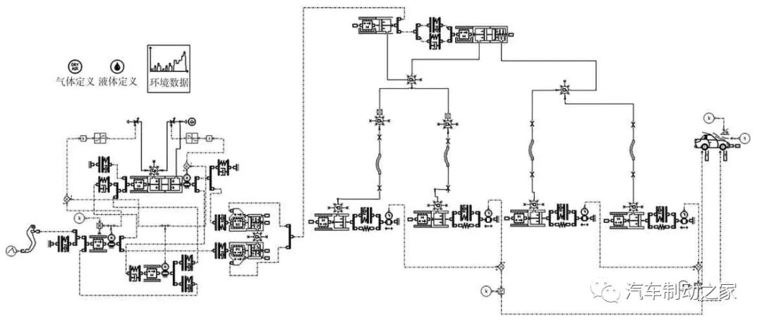
利用AMESim建立制动系统的仿真模型,包括制动踏板模型、真空助力器模型、制动主缸模型、制动器模型、液压管路模型和整车模型,如图4所示。
AMESim仿真优化实例:基于AMESim的汽车制动踏板感觉仿真及优化的图13
图4 制动系统的AMESim仿真模型
模型参数由采用某品牌SUV 车型实车测试所得,真空助力器的参数如表1所示。
表1 真空助力器主要参数
AMESim仿真优化实例:基于AMESim的汽车制动踏板感觉仿真及优化的图14

3.2 静态仿真模型与踏板感觉特性分析

踏板力与踏板行程变化曲线如图5所示,踏板位移随踏板力的增加可以分为3个阶段:第1阶段,初步建立系统压力,力随位移缓慢上升,该过程主要是为了消灭空行程;第2 阶段,真空助力器产生作用,曲线斜率增加,即力随行程的增加而快速增加;第3阶段,由于真空助力器已达到最大助力,输出力随着踏板力等比例增大,踏板输入力随踏板位移迅速增加,驾驶员会感到踏板很“硬”。
AMESim仿真优化实例:基于AMESim的汽车制动踏板感觉仿真及优化的图15
图5 制动踏板力与行程的关系曲线

3.3 动态仿真模型与试验认证

动态仿真考虑整车模型的速度与加速度,如图6、图7所示。试验车的速度、加速度与仿真结果不完全一致,这是因为实车试验时路谱采集结果有所偏差,导致实车加速度均值略小于仿真结果,但在试验允许的范围内,故仿真结果与试验数据一致性较好。

4 制动踏板感觉分析

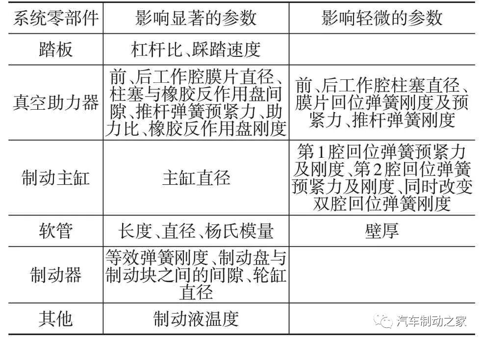
制动系统中任意部件参数的改变都将导致不同的制动踏板位移、车辆制动加速度和不同的制动踏板感觉。因此,不同车辆的制动踏板感觉不足的原因各不相同[12-13],通过建立AMESim整车制动模型,研究制动系统各部件在不同参数下的制动踏板力与踏板行程关系、管路油压与踏板力关系,可以有针对性地优化制动踏板感觉。刘苑、裴晓飞等人对踏板助力比、真空助力器橡胶反作用盘刚度、制动主缸活塞直径、制动软管杨氏模量、轮缸直径、制动盘与制动块之间的间隙已进行了分析[14-15]。本文对制动系统中各部件参数与制动踏板感觉的关系进行详细研究,基于分析曲线变化程度,总结出显著和轻微影响踏板感觉的参数,并计算BFI 大小进行了验证,结果如表2所示。
AMESim仿真优化实例:基于AMESim的汽车制动踏板感觉仿真及优化的图16
图6 试验车与仿真车辆速度
AMESim仿真优化实例:基于AMESim的汽车制动踏板感觉仿真及优化的图17
图7 试验车与仿真车辆加速度
表2 不同参数对制动踏板感觉影响程度
AMESim仿真优化实例:基于AMESim的汽车制动踏板感觉仿真及优化的图18
限于篇幅,本文只列出8个可显著影响制动踏板感觉参数的研究分析过程。

4.1 踏板踩踏速度

不同踩踏速度下,制动踏板力与踏板行程的关系如图8所示。由图8可知,踏板踩踏速度加快,踏板行程减小。踩踏速度加快时:在AB 段,踏板空行程减小,甚至接近0;在BC段,真空助力器起作用时所需踏板行程与最大助力点处踏板行程增加,此时在相同踏板力下,踏板行程越小,感觉会越“硬”,但由于踏板速度变慢时,真空助力器最大助力点处踏板行程减小,因此存在一段踏板踩踏速度较慢时比较快时需要更大踏板力的行程;在CD段,当达到真空助力器最大助力点处后,制动踏板力与制动行程之间变化率相差无几,即踏板感觉相同。
AMESim仿真优化实例:基于AMESim的汽车制动踏板感觉仿真及优化的图19
图8 不同踏板踩踏速度下制动踏板力与制动行程的关系曲线
不同踏板踩踏速度下,管路油压与制动踏板力的关系如图9所示。由图9可知,不同踏板踩踏速度对管路油压与制动踏板力曲线的影响主要集中在系统建立压力时的踏板空行程与真空助力器起作用的部分。踏板踩踏速度越快,系统建立压力时的踏板空行程越短,真空助力器介入时间提前。同时,踩踏速度越快,相同踏板力情况下制动管路液压越小,因此,在保证车辆最大制动减速度所需真空助力器输出力小于最大助力,并且汽车制动不会发生碰撞的条件下,可以放缓踩踏速度。
AMESim仿真优化实例:基于AMESim的汽车制动踏板感觉仿真及优化的图20
图9 不同踏板踩踏速度下管路油压与制动踏板力的关系曲线

4.2 真空助力器双腔膜片直径

不同双腔膜片直径下制动踏板力与制动行程的关系以及管路油压与制动踏板力的关系如图10、图11 所示。由图10 可知,不同双腔膜片直径对曲线的影响主要体现在最大助力点处(即C 点处)的踏板力与踏板行程。双腔膜片直径越大,真空助力器达到最大助力点处时的踏板力与踏板行程越大,踏板变“硬”处的行程越推迟,即主要影响BC 阶段的长度,其余阶段则影响不大。由图11 可知,双腔膜片直径对管路油压与制动踏板力曲线影响与对制动力与踏板制动行程的曲线影响相同。
AMESim仿真优化实例:基于AMESim的汽车制动踏板感觉仿真及优化的图21
图10 不同双腔膜片直径下制动踏板力与踏板制动行程的关系曲线
AMESim仿真优化实例:基于AMESim的汽车制动踏板感觉仿真及优化的图22
图11 不同双腔膜片直径下管路油压与制动踏板力的关系曲线

4.3 真空助力器推杆弹簧预紧力

不同真空助力器推杆弹簧预紧力下制动踏板力与踏板行程的关系如图12所示。由图12可知,推杆弹簧预紧力增加,制动踏板行程减小:AB 阶段,推杆弹簧预紧力增加,踏板空行程增加;BC 阶段,制动踏板力与踏板行程的变化率几乎相同;CD 段,推杆弹簧预紧力增加,则真空助力器最大助力所需踏板力增加。
AMESim仿真优化实例:基于AMESim的汽车制动踏板感觉仿真及优化的图23
图12 不同真空助力器推杆弹簧预紧力下制动踏板力与踏板行程的关系曲线
不同真空助力器推杆弹簧预紧力下管路油压与制动踏板力的关系如图13所示。由图13可知,真空助力器推杆弹簧预紧力对曲线影响主要在原点至C段,推杆弹簧预紧力增加时,AB段,系统建立压力时的踏板空行程增加,管路油压与制动踏板力变化率几乎不变,CD段,不同真空助力器推杆弹簧预紧力对曲线没有影响。

4.4 真空助力器柱塞间隙

不同真空助力器柱塞间隙下制动踏板力与踏板行程的关系如图14所示。由图14可知,柱塞间隙增加,制动踏板行程增大:AB 段,柱塞间隙增加,踏板空行程减小;BC 阶段,制动踏板力与踏板行程的变化率几乎相同;CD 段,随着推杆弹簧预紧力的增加,真空助力器最大助力所需踏板力减小。
AMESim仿真优化实例:基于AMESim的汽车制动踏板感觉仿真及优化的图24
图13 不同真空助力器推杆弹簧预紧力下管路油压与制动踏板力的关系曲线
AMESim仿真优化实例:基于AMESim的汽车制动踏板感觉仿真及优化的图25
图14 不同真空助力器柱塞间隙下制动踏板力与踏板行程的关系曲线
不同真空助力器柱塞间隙下管路油压与制动踏板力的关系如图15所示。由图15可知,真空助力器柱塞间隙对曲线影响主要在原点至C 段,柱塞间隙增加时,AB段,系统建立压力时的踏板空行程减小,管路油压与制动踏板力变化率几乎不变,CD段,不同真空助力器推杆弹簧预紧力对曲线没有影响。
AMESim仿真优化实例:基于AMESim的汽车制动踏板感觉仿真及优化的图26
图15 不同真空助力器柱塞间隙下制动踏板力与踏板行程的关系曲线

4.5 软管长度

不同软管长度下制动踏板力与踏板行程的关系如图16所示。由图16可知:AB段,制动软管越长,踏板空行程越长;BC 段,制动软管越长,制动踏板力与踏板制动行程变化率越小,即相同制动踏板力所需制动踏板行程越大,但真空助力器最大助力变化不大;CD 段,制动踏板力与制动踏板行程变化率相差不大。
AMESim仿真优化实例:基于AMESim的汽车制动踏板感觉仿真及优化的图27
图16 不同软管长度下踏板制动踏板力与踏板行程的关系曲线
不同软管长度下管路油压与制动踏板力关系如图17 所示。由图17 可知,不同软管长度下,管路油压与制动踏板力关系曲线大致相同。
AMESim仿真优化实例:基于AMESim的汽车制动踏板感觉仿真及优化的图28
图17 不同软管长度下管路油压与制动踏板力的关系曲线

4.6 踏板杠杆比

不同踏板杠杆比情况下的制动踏板力与踏板位移的关系如图18 所示。由图18 可知,杠杆比减小,踏板行程缩短:AB 段,制动空行程随杠杆比增大而减小;BC 段,杠杆比增大,制动踏板力与踏板行程之间变化率减小,即相同踏板力,踏板杠杆比增加,制动踏板行程越大,且增幅也越大;CD 段,真空助力器达到最大助力点处,制动踏板力与制动踏板行程变化率相差不大。
AMESim仿真优化实例:基于AMESim的汽车制动踏板感觉仿真及优化的图29
图18 不同踏板杠杆比下制动踏板力与制动踏板行程关系曲线
不同踏板杠杆比情况下管路油压与踏板力的关系如图19所示。由图19可知,相同踏板力,杠杆比越大,管路油压越大,同时,在真空助力器达到最大助力点前,管路油压与踏板力之间的变化率随着杠杆比的增大而增大,在真空助力器达到最大助力点后,管路油压与踏板力之间的变化率相差不大。
AMESim仿真优化实例:基于AMESim的汽车制动踏板感觉仿真及优化的图30
图19 不同踏板杠杆比下管路油压与制动踏板力关系曲线

4.7 软管外直径

不同软管外直径下制动踏板力与制动踏板行程的关系如图20 所示。由图20 可知:相同踏板力下,软管外直径增大,则踏板行程增大;软管外直径增大,对原点至B 段几乎没有影响,BC 段,踏板力与行程之间变化率显著减小,CD 段,踏板力与行程之间变化率相差不大。
AMESim仿真优化实例:基于AMESim的汽车制动踏板感觉仿真及优化的图31
图20 不同软管外直径下制动踏板力与制动踏板行程关系曲线
不同软管外直径下制动系统管路油压与制动踏板力关系如图21所示。由图21可知,不同软管外直径下,原点至C段几乎没有区别,CD段,随着软管外直径增加到25.5 mm 时,最大管路油压逐渐减小,同时其所需制动踏板力也随之减小。
AMESim仿真优化实例:基于AMESim的汽车制动踏板感觉仿真及优化的图32
图21 不同软管外直径下管路油压与制动踏板力关系曲线

4.8 制动器活塞密封圈等效刚度

不同制动器活塞密封圈等效刚度下制动踏板力与踏板行程的关系如图22 所示。由图22 可知:原点至B段,密封圈等效刚度对曲线影响不大,BC 段,相同踏板力下,随着密封圈等效刚度的增加,踏板行程缩短,制动踏板力与制动踏板行程变化率增加;CD段,制动踏板力与踏板行程变化率受密封圈等效刚度的影响不大。
AMESim仿真优化实例:基于AMESim的汽车制动踏板感觉仿真及优化的图33
图22 不同制动器活塞密封圈等效刚度下制动踏板力与制动踏板行程关系曲线
不同制动器活塞密封圈等效刚度下管路油压与制动踏板力的关系如图23所示。由图23可知,对于不同制动器活塞密封圈等效刚度,管路油压除在AB 段有轻微变化外,其余阶段大致相同。
AMESim仿真优化实例:基于AMESim的汽车制动踏板感觉仿真及优化的图34
图23 不同制动器活塞密封圈等效刚度下管路油压与制动踏板力关系曲线

5 制动踏板感觉评价及优化

5.1 制动踏板感觉评价

制动踏板感觉评价分为主观评价和客观评价:主观评价主要有定性评价和定量评价,其中定性评价为将几种评价对象进行优劣排序,定量评价即通过评分对评价对象进行对比;客观评价则是采用BFI对车辆各项参数进行分析[16]
主观评价需要专业人员进行评价,易受到人的主观影响,因此使用BFI 对车辆进行评价,标准制动踏板感觉体系评价参数如表3所示[17]
表3 标准制动踏板感觉体系评价参数
AMESim仿真优化实例:基于AMESim的汽车制动踏板感觉仿真及优化的图35

5.2 制动踏板感觉优化

采用BFI 对本次试验车辆进行评价,结果如表4 所示:试验车BFI最终得分为85.18,其中,踏板预置力、制动初始点踏板力和行程、满载最大制动减速度时踏板力得分较好,失分项主要在于正常制动至0.5 g 时的踏板力与踏板行程。
表4 优化前、后试验车制动踏板感觉评分
AMESim仿真优化实例:基于AMESim的汽车制动踏板感觉仿真及优化的图36
针对以上缺点,结合前文对制动踏板的分析,首先将制动踏板杠杆比由3.3提升到4.4,正常制动至0.5 g时的踏板力与踏板行程显著优化,同时满载最大制动减速度得以进一步优化,再将软管直径减小为5 mm,同时使制动器等效弹簧刚度从3 500 kN/m提高到5 000 kN/m,可以进一步对正常制动至0.5 g时的踏板力与踏板行程两项参数进行优化。优化后,试验车BFI 得分为98.73(见表4),较大幅度地提升了汽车踏板感觉。

6 结束语

本文以某SUV 为研究对象,分析其制动系统并在AMESim上搭建了制动系统仿真模型,基于模型分析了8 个主要参数对踏板特性的影响,引入BFI 对车辆踏板感觉进行客观评价,并进行优化,较大幅度提升了汽车制动踏板感觉。同时,建立的仿真模型还可用于分析搭载传统制动系统的车辆在不同工况下的制动性能,研究结果也可为智能汽车ACC、AEB系统的踏板感觉特性提供参考。
下一步可以开展制动部件参数对制动踏板感觉的贡献度研究,对各参数进行量化排列。同时,可将真空助力器换为电子助力器,开展智能汽车ACC、AEB 系统制动踏板感觉研究。

作者:熊自远1 魏翼鹰1,2 代展威1 白帆3 陈志军2

1.武汉理工大学,机电工程学院

2.武汉理工大学,智能交通系统研究中心

3.上汽通用五菱汽车股份有限公司

文章来源:汽车制动之家


登录后免费查看全文
立即登录
App下载
技术邻APP
工程师必备
  • 项目客服
  • 培训客服
  • 平台客服

TOP

2
2