EMS中的浪涌抗扰度电路分析!
2023年1月10日 13:49每个人都知道,EMC描述了产品的性能,即电磁发射/干扰EME和电磁抗扰EMS。EMI它还包括传导和辐射;EMS还含有静电.脉冲群.浪涌等。本文将从EMS从浪涌抗扰度的角度,分析设计电源的前级电路。
抗浪涌电路分析
EDA365电子论坛
如图1所示,它通常用于小功率电源模块EMC前级原理图,FUSE为保险丝,MOV压敏电阻,Cx为X电容,LDM为差模电感,Lcm为共模电感,Cy1和Cy2为Y电容,NTC热敏电阻。其中Y电容.虽然共模电感的主要功能不是提高电路的浪涌抗扰程度,但它们间接影响了电路的设计。
图1.常用EMC前级电路
对ACL与ACN两者之间施加的浪涌电压称为差模浪涌电压,差模路径如图中红线所示;是的,ACL(或ACN)与PE两者之间施加的电压称为共模浪涌电压,共模路径如图蓝线所示。
在设计抗浪涌电路之前,必须确定相应的电路“电磁兼容标准”,如IEC/EN61000-4-5(对应GB/T17626.5)规定了浪涌抗扰度的要求.试验方法.试验等级等。下面我们将根据本标准的规定来讨论抗浪涌电路的设计。
当输出开路时,浪涌电路产生1.2/50μs浪涌电压,在短路时会产生8/20μs浪涌电流。
有效输出阻抗为2Ω,因此,开路电压峰值为XKV短路峰值电流为(X/2)KA。
当对ACL(或ACN)和PE抗浪涌试验期间,耦合电路串入10Ω如果电阻忽略了串联耦合电容的影响,那么短路峰值电流就会变成约(X/12)KA。
相关设备介绍
EDA365电子论坛
1.压敏电阻
压敏电阻的选择最重要的参数是:最大允许电压.最大钳位电压.能承受浪涌电流。
首先,最大允许电压电阻电压大于电源输出电压的最大值电压的最大值,其次,我们应该确保最大钳位电压不会超过最大浪涌电压允许的后级电路;最后,我们应该确保浪涌电流通过压敏电阻不会超过它所能承受的浪涌电流。
额定功率等其他参数.通过简单的验算或实验可以确定能量脉冲等。
2.Y电容
在进行共模浪涌试验时,如果考虑到成本等因素,并且在共模路径中没有添加压敏电阻或其他用于夹紧电压的设备,则应确保Y电容电压电阻高于试验电压。
3.输入整流二极管
假设最大钳位电压大于输入整流二极管能够承受的最大反向电压,则可能损坏二极管。因此,应选择反向电阻大于最大钳位电压的二极管作为输入整流二极管。
4.共模电感
理论上,共模电感只在共模路径中起作用,但由于共模电感的两个绕组并不是完全耦合的,未耦合的部分将作为差模路径中的差模电感,影响EMC特性。
实例分析
EDA365电子论坛
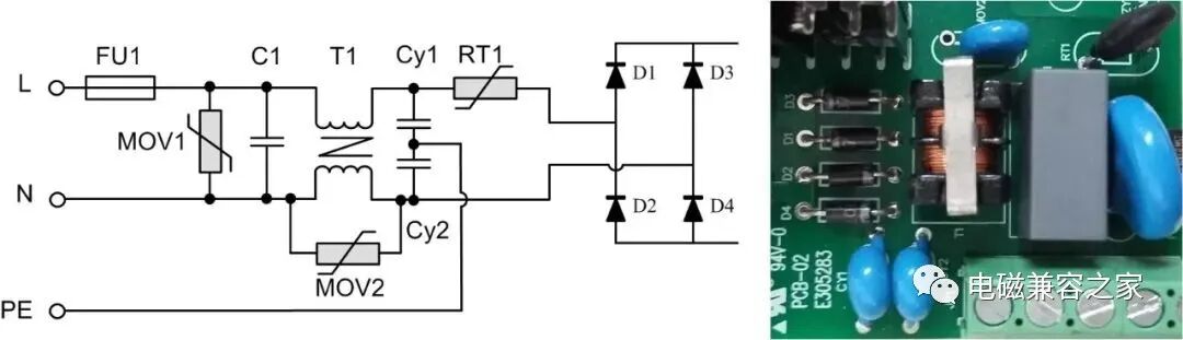
背景:以某型号的电源模块为例,该模块就是ZLG输入85VAC~350VAC,且EMC模块中嵌入前级电路电路。抗浪涌需要3个差动模块电压KV,共模电压6KV。更换更大的保险丝后,它可以承受6KV差模电压。前级原理图及相应实物图如图2所示。
图2.实例原理图与
1.差模浪涌试验
选择压敏电阻时,最大允许电压应略大于350V,此电压级压敏电阻的最大钳位电压为10000V左右(50A测试电流)。其次,在差模路径上,内阻等于2Ω.脉冲电压为6KV如果电压源与压敏电阻串联,峰值电流约为(6)KV-1KV)/2Ω=2500A。最终选择了681KD14作为压敏电阻。其峰值电流为4500A,最大允许工作电压385VAC,最大钳位电压1120V。
不用担心,因为共模电感器中未耦合的部分,作为差模路径中的差模电感器,将分配部分电压。事实上,在共模电感器之后,电路已经得到了保护。经过测试验证,选择常用的整流二极管1N4007即可。
2.共模浪涌试验
当对ACL-PE或ACN-PE测试6KV浪涌时,即共模浪涌试验,共模路径等效为内阻约12Ω,脉冲电压为6KV电压源和共模电感.Y电容串联。由于Y电容的选择Y1级电容,其耐压性较高,6KV共模浪涌的能量不足以损坏它,所以只需要保证PE如果布线与其它布线保持一定的间接,就可以轻松通过共模浪涌试验。
然而,由于共模电感器的两端在浪涌试验过程中会产生高压和飞弧。如果靠近周围设备,可能会损坏周围设备。因此,一个放电管或压敏电阻可以并联在其上限制其电压,从而起到灭弧的作用。如图所示MOV2所示。
还有一种方法PCB在设计过程中,在共模电感器的两端增加放电齿,使电感器通过两个放电尖端放电,避免通过其他路径放电,从而尽量减少对周围和后部设备的影响。如图3所示ZLG致远电子型号为PA1HBxOD-10W电源模块PCB放电齿的实物图加入共模电感。
图3.放电齿实物图
总结
EDA365电子论坛
EMC实验通常是非常实用的,但是如果我们在设计中掌握了一些基本的原则EMC在前级电路中,将有更多的方向进行测试,以缩短项目开发的时间。本文结合了一个简单的例子,从浪涌试验的角度介绍了前级电路设备的选择和典型电路。在未来的文章中,我们将继续探讨抗浪涌电路的相关内容EMC设计性能指标的角度EMC前级电路。
具有稳定性能的电源模块,完善的浪涌防护电路将最大限度地保证系统供电的稳定性和可靠性。
工程师必备
- 项目客服
- 培训客服
- 平台客服
TOP




















